Foram encontradas 447 questões.

Aplicando-se os teoremas e postulados booleanos, é possível simplificar equações e circuitos lógicos, o que significa uma diminuição no grau de dificuldade de montagem e no custo do sistema.
Dado o circuito lógico acima, encontre S em sua forma mais reduzida.
Provas
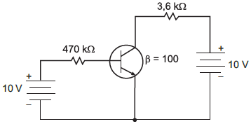
A figura abaixo ilustra um circuito com um transistor bipolar na configuração emissor comum, com um ganho de corrente igual a 100.

Com base nas informações apresentadas, analise as afirmativas a seguir.
I – A corrente na base é da ordem de \( \mu A. \)
II – A corrente no coletor é 100 vezes maior que a corrente na base.
III – A corrente no emissor é obtida subtraindo a corrente na base da corrente no coletor.
IV – A tensão entre o coletor e o emissor é obtida multiplicando a tensão de alimentação do coletor pela queda de tensão no resistor do coletor.
Estão corretas APENAS as afirmativas
Provas
Em uma fábrica de roupas construída em um galpão retangular, com dimensões 24 m × 10 m, a iluminância desejada é de 1.000 lux. Em função das características do ambiente, foi escolhida uma luminária que emite um fluxo luminoso de 25.000 lm, com fator de utilização 0,40 e fator de depreciação 0,6.
O número de luminárias, pelo método do fluxo luminoso, é igual a
Provas
Em relação aos esquemas de aterramento normalizados pela NBR 5.410, que dispõe sobre Instalações Elétricas de Baixa Tensão, o esquema TN-C diz respeito a condutor neutro e condutor terra
Provas
Todos os equipamentos que estão conectados a uma rede elétrica estão sujeitos a alguma falha elétrica ou a circunstância que acarrete problemas na rede. Para evitar que esses incidentes causem avarias nos componentes e perturbação na rede de alimentação, são definidos sistemas de proteção.
A esse respeito, considere as proposições abaixo.
I – A seletividade representa a possibilidade de uma escolha adequada de equipamentos de proteção, de tal modo que, ao ocorrer um defeito em um ponto de instalação, o desligamento afete uma parte mínima da mesma. Para que isto aconteça, é necessário que a proteção mais próxima do defeito ocorrido venha a ser a primeira a atuar.
II – De acordo com a NBR 5.410, uma das condições necessárias para assegurar a seletividade entre dois dispositivos DR em série é que a curva característica de tempo-corrente de não atuação do dispositivo DR a jusante deve se situar acima da característica tempo-corrente de atuação do dispositivo DR a montante.
III – Relés térmicos de sobrecarga são dispositivos dotados de um par de lâminas construídas com metais de diferentes coeficientes de dilatação térmica linear que, quando atravessados por uma corrente de intensidade ajustada aquecendo o bimetal, provocam, sob efeito da dilatação térmica de suas lâminas, a operação do contato móvel.
É(São) correta(s) APENAS a(s) afirmativa(s)
Provas
Considerando um motor de indução trifásico, analise as afirmativas abaixo.
I – O escorregamento indica, em relação à velocidade síncrona (ns), o movimento relativo entre o campo girante (de velocidade síncrona) e os enrolamentos do rotor (de velocidade n).
II – Embora o fluxo produzido pelas correntes do estator gire numa velocidade maior do que a rotação do rotor, o fluxo de reação, produzido pelas correntes do rotor, também gira na mesma velocidade que o fluxo girante do estator, ou seja, na velocidade síncrona ns.
III – O torque máximo sempre ocorre na mesma velocidade que a potência máxima.
É(São) correta(s) APENAS a(s) afirmativa(s)
Provas
O Relé de Buchholz é utilizado em
Provas
Observe as curvas de característica do Torque x Corrente de Armadura de quatro motores CC.

Considerando a ordem motor 1; motor 2; motor 3 e motor 4, qual é a sequência correta para o tipo de cada motor CC?
Provas
A placa de um motor de indução trifásico de 380 V, 50 HP e 60 Hz indica que sua velocidade, com carga nominal, é 1.764 RPM. Supondo que o motor esteja operando com a carga nominal, é INCORRETO afirmar que
Provas
Analise as figuras abaixo.

Para o transformador da Figura 1, ligado como autotransformador, conforme Figura 2, o valor da corrente I1 e da Potência total do autotransformador são, respectivamente,
Provas
Caderno Container