Foram encontradas 80 questões.
Um circuito resistivo, ativo e linear que contém uma ou mais fontes de tensão ou corrente pode ser substituído por uma única fonte de tensão e uma resistência série, conhecido por , ou por uma única fonte de corrente e uma resistência paralela sobre o .
Assinale a alternativa que preencha correta e respectivamente as lacunas.
Provas
Analise as afirmativas sobre o teorema da superposição para resolução de circuitos elétricos e dê valores Verdadeiro (V) ou Falso (F).
( ) Com fontes dependentes, o princípio da superposição pode ser usado apenas quando as funções de controle são externas ao circuito contendo as fontes, de modo que os controles permaneçam inalterados à medida que cada fonte é analisada individualmente.
( ) Esse princípio se aplica em função da relação linear entre corrente e tensão.
( ) Um circuito linear que contém duas ou mais fontes independentes pode ser analisado para obter as várias tensões e correntes de ramos analisando os efeitos de cada fonte individualmente e, em seguida, superpondo os resultados.
Assinale a alternativa que apresenta a sequência correta de cima para baixo.
Provas
Resolva o circuito elétrico a seguir, e assinale a alternativa que apresenta respectivamente as correntes I1, I2 e I3.

Provas
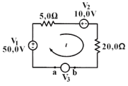
Sabendo que a corrente I vale 400 mA, analise a figura a seguir.

Assinale a alternativa que apresenta o valor de V3.
Provas
Sobre a resolução de problemas de circuitos fechados, analise o texto a seguir.
Para qualquer caminho fechado em um circuito consideramos que a soma algébrica das tensões é zero. Estas tensões podem ser fontes e passagem de corrente elétrica através de elementos passivos. Pode ser igualmente aplicada para circuitos alimentados por fontes constantes, corrente contínua, fontes variáveis no tempo e para circuitos alimentados por fontes senoidais.
Assinale a alternativa que apresenta a qual Lei este texto está se referindo.
Provas
No que diz respeito à gestão de pessoal e as normas previstas na Resolução nº 63 de 2011 da Diretoria Colegiada da Agência Nacional de Vigilância Sanitária, assinale a alternativa correta.
Provas
Com relação ao disposto na Lei Geral de Proteção de Dados (Lei nº 13.709/2018), assinale a alternativa que não apresenta uma sanção prevista na lei.
Provas
Acerca da Responsabilidade e do Ressarcimento de Danos previstos na Lei Geral de Proteção de Dados (Lei nº 13.709/2018), analise as afirmativas abaixo e dê valores Verdadeiro (V) ou Falso (F).
( ) O juiz, no processo civil, poderá inverter o ônus da prova a favor do titular dos dados quando, a seu juízo, for verossímil a alegação, houver hipossuficiência para fins de produção de prova ou quando a produção de prova pelo titular resultar-lhe excessivamente onerosa.
( ) Os agentes de tratamento serão responsabilizados ainda que provem que, embora tenham realizado o tratamento de dados pessoais que lhes é atribuído, não houve violação à legislação de proteção de dados
( ) O controlador ou o operador que, em razão do exercício de atividade de tratamento de dados pessoais, causar a outrem dano patrimonial, moral, individual ou coletivo, em violação à legislação de proteção de dados pessoais, é obrigado a repará-lo.
Assinale a alternativa que apresenta a sequência correta de cima para baixo.
Provas
De acordo com a Lei Geral de Proteção de Dados (LGPD – Lei nº 13.709/2018), assinale a alternativa que apresenta corretamente a definição de uso compartilhado de dados.
Provas
Na história das religiões, que se conta em milênios, o (a) , com suas sete décadas de vida, ainda é um bebê. Já na história do Acre, um jovem do século XX, a doutrina fundada por Raimundo Irineu Serra, o Mestre Irineu, está entre as tradições mais marcantes e conhecidas fora do estado (adaptado de VILA CÉU DO MAPIÁ, 2022).
Assinale a alternativa que preencha corretamente a lacuna.
Provas
Caderno Container