Foram encontradas 80 questões.
Assinale a alternativa incorreta sobre as recomendações segundo as boas práticas para ajustes na proteção de curto-circuito em transformadores.
Provas
Os motores de indução quando submetidos a uma tensão nos seus terminais, superior à tensão nominal, alteram o seu comportamento operacional. Assinale a alternativa incorreta sobre essas alterações.
Provas
A partir do momento de início de sua operação, os motores elétricos estão sujeitos a diversos tipos de falhas que podem afetar inicialmente a sua vida útil, até sofrer um dano irreparável. As condições críticas a que podem ficar submetidos os motores elétricos, em geral resultam em vários aspectos: falhas por efeitos térmicos, falhas de tensão, falhas mecânicas e também por falhas de sobrecarga. Neste último aspecto, que é uma condição operacional comum dos motores elétricos, a falha caracteriza-se pela elevação temporária ou permanente da corrente de carga em função de algumas premissas. Sobre isso, analise as afirmativas a seguir.
I. Sobrecarga contínua onde a máquina que está acoplada ao motor solicita uma maior potência no eixo.
II. Sobrecarga intermitente onde a máquina que está acoplada ao motor solicita uma maior potência no eixo a intervalos de tempos conhecidos ou não (regime de funcionamento).
III. Rotor travado na partida, que ocorre durante a partida, indica que o conjugado de carga pode superar o conjugado motor resultando no travamento do rotor.
IV. Rotor travado em operação normal, que ocorre durante o seu funcionamento normal, indica que o motor pode ser solicitado por um conjugado de carga que supera o conjugado motor, resultando no travamento do rotor.
V. Repartida, onde, após iniciado a sua parada pode ocorrer um religamento do motor, denominado também reacionamento.
VI. Tensões desbalanceadas onde as tensões entre fases ou entre fases e terra, são diferentes e acarretam tensões de sequência são positivas responsáveis por conjugados resistentes e colocam o motor em curto-circuito.
VII. Falta de fase que pode ter origem na queima de um fusível ou simplesmente na ruptura do condutor de fase, o que ocasiona uma sobrecarga nas fases remanescentes.
Das condições apresentadas, está incorreta:
Provas
Tendo como base de conhecimento a proteção de sistemas elétricos, os relés que se caracterizam por apresentar uma família de curvas que permite uma longa temporização, eliminando a atuação do disjuntor em sobrecargas elevadas, como na partida de motores de indução ou ainda, uma sobrecarga moderada, mas de tempo elevado, eles apresentam curvas de temporização inversa longa. Uma aplicação também muito utilizada de relés de sobrecorrente é aquela que se refere aos transformadores de potência e são considerados os seguintes casos:
I. Defeitos em enrolamentos de transformadores ligados em triângulo.
II. Proteção de carcaça.
III. Proteção de neutro.
Em relação às possibilidades apresentadas, assinale a alternativa correta.
Provas
Tendo como base de conhecimento os sistemas de proteção elétrica, diz-se que os relés de sobrecorrente de ação indireta, também conhecidos como relés secundários, são fabricados em unidades. Sobre o assunto, analise as afirmativas a seguir.
I. Unidades monofásicas.
II. Alimentados por transformadores de corrente ligados ao circuito.
III. Utilizados na proteção de subestações industriais de médio e grande portes, na proteção de motores e geradores e banco de capacitores.
Estão corretas as afirmativas:
Provas
Numa lâmpada incandescente os gases inertes impedem a evaporação do filamento aquecido (por exemplo o tungstênio) aumentando o rendimento. Assinale a alternativa que não apresenta um gás que é utilizado dentro do invólucro.
Provas
Leia o texto a seguir:
Lâmpadas fluorescentes convencionais emitem luz gerada pela passagem de corrente por meio do , com emissão de radiação ultravioleta que excita a pintura fluorescente interna do bulbo, emitindo luz visível. Essa pintura fluorescente oferece as diferentes alternativas de cor adequadas às mais diversas aplicações.
Assinale a alternativa que preencha corretamente a lacuna.
Provas
Na luminotécnica o Fluxo luminoso é a potência de energia luminosa de uma fonte percebida pelo olho humano ou a quantidade total de luz emitida por uma fonte luminosa. Essa quantidade tem sua grandeza expressa em .
Assinale a alternativa que preencha corretamente a lacuna.
Provas
Avalie as afirmativas que seguem, tendo como base a avaliação das potências presentes em um circuito elétrico passivo contendo indutores, capacitores ou ambos.
I. O efeito líquido da potência reativa é nulo e não degrada/altera a operação de sistemas elétricos.
II. A potência reativa é a potência que não realiza qualquer trabalho de forma efetiva.
III. A unidade da potência reativa é medida em Volt Ampère Reativo.
Estão corretas as afirmativas:
Provas
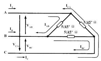
Avalie o circuito elétrico a seguir. Trata-se de um sistema trifásico a três fios, com sequência de fases ABC e um valor eficaz de tensão de linha igual a 120 V e tem três impedâncias de 5,0Ω em uma conexão Delta. Assinale a alternativa que apresenta o valor máximo da tensão de linha (tirando o valor de cada fase).

Provas
Caderno Container