Foram encontradas 480 questões.
Considere a independência e a harmonia dos Poderes Legislativo, Judiciário e Executivo no tocante ao exercício de suas funções analisando as afirmações abaixo e responda em seguida.
I. “O poder é uno e indivisível” e essa assertiva encontra explicação direita e taxativa na própria definição de poder. Nessa perspectiva, devem ser entendidas a unidade e a indivisibilidade do poder. Contudo, é plenamente possível vislumbrar-se uma divisão das funções estatais que podem, estas sim, ser exercidas por órgãos e sujeitos diferentes.
II. A elaboração de uma lei pelo Poder Judiciário deve ser seguida da conveniente atuação do Poder executivo com a finalidade de que a norma produza, na prática, todos os efeitos que lhe sejam pertinentes. Tal relação entre os Poderes não demonstra que um está a serviço do outro, pelo contrário, deve ser vista como reflexo das atribuições funcionais desses órgãos como agentes do Estado.
III. Os Poderes estatais exercem funções típicas e funções atípicas, estas últimas de verdadeira interferência uns nos outros. Essa interação cria “freios e contrapesos” que garantem o funcionamento equilibrado do sistema estatal.
Estão corretas as afirmativas:
Provas
Responda a questão com base no circuito a seguir.

O valor de pico-a-pico em que o resistor de !$ 4 \ \Omega !$ (indicado pela seta dupla) está submetido, tem aproximadamente o valor descrito na alternativa:
Provas
O Assistente Social que, em sua atuação, não cumprir com as disposições do Código de Ética Profissional, pode ser penalizado com:
Provas
A organização político-administrativa da República Federativa do Brasil compreende a União, os Estados, o Distrito Federal e os Municípios, todos autônomos, nos termos da Constituição Federal.
Com base nesse preceito, assinale a alternativa correta.
Provas
Leia a sentença a seguir e preencha a lacuna:
“Para fins de fortalecimento dos Conselhos de Assistência Social dos Estados, Municípios e Distrito Federal, o percentual dos recursos transferidos deverá ser gasto com àqueles colegiados, na forma fixada pelo Ministério do Desenvolvimento Social e Combate à Fome, sendo vedada a utilização dos recursos para pagamento de pessoal efetivo e de gratificações de qualquer natureza a servidor público estadual, municipal ou do Distrito Federal”.
Assinale a alternativa que completa corretamente a lacuna.
Provas
A identidade própria da Educação de Jovens e Adultos (modalidade básica da educação) considerará:
I. O Princípio da Equidade – a identificação e o reconhecimento da alteridade própria e inseparável dos jovens e dos adultos em seu processo formativo, da valorização do mérito de cada qual e do desenvolvimento de seus conhecimentos e valores.
II. Princípio da Diferença – a distribuição específica dos componentes curriculares a fim de propiciar um modelo igualitário de formação e restabelecer a igualdade de direitos e de oportunidades face ao direito à educação Princi da Proporcionalidade – disposição e adequadação dos componentes curriculares face às necessidades próprias da Educação de Jovens e Adultos – EJA com espaços e tempos nos quais as práticas pedagógicas garantam aos seus estudantes identidades formativa comum aos demais participantes da escolarização básica.
III. O Princípio da Proporcionalidade- a disposição e adequação dos componentes curriculares face às necessidades próprias da Educação de Jovens e Adultos com espaços e tempos nos quais as práticas pedagógicas garantam aos seus estudantes identidade formativa comum aos demais participantes da escolarização básica.
IV. A Proposição de Modelo Pedagógico Próprio - apropriação e contextualização das diretrizes curriculares nacionais.
São verdadeiras apenas as afirmações.
Provas
- Assistência SocialLei 8.742/1993: Lei Orgânica da Assistência Social (LOAS)Lei 8.742: Benefícios, Serviços, Programas e Projetos
Para efeito de concessão de prestação continuada, considera-se:
I. Pessoa com deficiência: aquela que tem impedimentos de longo prazo de natureza física, intelectual ou sensorial, os quais, em interação com diversas barreiras, podem obstruir sua participação plena e efetiva na sociedade com as demais pessoas;
II. Impedimentos de longo prazo: aqueles que incapacitam a pessoa com deficiência para a vida independente e para o trabalho pelo prazo mínimo de 2 (dois) anos.
III. Incapaz de prover a manutenção da pessoa com deficiência ou idosa a família cuja renda mensal per capita seja inferior a 1/4 (um quarto) do salário-mínimo.
Estão corretas as afirmativas:
Provas
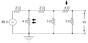
Responda a questão com base no circuito a seguir.

O valor da queda de tensão no resistor de !$ 4 \ \Omega !$ (indicado pela seta simples) tem o valor descrito na alternativa:
Provas
De acordo com o Decreto Estadual de Minas Gerais nº 46.060 de 06/10/2012 que dispõe sobre a prevenção e a punição do assédio moral na administração pública estadual, analise as afirmativas e a seguir responda.
I. Somente mediante expressa autorização da parte ofendida, a entidade sindical ou associação representativa e a autoridade que tiver conhecimento do fato poderão provocar a Administração Pública para iniciar procedimento de apuração da prática de assédio moral.
II. A Comissão de Conciliação será composta, em regra, por um representante da unidade setorial de recursos humanos do órgão ou entidade do agente público ofendido e até dois representantes de entidade sindical ou associação representativa da categoria dos agentes públicos envolvidos.
III. Compete à Comissão de Conciliação, acolher e orientar o agente público que formalizar reclamação sobre prática de assédio moral.
Diante das afirmativas, assinale a alternativa correta.
Provas
A avaliação é uma parte importante de todo o processo de ensino aprendizagem, pois avaliar é:
I. Medir processo ensino/aprendizagem.
II. Oferecer recuperação em longo prazo.
III. Promover cada ser humano.
IV. Vibrar junto a cada aluno em seus lentos, ou rápidos, progressos.
Esta (ão) INCORRETA(S) a(s) afirmativa(s):
Provas
Caderno Container