Foram encontradas 300 questões.
Tratamento térmico é um conjunto de operações de aquecimento e resfriamento a que são submetidos os aços, sob condições controladas de temperatura, tempo, atmosfera e velocidade de resfriamento, com o objetivo de alterar suas propriedades mecânicas e lhes conferir características determinadas. Dentre os tipos de tratamentos térmicos, qual é realizado com o objetivo de refinar a granulação grosseira de peças de aço fundido ou em peças depois de laminadas ou forjadas e que consiste no aquecimento do aço a uma temperatura acima da zona crítica, seguido de resfriamento ao ar?
Provas
Uma importante propriedade mecânica a ser considerada nos materiais é a dureza, pois esta fornece a medida da resistência do material à deformação plástica localizada. Com relação aos ensaios realizados para sua obtenção, é INCORRETO afirmar que
Provas
Com relação às propriedades mecânicas dos materiais, como é denominada a medida de deformação plástica suportada pelo material até a fratura?
Provas
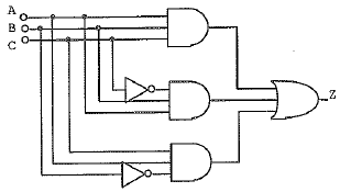
Analise a figura a seguir.

Determine a expressão simplificada da saída ( Z) do circuito lógico da figura acima e assinale a opção correta.
Provas
Observe a figura a seguir.

Nos sistemas de comunicação digital, a saida digital do codificador de fonte (dados) é convertida (ou codificada) em pulsos elétricos (formas de onda) para fins de transmissão no canal. Esse processo recebe o nome de codificação de linha. Assinale opção que indica o nome do código de linha digital apresentado na figura acima.
Provas
Assinale a opção que apresenta um tipo de modulação digital com portadora, no qual a informação do dado transmitido reside na frequência da portadora.
Provas
Um sinal modulado em ângulo, com portadora \( \omega _c \)\( = 4 \pi . 10^5 \) é descrito pela equação \( φ _{EB}(t) = 10.cos(\omega _c t + 10 sen 1000 \pi t + 20 sen 200 \pi t) \). Estime a largura de banda de \( φ _{EB} (t) \) e assinale a opção correta.
Provas
Determine a probabilidade de aparecerem os números 2 ou 5, ao menos uma vez, em duas jogadas de um dado honesto e assinale a opção correta.
Provas
Determine o valor aproximado da eficiência de potência (\( \eta \)) da onda AM, com modulação por tom, quando o índice de modulação (μ) for igual a O, 6 e para a resposta solicitada, assinale a opção correta.
Provas
Tem-se cinco urnas, cada uma com seis bolas. Duas dessas urnas (tipo D1) têm três bolas brancas, duas outras (tipo D2) têm quatro bolas brancas e a última urna (tipo D3) tem 2 bolas brancas. Escolhe-se uma desses urnas ao acaso e dela retiramos uma bola. Determine a probabilidade de uma urna escolhida ser do tipo D3, sabendo que a bola sorteada é branca e assinale a alternativa correta
Provas
Caderno Container