Foram encontradas 900 questões.
Cada fase de um gerador trifásico ligado em delta, alimenta uma corrente com carga máxima de 100A, numa tensão de 220V, e com um FP de 0,8 indutivo. Qual é a potência trifásica desse gerador em quilovolt-ámperes e em quilowatts, respectivamente?
Provas
Um circuito divisor de tensão é formado por uma associação de 2 resistores, R1 e R2, em série de modo que a resistência total é de 150ohms. Se a tensão de saída é de 20% da tensão de entrada, qual opção apresenta os valores dos 2 resistores?
Provas
Qual é o valor da queda de tensão de um alimentador, quando percorrido por uma corrente de 50A, sabendo-se que o alimentador possui uma resistência de 0,25.!$ \Omega !$ e está submetido a uma tensão de 220volts/60Hz?
Provas
Os transformadores para instrumentos são equipamentos elétricos projetados e construídos, especificamente, para alimentarem instrumentos elétricos de medição, controle ou proteção. Os transformadores descritos são:
Provas
Com relação às características elétricas e magnéticas de um transformador ideal, assinale a opção INCORRETA.
Provas
A corrente nominal de um motor trifásico de 10cv, com rendimento de 90%, sob uma tensão nominal de 440V, com fator de potência igual a 0,90 é, aproximadamente, igual a:
Provas
Em relação às leis de Kirchhoff, assinale a opção INCORRETA.
Provas
Um motor com 15kW de carga máxima retira uma corrente de 70A de uma linha de 240V. Qual é a eficiência aproximada do motor?
Provas
Com relação ao transdutor é correto afirmar que é um dispositivo que:
Provas
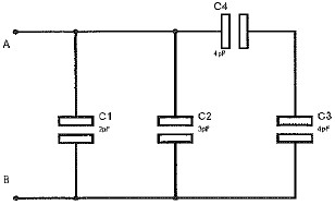
Observe a figura a seguir.

Calcule a capacitância total entre os pontos A e B da rede capacitiva representada acima, e assinale a opção correta.
Dados: C1 = 2pF, C2 = 3pF, C3 = 4pF, C4 = 4pF
Provas
Caderno Container