Foram encontradas 900 questões.
Qual é o tipo de conexão entre dois transistores na qual os dois coletores estão ligados e o emissor do primeiro está conectado à base do segundo?
Provas
Um capacitar é introduzido em um circuito para se obter uma corrente adiantada de 5A. Se a tensão for de 110V em 30Hz, qual é a capacitância aproximada?
Provas
Qual é a resistência de um fio que possui resistividade de 34,1CM!$ \Omega !$/m, área da secção reta de 2000cm e comprimento de 152,5m?
Provas
Qual é o tipo de memória que possibilita realizar leitura, programação e apagamento de dados?
Provas
Qual a função de um varistor?
Provas
Observe a figura a seguir.

Dado:Sensibilidade do voltímetro igual a 20 k!$ \Omega !$/V.
Um militar, ao realizar a leitura de um voltímetro, representado pela letra "V" na figura acima, em escalas distintas, observou que os valores apresentados possuíam uma diferença significativa para cada escala utilizada. Qual é a causa dessa discrepância?
Provas
Com relação ao termopar, é correto afirmar que são pares de metais:
Provas
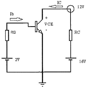
Observe a figura a seguir:

Qual é o valor dos resistores RB e RC, respectivamente, representados na figura acima, para polarizar o transistor com as seguintes características:
Dados: VCE = 12V, Ib = 10uA
VBE = 0,7V e Ic = 3mA
Provas
A frequência crítica de um circuito que utiliza apenas resistores e um capacitar é aquela em que:
Provas
Considere que um motor de corrente alternada funciona com 75% de fator de potência e retira 4A de uma linha de 110 Vca. Calcule a potência aparente e a potência real, respectivamente, e assinale a opção correta.
Provas
Caderno Container