Foram encontradas 50 questões.
Observe a figura a seguir.

A ponte de Wheatstone é um instrumento utilizado para determinar o valor da resistência elétrica de um resistor. É constituída de quatro resistores R1, R2, R3 e R4 ligados segundo os lados de um losango. Entre dois vértices opostos liga-se uma fonte de CC, e entre os outros dois, um galvanômetro G (instrumento que detecta correntes elétricas de pequena intensidade), conforme a figura acima. Dado R1=2200!$ \Omega !$, R2=1200!$ \Omega !$ e R3=3600!$ \Omega !$, a ponte de Wheatstone estará em equilíbrio quando R4 for igual a:
Provas
Um sistema elétrico trifásico equilibrado alimenta uma carga ligada em estrela com o valor de 15!$ \Omega !$, em cada ramo, através de uma tensão de linha de 220volts/60Hz. Qual é a corrente de linha?
Provas
Foram realizadas duas medições em um motor de indução, trifásico, 440V, 60Hz, rotor tipo gaiola, sendo a primeira delas, com o motor em vazio e a segunda com o motor em plena carga, obtendo-se os valores 1790rpm e 1710rpm, respectivamente. Assinale a opção que apresenta, respectivamente, o número de polos e o escorregamento, em plena carga, desse motor.
Provas
Observe a figura a seguir.

Assinale a opção que apresenta, respectivamente, os valores de tensão e de resistência de Thevenin entre os terminais a e b da figura acima.
Provas
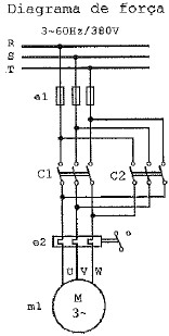
Observe a figura a seguir.

O diagrama ilustrado acima mostra um motor de indução trifásico alimentado por uma rede elétrica trifásica em que as fases são R, S e T e o motor é comandado por chaves contataras C1 e C2. Com base no funcionamento do circuito e no diagrama de força, assinale a opção correta.
Provas
Um motor assíncrono de 8 polos, alimentado em 220V, 60Hz, apresenta um campo magnético girante cuja frequência, em Hertz, é igual a:
Provas
No levantamento de dados para a realização de um cálculo luminotécnico, todas as informações abaixo são necessárias, EXCETO:
Provas
Observe a figura a seguir.

As redes de distribuição são classificadas segundo diversos esquemas de aterramento, que diferem entre si em função da situação da alimentação e das massas com relação à terra. Apresentação da figura acima refere-se ao esquema:
Provas
Com relação aos instrumentos de medidas, é correto afirmar que:
Provas
Assinale a opção que completa corretamente as lacunas da sentença abaixo.
Com relação a análise de circuitos em regime permanente, é correto afirmar que em um circuito puramente indutivo, ao se aplicar uma tensão CA, a corrente resultante que passa pela induntância estará com relação a tensão da indutância de um ângulo de graus.
Provas
Caderno Container