Foram encontradas 900 questões.
Qual é a tensão de polarização direta de um diodo retificador ideal?
Provas
A resolução em um equipamento de medição analógico representa:
Provas
Observe a figura a seguir.

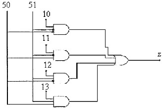
O circuito acima representa qual estrutura lógica?
Provas
Observe a figura abaixo.

Utilizando o diagrama de portas lógicas acima, obtém-se a saída S igual a:
Provas
Um amplificador possui as seguintes frequências de corte: f1 = 3Hz e f2 = 300kHz. Qual o valor da banda média?
Provas
Qual a principal vantagem de se utilizar um acoplador óptico?
Provas
Com relação ao diagrama de Karnaugh, é correto afirmar que é um diagrama:
Provas
O número 29 está representado no sistema de numeração decimal. Realizando a conversão desse número para o sistema de numeração hexadecimal, obtém-se:
Provas
Calcule a razão de espiras de um transformador usado para "casar" uma carga de 19.600!$ \Omega !$ com uma carga de 400!$ \Omega !$, e assinale a opção correta.
Provas
A função prática de um analisador de espectro é analisar um sinal no domínio:
Provas
Caderno Container