Foram encontradas 900 questões.
Assinale a opção que completa corretamente as lacunas da sentença abaixo.
Deve-se compensar uma ponta de prova em um osciloscópio analógico da seguinte forma: conectar a ponta na entrada do CH1 e o lado da medição da ponta de prova , girando, em seguida, o até se verificar uma .
Provas
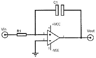
Observe a figura a seguir.

O circuito acima realiza a operação matemática entre Vout e Vin denominada:
Provas
Assinale a opção que completa corretamente as lacunas da sentença abaixo.
As características corretas em um amplificador emissor-comum com transistor pnp em ganho de 100 na saída são: sinal amplificado em 100 vezes na saída de sinal.
Provas
Qual é a função de um capacitar de BYPASS em um circuito?
Provas
Com relação à família CMOS de portas lógicas, pode-se afirmar que:
Provas
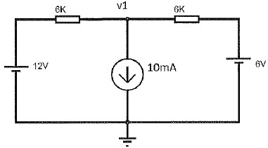
Observe a figura a seguir.

Qual é a diferença de potencial V1 indicada no circuito acima?
Provas
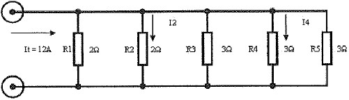
Observe a figura a seguir.

Calcule I2 e I4, respectivamente, no circuito divisor de corrente paralelo, representado acima, e assinale a opção correta.
Provas
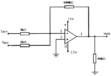
Observe a figura a seguir.

Qual é a tensão de saída (vout) do circuito da figura acima?
Provas
Observe o circuito representado a seguir.

No circuito acima, a ponte de WHEATSTONE está em equilíbrio. Qual é o valor do resistor R3?
Dados:
R1 = 1K!$ \Omega !$
R2 = 10K!$ \Omega !$
R4 = 50K!$ \Omega !$
VIN = 11V
Provas
O tipo de amplificador que isola dois estágios, mas mantém a tensão de saída do primeiro estágio igual à tensão de entrada do segundo estágio é o:
Provas
Caderno Container