Foram encontradas 750 questões.
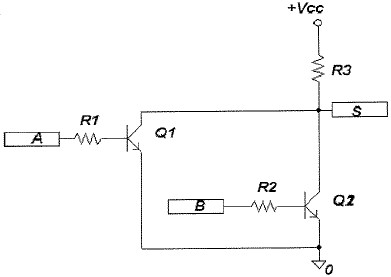
Analise o diagrama esquemático elétrico abaixo.

Considerando que o circuito elétrico representado no diagrama esquemático elétrico está dimensionado para que os transistores trabalhem nas regiões de corte e saturação, assinale a opção correta.
Provas
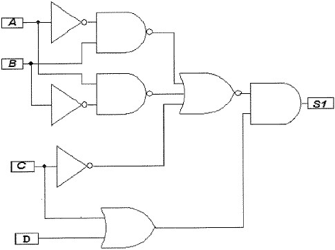
Observe o diagrama esquemático elétrico abaixo.

Com base no diagrama apresentado, assinale a opção que apresenta a função Boleana executada.
Provas
Assinale a opção que apresenta a correta utilização dos Teoremas de De Morgan.
Provas
O TIRISTOR é um dispositivo eletrônico
Provas
O DIODO ZENER às vezes é chamado de "diodo regulador de tensão", uma vez que, dependendo da topologia do circuito elétrico em que se encontra, pode ser capaz de manter uma tensão entre seus terminais constante, embora a corrente varie. Para que o diodo ZENER atue como regulador de tensão, é necessário polarizá-lo
Provas
Assinale a opção que indica o endereço final de uma memória de 1 Mega x 16 bits de dados.
Provas
Assinale a opção que apresenta a correta representação da conversão do numero 13410 para o sistema hexadecimal.
Provas
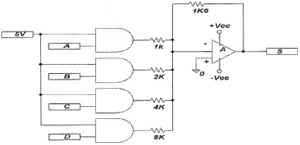
Observe o diagrama esquemático elétrico abaixo.

As portas lógicas do conversor digital-analógico apresentado no diagrama esquemático pertencem à família TTL; operam idealmente (i.e. nível lógico 1 = 5volts, nível lógico 0 = 0 volts); e o amplificador A é ideal e alimentado por fonte simétrica de +15V e -15V. Com base no diagrama e nas informações mencionadas, assinale a opção que indica a melhor aproximação para o valor de tensão de saída do circuito para as entradas A = 5 volts; B= 0 volt; C= 5 volts; D = 0 volt.
Provas
Observe o diagrama esquemático do Flip-Flop do tipo J-K apresentado abaixo:

com base na análise do componente apresentado, qual o procedimento que deve ser realizado para transformar um Flip-Flop J-K em um Flip-Flop Tipo D?
Provas
Observe a Tabela Verdade para 4 variáveis apresentada abaixo. A tabela representa um circuito digital combinacional, de entradas A,B,C,D, e saída S.

Considerando a tabela verdade, assinale a opção que apresenta sua expressão minimizada. (sugestão: utilize o Diagrama de Veitch-Karnaugh para 4 variáveis):
Provas
Caderno Container