Foram encontradas 750 questões.
O recebimento de uma duplicata com juros de mora será contabilizado através de um lançamento
Provas
Uma empresa encomendou a uma fornecedora uma prensa, cujo prazo de entrega está estipulado em 18 meses. A fornecedora exigiu um adiantamento de R$ 10.000,00, Esta receita recebida antecipadamente deverá ser classificada
Provas
Uma empresa realizou as seguintes operações durante o mês de dezembro de 2005:
1) prestou serviços no valor de RS 20.000,00, recebendo R$ 10.000,00 em 15/12/2005, sendo o restante recebido em 15/01/2006.
2) contratou, com uma seguradora, seguro contra incêndio de suas instalações, pelo período de 01/12/2005 a 01/12/ 2006. O valor pago foi de R$ 7.200,00.
3) adquiriu, em 10/12/2005, material de escritório no valor de R$ 500,00, pagando à vista. Durante o mês, o material não foi consumido.
Pelos Regimes de Caixa e de Competência, os resultados corretos são, respectivamente:
Provas
Em 31/12/2005, uma Companhia apresentou patrimônio com capital social no valor de R$ 20.000,00, obrigações no valor de R$ 18.000,00, bens e direitos no valor de R$ 40.000,00. Diante desses dados, é correto afirmar que o
Provas
Observe a relação de contas abaixo.
Fornecedores;
Receita de Dividendos;
Salários a pagar;
Despesas pagas antecipadamente;
e Mercadorias.
Com base na relação de contas mencionada é correto afirmar que são apresentadas
Provas
O acúmulo de cargas estáticas, descargas atmosféricas, defeitos em linhas de transmissão, etc, são capazes de provocar interferências e danos nos circuitos elétricos, motivando quedas de tensão, picos e outros transientes indesejáveis sobre a rede elétrica de 127 volts. Os picos de tensão, apesar de terem curta duração, podem atingir valores de 500 volts ou mais. Assinale a opção que indica o nome do dispositivo semicondutor, que funciona como dois diodos ZENER ligados em anti-série, com tensão de ruptura alta nos dois sentidos (e.g. acima de 150 volts), usado para absorver os picos de tensão.
Provas
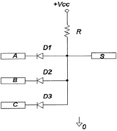
Analise o diagrama esquemático elétrico abaixo.

Em determinadas ocasiões, pode-se utilizar diodos como chaves e, quando devidamente conectados, utilizá-los para a construção de circuitos elétricos capazes de implementar as funções Boleanas E (“AND"), e OU ("OR"). Considerando o circuito elétrico representado pelo diagrama, é correto afirmar, em relação ao funcionamento ideal, que o referido circuito é capaz de implementar um
Provas
Um técnico necessita monitorar uma corrente contínua da ordem de 1500 A. Para tal, é correto afirmar que ele necessita de um transdutor
Provas
Observe o diagrama esquemático elétrico.

A bobina, de núcleo de ar, tem 4 cm de comprimento e possui 8 espiras. Ao se fechar a chave S1, passa pela bobina uma corrente de 2 A. Calcule a intensidade do campo em Ampere.espira/metro (Ae/m) na bobina e assinale a opção correta.
Provas
Examine o diagrama esquemático elétrico abaixo.

Considerando o circuito do diagrama esquemático elétrico, a entrada de tensão é dada pela fonte AC V1 e a saída de tensão entre os nós N1 e N2. É correto afirmar que o circuito elétrico pode ser usado como
Provas
Caderno Container