Foram encontradas 750 questões.
Analise o diagrama esquemático elétrico apresentado abaixo.

Com base na análise do circuito, calcule a corrente fornecida por V1, em valor eficaz, dado que os capacitores e os indutores são ideais e V1=10 sen 40t (Volts), L1=L2=125 mH, C1=C2=5000µF, R1=10 \( \Omega \). Use \( \sqrt{2} \)=1,4.
Provas
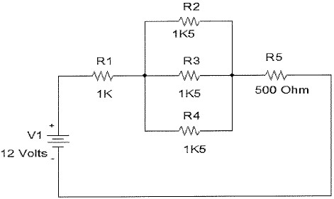
Observe o diagrama esquemático elétrico abaixo.

Assinale a opção que indica o valor da corrente que circula no resistor R2 no circuito
Provas
Analise o diagrama esquemático elétrico abaixo.

A melhor aproximação para a frequência de corte do circuito elétrico apresentado, para uma tensão lida sobre o capacitor, é
Provas
Em um motor de CC, a armadura é a parte que
Provas
Na transmissão de um sinal, a técnica usada para reforçar o ganho da amplificação do sinal modulante na região de mais altas frequências, denomina-se
Provas
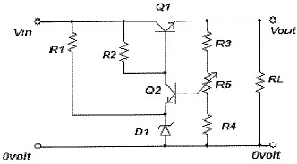
Analise o diagrama esquemático elétrico abaixo.

Considerando que o circuito apresentado no diagrama foi projetado para funcionar como regulador de tensão discreto, assinale a opção correta.
Provas
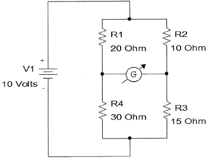
Analise o diagrama esquemático elétrico abaixo.

A Ponte de Wheatstone representada no esquemático é integrante de um equipamento de medidas. Após sofrer uma avaria, o galvanômetro passou a acusar uma tensão de 1 VDC. Ao abrir o equipamento para reparo, o técnico observou que a causa do defeito era o resistor R3. Que valor de resistência o resistor passou a apresentar?
Provas
Assinale a opção que apresenta a razão de espiras de um transformador dimensionado para casar uma carga de 20 \( \Omega \) com outra de 72 k\( \Omega \),
Provas
Uma indutância de 5 \( \Omega \) de resistência e 12 \( \Omega \) de reatância está ligada a uma linha CA de 117V e 60 Hz. Calcule a potência aparente em Volt.Ampere (VA) e assinale a opção correta.
Provas
A corrente de Norton é muitas vezes chamada de corrente de carga em curto-circuito, porque ela é igual à corrente que circularia se a resistência de carga fosse zero. Para um determinado circuito elétrico, de comportamento linear, é correto afirmar que
Provas
Caderno Container