Foram encontradas 750 questões.
Calcule o valor da velocidade de transmissão de um equipamento telex, expressa em BAUD, que representa a quantidade de elementos de sinal por segundo, sendo “t' a duração do elemento e igual a 20ms, e assinale a opção correta.
Provas
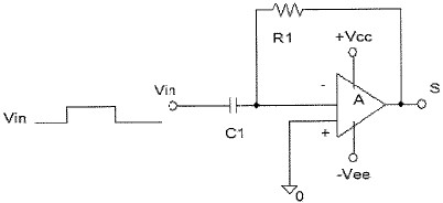
Observe o diagrama esquemático elétrico abaixo.

O circuito elétrico do diagrama foi projetado para atuar como “diferenciador ideal com amplificador operacional".
Considerando que i = C dv/dt, assinale a opção que apresenta a melhor aproximação para forma de onda na saída S do circuito, para um sinal de entrada Vin tipo "degrau", conforme apresentado.
Provas
Observe o diagrama esquemático elétrico abaixo.

O diagrama apresenta um circuito elétrico parcialmente conectado. Assinale a opção que completa corretamente as lacunas da sentença abaixo.
O conjunto de conexões que transforma este circuito em um oscilador de deslocamento de fase é formado por pino 9 de R2 ligado ao ; pino 3 de R2 ligado ao ; e pino 10 de C1 ligado ao .
Provas
A potência na derivação de um acoplador direcional é 2,5% da potência na entrada. Considerando log5 = 0,7; log2 = 0,3 e log40 = 1,6, calcule a atenuação da derivação e assinale a opção correta.
Provas
Se atenuarmos um sinal analógico em 6 dB, sua potência será reduzida a que percentual do sinal original?
Provas
Observe o diagrama em blocos abaixo.

Calcule o desvio máximo de frequência, do sinal na antena de um transmissor heterodino de FM de acordo o diagrama apresentado, usando um modulador PLL com a frequência de portadora de 860 KHz e desvio máximo de frequência de 520 Hz. Os dois grupos de multiplicadores são de 12 vezes cada um e a portadora final na antena tem que ser de 100 MHz.
Provas
Calcule o valor da intensidade do tráfego, em Erlang (Erl), originado por 100 assinantes, em que cada um apresenta uma intensidade de ocupação de 2 chamadas/hora, e as chamadas têm duração média de 180 segundos (s).
Provas
Calcule o índice de modulação de uma portadora e0(t) = 100.cos2n.108t, que é modulada em FM por uma cossenóide de 1KHz e 40 Vpp em um circuito, cuja constante de modulação em frequência (Kt) é igual a 10.\( \pi \) rd/Vs e, em seguida, assinale a opção correta,
Provas
O processo que consiste em se alterar uma característica da onda portadora, proporcionalmente ao sinal modulante, denomina-se
Provas
Uma fibra óptica possui um índice de refração de 1,33. Um reflectômetro óptico de domínio de tempo (OTDR) está a 1,2 km de um ponto de quebra na fibra. Calcule o tempo necessário para o OTDR detectar a reflexão no ponto de quebra e assinale a opção correta.
Provas
Caderno Container