Foram encontradas 544 questões.
1408479
Ano: 2008
Disciplina: Inglês (Língua Inglesa)
Banca: GPG Concursos
Orgão: Polícia Científica-SC
Disciplina: Inglês (Língua Inglesa)
Banca: GPG Concursos
Orgão: Polícia Científica-SC
Provas:
The Ilha de Santa Catarina, aka Florianópolis, is known throughout Brazil for its miles and miles of gorgeous beaches, excellent seafood, and traditional Azorean fishing villages. Figuring out the names may be the only complicated part of a visit to this most laid-back of Brazilian beach destinations. Florianópolis, the city, is the capital of the state of Santa Catarina. Florianópolis is also located on the island of Santa Catarina. Island and city together are usually just referred to as Florianópolis, which people often then shorten to Floripa. Confused? Don't worry, it's the beaches that matter.
The word aka means:
Provas
Questão presente nas seguintes provas
1408456
Ano: 2008
Disciplina: Inglês (Língua Inglesa)
Banca: GPG Concursos
Orgão: Polícia Científica-SC
Disciplina: Inglês (Língua Inglesa)
Banca: GPG Concursos
Orgão: Polícia Científica-SC
Provas:
Forensic science is so popular that schools use it to get students interested in chemistry and biology, and new college programs seem to pop up every semester. Educated first by "C.S.I." and "Law and Order," students go on to appreciate the procedures and precision of the science as much as figuring out whodunit. Consider all the exacting specialties in which a forensic scientist can be certified: footwear, DNA, hair and fibers, drug chemistry, fire debris, to name a few.
Which of the alternatives below is represented on the text by the expression whodunit?
Provas
Questão presente nas seguintes provas
Sobre os sistemas de reprodução masculino e feminino é correto afirmar que:
I. O sistema reprodutor masculino é formado por: Testículos ou gônadas; Vias espermáticas: epidídimo, canal deferente, uretra; Pênis; Escroto; e Glândulas anexas: próstata, vesículas seminais, glândulas bulbouretrais.
II. Epidídimos são dois tubos que partem dos testículos, circundam a bexiga urinária e unem-se ao ducto ejaculatório, onde desembocam as vesículas seminais.
III. Canais deferentes são dois tubos enovelados que partem dos testículos, onde os espermatozóides são armazenados.
IV. Próstata é uma glândula localizada em cima da bexiga urinária. Secreta substâncias alcalinas que neutralizam a acidez da urina e ativa os espermatozóides.
A alternativa correta é:
Provas
Questão presente nas seguintes provas
No circuito abaixo, a fonte de corrente é ideal e independente e a fonte de tensão é ideal e controlada pela corrente que atravessa o indutor, indicada por iL(t). Se ig(t) = 6 sen(20.000 t – !$ \pi !$/2 rad.), a potência média dissipada no resistor será igual a:

Provas
Questão presente nas seguintes provas
Com base na tabela de graus de ionização apresentada a seguir podemos concluir que o ácido mais forte é:

Provas
Questão presente nas seguintes provas
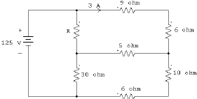
Para o circuito abaixo, a fonte de tensão é do tipo independente e fornece tensão contínua. Sabendo que a corrente no ramo superior é igual a 3 A, pode-se afirmar que a resistência do resistor R, a potência desenvolvida pela fonte de tensão, a potência dissipada no resistor de 5 !$ \Omega !$ e a potência dissipada no resistor de 10 !$ \Omega !$ são dadas, respectivamente, por:

Provas
Questão presente nas seguintes provas
Dentre as alternativas descritas abaixo, somente uma delas descreve um conjunto feito, única e exclusivamente, de tipos de antenas. Assinale a alternativa correta:
Provas
Questão presente nas seguintes provas
O requisito de projeto que NÃO é garantido quando se utiliza um controlador Proporcional Integral (PI) em uma planta de primeira ordem com atraso não dominante, é:
Provas
Questão presente nas seguintes provas
1407950
Ano: 2008
Disciplina: Direito Constitucional
Banca: GPG Concursos
Orgão: Polícia Científica-SC
Disciplina: Direito Constitucional
Banca: GPG Concursos
Orgão: Polícia Científica-SC
Provas:
Assinale a alternativa correta
Provas
Questão presente nas seguintes provas
O Ministério Público Federal tem apurado inúmeras denúncias sobre a venda ilegal do veneno chamado popularmente de chumbinho. Um conjunto de ações de diversos órgãos públicos tem conscientizado a população sobre os riscos do uso do chumbinho e os vendedores, sobre a ilegalidade da venda do produto para uso doméstico (como por exemplo, veneno para ratos), ou seja, a venda do agrotóxico para fins que não sejam agrícolas. Em praticamente todo o Brasil, os Institutos Médicos Legal vem recebendo vítimas fatais de intoxicação por este veneno. A respeito deste tema assinale a alternativa correta.
Provas
Questão presente nas seguintes provas
Cadernos
Caderno Container