Foram encontradas 544 questões.
Com relação ao reprocessamento de instrumental cirúrgico que tenha entrado em contato com material biológico de paciente com suspeita de Encefalopatia Espongiforme Transmissível (EET) é INCORRETO afirmar:
Provas
Questão presente nas seguintes provas
1406164
Ano: 2008
Disciplina: TI - Sistemas Operacionais
Banca: GPG Concursos
Orgão: Polícia Científica-SC
Disciplina: TI - Sistemas Operacionais
Banca: GPG Concursos
Orgão: Polícia Científica-SC
Provas:
Uma das atividades mais importantes no gerenciamento de servidores é a criação de cópias segurança de diretórios e/ou arquivos em sistemas do tipo GNU/Linux. Qual o comando apropriado para agrupar o diretório de logs (FHS) do sistema e seus sub-diretórios em um único arquivo denominado copia.tar:
Provas
Questão presente nas seguintes provas
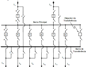
A configuração do arranjo de barras de uma subestação é feita de acordo com o diagrama unifilar apresentado na figura.

Todas as linhas e alimentadores estão operando normalmente com a utilização exclusiva da barra principal. O disjuntor de transferência e suas seccionadoras estão abertos e a barra de transferência está sem tensão. Por inspeção visual em todos os equipamentos da subestação, a equipe de manutenção verificou a necessidade de intervenção no disjuntor 5. Das alternativas indicadas, qual a que representa a melhor sequência de manobras para isolar com segurança o disjuntor 5, sem perda da continuidade de serviço da subestação.
Provas
Questão presente nas seguintes provas
Ao reagir, a configuração eletrônica dos átomos é alterada pela formação de ligações químicas. Sobre a teoria das ligações químicas é correto afirmar:
I. Na ligação iônica, se o elétron é perdido por M e ganho por X, todo o processo pode ser representado por: M(g) + X(g) !$ \rightarrow !$ M+ (g) + X-(g)
II. A remoção ou adição de elétrons afeta marcantemente o tamanho das partículas. A menor espécie entre um íon Fe2+ ou um íon Fe3+ é o íon Fe2+
III. A fórmula empírica do nitreto de potássio é K5N. (configuração eletrônica do N: 1s2 2s2 2p3)
IV. Os elementos situados próximos a um gás nobre na Tabela Periódica (os três elementos que precedem o neônio e os três elementos seguintes ao neônio, formam íons que possuem o mesmo número de elétrons do átomo de gás nobre.
Responda corretamente:
Provas
Questão presente nas seguintes provas
1405943
Ano: 2008
Disciplina: Fonoaudiologia
Banca: GPG Concursos
Orgão: Polícia Científica-SC
Disciplina: Fonoaudiologia
Banca: GPG Concursos
Orgão: Polícia Científica-SC
Provas:
Sobre os cuidados com a voz profissional é incorreto afirmar:
I. O primeiro objetivo do programa vocal é identificar e eliminar os fatores que causam abuso e mau uso vocal.
II. O profissional deve maximizar o tempo de fala e a competição com ruído ambiental.
III. Hábitos como tossir, gritar, pigarrear, fumar, ingerir álcool e utilizar pastilhas e “sprays” devem ser evitados.
IV. A lubrificação da laringe (da qual depende a movimentação da mucosa durante o ciclo vibratório), através da hidratoterapia deve ser constante, a fim de reduzir a viscosidade do muco da laringe.
É correto afirmar que:
Provas
Questão presente nas seguintes provas
No sistema operacional Windows XP, a extensão de um arquivo indica seu formato, permitindo que Sistema Operacional escolha em qual programa ele será automaticamente aberto. Com relação a este assunto É INCORRETO afirmar que:
Provas
Questão presente nas seguintes provas
1405774
Ano: 2008
Disciplina: Fonoaudiologia
Banca: GPG Concursos
Orgão: Polícia Científica-SC
Disciplina: Fonoaudiologia
Banca: GPG Concursos
Orgão: Polícia Científica-SC
Provas:
As seguintes estruturas fazem parte do sistema auditivo:
I. Órgão sensorial.
II. Vias auditivas do sistema nervoso.
III. Estruturas cerebrais.
IV. Estruturas tálamo-cerebelares.
II. Vias auditivas do sistema nervoso.
III. Estruturas cerebrais.
IV. Estruturas tálamo-cerebelares.
É correto afirmar que:
Provas
Questão presente nas seguintes provas
O número de prótons, nêutrons e elétrons constitui dados importantes para caracterizar um átomo. De acordo com estes conceitos fundamentais, identifique a sentença verdadeira.
Provas
Questão presente nas seguintes provas
1405546
Ano: 2008
Disciplina: Fonoaudiologia
Banca: GPG Concursos
Orgão: Polícia Científica-SC
Disciplina: Fonoaudiologia
Banca: GPG Concursos
Orgão: Polícia Científica-SC
Provas:
Após a leitura do enunciado apresentado a seguir, identifique a afirmação correta:
Quanto aos tipos de voz, a insuficiência velofaríngea produz:
I. Voz hipernasal.
II. Voz soprosa.
III. Voz hiponasal.
IV. Bitonalidade.
II. Voz soprosa.
III. Voz hiponasal.
IV. Bitonalidade.
É correto afirmar que:
Provas
Questão presente nas seguintes provas
Hoje, no Brasil, constatamos que existe uma grande diferença entre o modelo clássico de fazer perícia e aquele preconizado pela Instituição Criminalística Brasileira. Pelo modelo desta, o perito oficial goza igualmente de todas as prerrogativas dadas pelo Direito, exceto de livre-arbítrio, o qual é substituído pelos ditames dela. Nem sempre encontramos essa doutrina escrita, mas ela é transmitida de perito para perito; reúne uma série de normas e princípios que condicionam o perito oficial a agir segundo a visão daquela doutrina e não conforme sua consciência individual.
A Doutrina em si, isolada, é ótimo modelo para ser aplicado em perícias de qualquer área científica, por qualquer indivíduo ou entidade, seja ela pública ou privada; porém observa-se que somente será obedecida se o perito estiver “comprometido”, “obrigado”, em forma da lei, pela Instituição Criminalística Brasileira, que em si é a materialização do Instituto do Corpo de Delito (Corpus Delicti), previsto formalmente no Código de Processo Penal.
As instituições de polícia nos demais países ocidentais trazem um ramo de Polícia Científica, também denominada Polícia Técnica, que desenvolve os trabalhos da criminalística. Nesses países, esse ramo se identifica com os valores abrangidos pela Instituição de Polícia, porque o perito atua quase como uma “testemunha técnica”; é livre para agir conforme sua consciência, em prol dessa Instituição.
(Adapt. de A criminalística brasileira – sua doutrina. In: http://www.igp.sc.gov.br )
Observação: Na questão, quando houver um número indicado entre parênteses, este refere-se à linha, no texto, em que se encontra a palavra ou expressão apresentada.
Assinale a alternativa ERRADA.
Provas
Questão presente nas seguintes provas
Cadernos
Caderno Container