Foram encontradas 160 questões.
Uma máquina térmica tem rendimento igual a 0,65. Se o calor emitido para a fonte fria, no intervalo de um minuto, é igual a 900 kJ, então a potência útil gerada pela máquina vale
Provas
Questão presente nas seguintes provas
Uma lâmpada incandescente foi alimentada por uma fonte de corrente alternada senoidal. Com um osciloscópio corretamente ligado observou-se que a corrente de pico era de 1,0 A, enquanto que a tensão de pico era de 310 V. Com essas informações conclui-se que a potência média da lâmpada é
Provas
Questão presente nas seguintes provas
Utilizando multímetro digital na escala de teste de diodo, foram medidos 4 diodos. Conforme os resultados obtidos (figuras abaixo)

É correto afirmar que
Provas
Questão presente nas seguintes provas
Uma massa de gelo de 500 g, inicialmente a uma temperatura de 250 K, é colocada dentro de um recipiente de alumínio de 60 g, em equilíbrio térmico com o gelo. Então, é cedida a esse sistema uma quantidade de calor igual a 60570 Cal, enquanto a pressão é mantida constante. Considerando o ponto de fusão do gelo a 273 K, desprezando as trocas de calor do sistema com o ambiente e sabendo que o calor específico médio da água vale 1 cal/g.ºC, que o calor latente de fusão para o gelo é igual a 80 Cal/g, que o calor específico do gelo vale 0,5 cal/g.ºC e que o calor específico do alumínio é igual a 0,22 cal/g.ºC, ao final desse processo, obtém-se
Provas
Questão presente nas seguintes provas
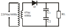
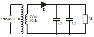
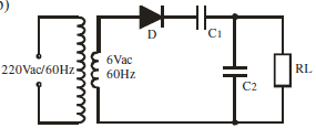
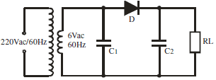
Nas fontes de alimentação, sendo C1 = C2, o circuito que melhor realiza a filtragem é
Provas
Questão presente nas seguintes provas
O ajuste da posição das escovas na zona neutra de um motor de corrente contínua tem a finalidade de:
I. Obter a mínima corrente de armadura.
II. Realizar a melhor comutação.
III. Diminuir o fluxo dos pólos de excitação e com isto aumentar a velocidade do motor.
Estão corretas as afirmativas
Provas
Questão presente nas seguintes provas
Lei de Ampère-Maxwell é uma forma estendida da Lei de Ampère, sendo acrescentado um termo relativo à corrente de deslocamento. É correto afirmar que a corrente de deslocamento
Provas
Questão presente nas seguintes provas
Um circuito magnético linear, enrolado com 300 espiras, possui uma relutância magnética de 9x106 Ae/Wb.
Para que a bobina gere exatamente 50 V, a taxa de variação da corrente na bobina deve ser de
Provas
Questão presente nas seguintes provas
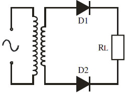
Que retificador NÃO é de meia onda?
Provas
Questão presente nas seguintes provas
Considerando (x0, y0) o centro da hipérbole – 4x2 + 9y2 + 4x + 36y = 1, afirma-se que
Provas
Questão presente nas seguintes provas
Cadernos
Caderno Container