Foram encontradas 229 questões.
Considerando a norma padrão da língua, quanto à conjugação verbal, qual das frases está correta?
Provas
Questão presente nas seguintes provas
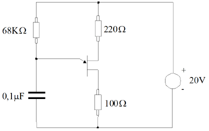
Dado o oscilador de relaxação representada na figura abaixo, e com os seguintes dados:

RBB = 10KΩ;
η = 0,55;
Vv = 1,2V;
Iv = 5mA;
Ip = 50μA.
A frequência do oscilador é
Provas
Questão presente nas seguintes provas
Excesso de bom humor pode atrapalhar desempenho profissional
Existe um ditado que prega que “tudo o que é demais é nocivo”, seja na vida pessoal ou profissional, e por isso é importante saber dosar as emoções e controlar o bom e o mau humor na hora de tomar decisões. Para sermos mais eficazes, é primordial estarmos sempre atentos ao nosso estado interior, pois é ele quem nos influencia no desempenho das atividades cotidianas.
Shana Wajntraub, psicóloga e consultora de carreiras da Eleve Consulting, conta que “pesquisas apontam que o lado positivo de estar com bom humor é que somos mais flexíveis mentalmente, nossa criatividade aflora, nos tornamos melhores na resolução de problemas e mais eficientes ao tomarmos decisões. Já o lado negativo do bom humor, é o de que podemos tomar decisões muito rapidamente ou não prestar a devida atenção aos detalhes de uma tarefa a ser realizada”.
E, para surpresa de muitos, a profissional também explica que “há benefícios de estarmos de mau humor”, e um deles é “a nossa capacidade para focar nos detalhes, ainda que em tarefas repetitivas”. “Também nos tornamos mais céticos, de mau humor, o que pode ser útil em algumas ocasiões. O ponto desagradável é sermos mais pessimistas e negativos ao que estamos levando em consideração, sem falar que uma pessoa mal humorada contamina e perturba a harmonia de uma equipe”, explica.
Disponível em: <http://www.jb.com.br/ciencia-e-tecnologia/noticias/2015/12/10/excesso-de-bom-humor-pode-atrapalhar-desempenho-profissional/> Acesso em: 10 jul. 2016. (adaptado)
Ao abordar a questão do humor, o texto apresenta
Provas
Questão presente nas seguintes provas
Um software aplicativo conhecido como browser ou navegador é utilizado para navegar na Internet.
Além do Chrome e do Mozilla Firefox, são exemplos de navegadores:
Provas
Questão presente nas seguintes provas
Na ferramenta de edição de planilha eletrônica LibreOffice Calc, é possível copiar fórmulas de uma célula para outra. Quando não desejamos que a troca de linha da fórmula copiada reflita esta atualização no seu novo destino, que símbolo devemos utilizar antes do número da linha que queremos manter?
Provas
Questão presente nas seguintes provas
Falta amor no mundo, mas também falta interpretação de texto1
Que me perdoem os analistas de funções, tabelas, números complexos e logaritmos, mas desenvolvi uma teoria baseada em nada além do que meus próprios olhos e ouvidos vêm testemunhando há tempos: considerável parte do desamor que paira hoje no mundo se deve à incapacidade de interpretação de texto. Sim, senhores. A incompreensão da Língua tem deixado as línguas (e os dedos frenéticos que navegam pelos teclados) mais intolerantes, emburrecidos e inacreditavelmente loucos.
Talvez esse bizarro fenômeno se deva à carência de ideologias e certezas, que fizeram Bauman (o sociólogo da moda, salve, salve!) enxergar a “liquidez” da modernidade e a fragilidade de referências. Talvez seja apenas falta do que fazer e uma intensa carência de reconhecimento nas mídias sociais. Ou, quem sabe, Umberto Eco estivesse certo ao afirmar que as redes sociais deram voz aos imbecis. “Normalmente, eles (os imbecis) eram imediatamente calados, mas agora têm o mesmo direito à palavra de um Prêmio Nobel.” Viva a democracia virtual!
Fato é que a imbecilidade se tem traduzido em palavras vindas de mentes que não sabem compreender… palavras! Eros versus Pasquale, Afrodite versus Bilac e a falta de amor no mundo se reduziu a uma simples questão de semântica. Qualquer manifestação minimamente opinativa e já tiram — sabe-se lá de que cartola mágica — uma interpretação maliciosa, completamente descontextualizada e muitas vezes motivada pela leitura de mero título ou pela escolha de imagem ilustrativa.
Só que a falta de compreensão se estende para além das redes virtuais. Basta que haja qualquer debate numa mesa de bar e “Calma lá, meu chapa, não foi isso que eu disse…”, “Você entendeu errado…”, “Não foi isso que eu quis dizer…”. E, de repente, não se diferencia mais quem não sabe falar de quem não sabe entender. O quadro se torna insustentável quando se adicionam como ingredientes hipérbole, metáfora e principalmente ironia fina. Fina mesmo é a distância entre o soco e o infeliz nariz daquele que não se faz compreender.
É claro que o praticante da incompreensão textual jamais se entenderá como parte da porcentagem de analfabetos funcionais. Se as pesquisas apontam que apenas 8% dos brasileiros entre 15 e 64 anos são capazes de se expressar e de compreender plenamente, ele estará no meio. Se fossem 2%, ele estaria no meio. Se apenas um único brasileiro fosse capaz de interpretar texto, certamente seria ele. O drama da incompreensão é que ela distorce a análise de si. Somos textos ambulantes, afinal.
“Estou farto de todo lirismo que capitula ao que quer que seja fora de si mesmo.”, disse Manuel Bandeira, sem saber que, tanto tempo depois, estaria nadando de braçada na (in)compreensão baseada em conteúdo distorcido ou jamais dito por aquele que toma porrada. Nunca se capitularam tantas frases fora de seu contexto, Manuel.
Está faltando amor no mundo, mas disso pelo menos todo mundo sabe. O que falta entender é que falta principalmente interpretação de texto. E quem sabe o mundo possa se amar mais quando todos realmente falarem a mesma língua.
1 Título tomado de empréstimo de Leonardo Sakamoto pelo autor.
Disponível em: <http://www.revistabula.com/6691-falta-amor-no-mundo-mas-tambem-falta-interpretacao-de-texto/> Acesso em: 5 ago. 2016. (Adaptado)
Leia as seguintes frases:
I. “Calma lá, meu chapa, não foi isso que eu disse...”
II. “Você entendeu errado...”
III. “Não foi isso que eu quis dizer...”
É(são) exemplo(s) de discurso direto
Provas
Questão presente nas seguintes provas
Considerando a Lei nº 8.112/90 no que tange aos diretos do servidor é correto afirmar que
Provas
Questão presente nas seguintes provas
O número de chamada de um livro se constitui pelo número de classificação e a notação de autor, formando assim o endereço do livro nas estantes. Numa biblioteca de livre acesso, um usuário necessita localizar as duas obras abaixo.
Para o número de chamada dessas obras, o endereço correto está em
Provas
Questão presente nas seguintes provas
- Transmissão de DadosMeios de TransmissãoMeios Transmissão sem FioSatélite
- Transmissão de DadosPadrões IEEE 802IEEE 802.11: Wireless LAN
Considerando os meios físicos guiados e não-guiados, que são amplamente utilizados para redes de computadores.
Que meio físico não requer cabos físicos em sua instalação, pode atravessar paredes e é amplamente utilizado em redes locais sem fio?
Provas
Questão presente nas seguintes provas
Nos termos da Lei 8.112/90, é correto afirmar que a licença para capacitação poderá ser concedida ao servidor
Provas
Questão presente nas seguintes provas
Cadernos
Caderno Container