Magna Concursos

Foram encontradas 608 questões.

Leia o texto abaixo e responda à questão.
A banalização da vida
Por Lya Luft
Este é talvez um dos fatos mais assustadores e tristes do nosso momento: falta de segurança generalizada, o medo, pois aqui se mata e se morre como quem come um pãozinho. Bala perdida, traficante, bandido graúdo ou pequeno, e o menor de idade, que é o mais complicado: pelas nossas leis absurdas, sendo menor, ele não é de verdade punido(A). É 4 levado para um estabelecimento hipoteticamente educativo e socializador, de onde deveria sair regenerado, com profissão, com vergonha na cara, sair gente. Não sai. Não, salvo raríssimas exceções, e todo mundo sabe disso.
Todo mundo sabe que é urgente e essencial reduzir para menos de 18 anos a idade em que se pode prender, julgar, condenar um assassino feroz, reincidente, cruel e confesso. Mas aí vem quem defenda, quem tenha pena, ah! os direitos humanos, ah! são crianças. São assassinos apavorantes: torturam e matam com frieza de animais, tantas vezes, e vão para a reeducação ou a ressocialização certamente achando graça: logo, logo estarão de volta. Basta ver os casos em que, checando-se a ficha do “menino”, ele é reincidente contumaz.(B)
Outro ponto dessa nossa insegurança é a rala presença de policiais em muitas cidades brasileiras. Posso rodar quarteirões intermináveis de carro, e não vejo um só policial. Culpa deles? Certamente não. Os policiais ganham mal, arriscam suas vidas, são mortos frequentemente(C), são mais heróis do que vilões, embora muitos os queiram enxergar assim(D). Onde não temos policiamento, mais insegurança.
Na verdade, a violência é tão alta e tão geral no país que mesmo porteiros treinados de bons edifícios ou condomínios pouco adiantam: facilmente são rendidos ou mortos, e estamos à mercê da bandidagem.
Banalizamos a vida também nessas manifestações de toda sorte, em que paus, barras de ferro, bombas caseiras, até armas de fogo, não apenas assustam, não só ameaçam, mas aqui e ali matam alguém. Incendeiam-se ônibus não apenas em protesto, mas por pura maldade, com gente dentro, mesmo crianças: que civilização estamos nos tornando? Morrer assassinado, mesmo sem estar no circuito perigoso dos bandidos, dos marginais, começa a se tornar, não ainda banal, mas já frequente: nas ruas, às 10 da manhã, matam-se pais de família ou jovens estudantes ou operários. Não falo em becos onde a violência impera e a mortandade é comum, mas em ruas abertas de bairros de classe média. Não se passa semana sem que se noticie criança morta por bala perdida.
Nada, quase nada mais nos espanta: estamos ficando calejados, não nas mãos por trabalho duro, mas na alma pelo horror que nos assola tanto que a cada vez nos horrorizamos menos.
Quero escrever uma coluna otimista. Quero escrever poemas delicados, romances intensos, crônicas de amor pela cidade, pelas pessoas, pela natureza, quero tudo isso. Mas se tenho voz, e vez, não posso falar de flores enquanto o asfalto mostra manchas de sangue, famílias são destroçadas, ruas acossadas, casas ameaçadas, seres humanos feito coelhos amedrontados sem ter para onde correr, nem a quem recorrer, e não se vê nem uma luz no fim desse túnel.
Pouca esperança real temos. Nós nos desinteressamos para sobreviver emocionalmente diante da horrenda banalização da vida representada não só pela quantidade e violência dos crimes cometidos e impunes como pela punição incrivelmente pequena para quem mata com seu automóvel por correr demais ou dirigir bêbado, por exemplo. O descaso, ou a incompetência, com que tudo isso é administrado nos faz temer outra ameaça ainda: a banalização da vida é o outro lado da banalização da morte.
Fonte : Revista Veja, 26 de março de 2014
Em qual passagem a seguir há correspondência entre o pronome destacado e o referente?
 

Provas

Questão presente nas seguintes provas
2486219 Ano: 2014
Disciplina: Serviço Social
Banca: IF-SUL
Orgão: IF-SUL
Provas:
A lei 8.662 de 1993 dispõe sobre a profissão de Assistente social ao mesmo tempo em que estabelece as atribuições privativas desse profissional. Com relação a essas atribuições, julgue os itens a seguir, marcando V para os itens verdadeiros e F para os falsos.
( ) Coordenar seminários, encontros, congressos e eventos assemelhados sobre assuntos de Ciências Humanas Aplicadas.
( ) Coordenar, elaborar, executar, supervisionar e avaliar estudos, pesquisas, planos, programas e projetos na área de Serviço Social.
( ) Fiscalizar o exercício profissional somente através dos Conselhos Federal.
( ) Assessorar e dar consultoria a órgãos da Administração Pública direta e indireta, empresas privadas e outras entidades, em matéria de Serviço Social.
A alternativa correta é:
 

Provas

Questão presente nas seguintes provas
2486049 Ano: 2014
Disciplina: Engenharia Civil
Banca: IF-SUL
Orgão: IF-SUL
Provas:
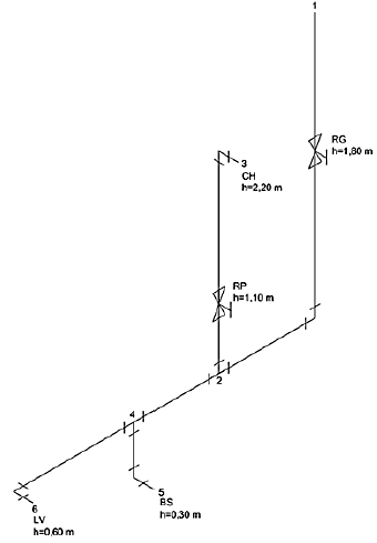
O desenho a abaixo representa de forma simplificada o estereograma de água fria da instalação de um banheiro. Toda a tubulação é de PVC rígido de diâmetro 25 mm. O ponto 1 indica o início da coluna de abastecimento, os pontos 2 e 4 indicam divisões na tubulação e os números 3, 5 e 6 indicam os pontos de instalação do chuveiro (CH), bacia sanitária (BS) e lavatório (LV), respectivamente. A letra “h” acompanhada de um número abaixo da identificação de cada ponto corresponde à altura do mesmo em relação ao piso acabado.
O ponto 1 está situado a 2,80 m em relação ao piso acabado e a pressão neste ponto é de 2,15 m.c.a. A perda de carga unitária no trecho 1-2 é de 0,024 m/m e a perda de carga unitária no trecho 2-3 é de 0,011 m/m. A legenda e os comprimentos equivalentes de cada conexão são indicados nas tabelas abaixo.
Enunciado 2827163-1
LEGENDA
Enunciado 2827163-2 Registro de gaveta
Enunciado 2827163-3 Registro de pressão
Enunciado 2827163-4
Enunciado 2827163-5 Joelhos de 90º
COMPRIMENTOS EQUIVALENTES DE
CONEXÃO DE PVC RÍGIDO
PARA DIÂMETRO DE 25 mm (em metros
Joelhos de 90º 1,5
Registro de gaveta 0,3
Registro de pressão 15
Tê de saída lateral/bilateral 3,1
Sabendo-se que o comprimento do trecho 1-2 é de 3,0 metros e que o ponto 2 possui a mesma cota que o lavatório, que alternativa apresenta com maior aproximação a pressão no ponto de instalação do chuveiro, considerando todas as conexões indicadas no(s) trecho(s) de interesse e a conexão presente no ponto 2 pertencente ao trecho 1-2?
 

Provas

Questão presente nas seguintes provas
2485861 Ano: 2014
Disciplina: Engenharia de Alimentos
Banca: IF-SUL
Orgão: IF-SUL
Em qual caso abaixo ocorre o escurecimento não-enzimático? 13.
 

Provas

Questão presente nas seguintes provas
2485840 Ano: 2014
Disciplina: Engenharia Civil
Banca: IF-SUL
Orgão: IF-SUL
Provas:
Sobre as propriedades dos corpos sólidos, analise as afirmações abaixo:
I. Tenacidade é a resistência que o material opõe ao choque ou percussão.
II. Maleabilidade é a capacidade que tem os corpos de se reduzirem a fios sem se romperem.
III. Desgaste é a perda de qualidade ou de dimensões com o uso continuo.
IV. Durabilidade é a resistência que os corpos opõem ao serem riscados.
Estão corretas apenas as afirmações:
 

Provas

Questão presente nas seguintes provas
2485800 Ano: 2014
Disciplina: Comunicação Social
Banca: IF-SUL
Orgão: IF-SUL
Provas:
Em relação aos conceitos de identidade, imagem e reputação corporativas, assinale (V) para as afirmativas verdadeiras e (F) para as falsas:
( ) A imagem é a percepção dos públicos de interesse sobre a organização como um todo.
( ) A identidade pode ser entendida como os atributos que representam a essência da organização e a distinguem.
( ) A construção da imagem pode ser intencionalmente influenciada pela organização.
( ) A construção de uma reputação e de uma imagem positivas depende diretamente da identidade organizacional.
A sequência correta, de cima para baixo, é
 

Provas

Questão presente nas seguintes provas
2485773 Ano: 2014
Disciplina: Direito Educacional e Tecnológico
Banca: IF-SUL
Orgão: IF-SUL
O Ministério da Educação tem como finalidade ampliar as condições de permanência dos jovens na educação superior pública federal. As ações de assistência serão executadas por instituições de ensino superior, abrangendo os Institutos Federais de Educação, Ciência e Tecnologia, considerando suas especificidades, as áreas estratégicas de ensino, pesquisa e extensão e aquelas que atendam às necessidades identificadas por seu corpo discente. No Art. 4º, parágrafo único, do Decreto 7.234/2010, as ações de assistência estudantil devem considerar
 

Provas

Questão presente nas seguintes provas
2485741 Ano: 2014
Disciplina: Ética e Regulação Profissional
Banca: IF-SUL
Orgão: IF-SUL
Provas:
Que afirmativa sobre o jornalismo como atividade profissional no Brasil, está correta?
 

Provas

Questão presente nas seguintes provas
2485733 Ano: 2014
Disciplina: Pedagogia
Banca: IF-SUL
Orgão: IF-SUL
Provas:
Segundo Vasconcelos (2000), os subsídios teórico- metodológicos de uma concepção dialética- libertadora da avaliação direcionam para a necessidade de dinamizá-la e integrá-la ao planejamento de ensino, gerando assim alternativas no sentido de concretizar uma “nova prática de avaliação transformadora”, possibilitando ao aluno uma postura crítica e atuante na sociedade.
Considerando as ideais do autor, responda à questão.
Projetar um novo sentido para a avaliação do processo de ensino- aprendizagem, de uma nova concepção está na tomada de posição. Para trabalhar na conscientização da comunidade educativa, Vasconcelos aponta que o educador deve criar uma nova mentalidade junto a
 

Provas

Questão presente nas seguintes provas
2485690 Ano: 2014
Disciplina: Engenharia Civil
Banca: IF-SUL
Orgão: IF-SUL
Provas:
Os sistemas de combate a incêndio estão divididos em sistemas de mangotinhos, definidos como tipo 1 pela NBR 13714, e sistemas de hidrantes, que podem ser definidos como tipo 2 e tipo 3 pela Norma já citada. No que se refere ao projeto e à execução de Sistemas de hidrantes e de mangotinhos para combate a incêndio, é correto afirmar que
 

Provas

Questão presente nas seguintes provas