Foram encontradas 520 questões.
Compete ao órgão ambiental estadual ou ao órgão do Distrito Federal o licenciamento ambiental dos empreendimentos e atividades:
I. localizados em unidades de conservação de domínio estadual ou federal.
II. cujos impactos ambientais diretos ultrapassem os limites territoriais de um ou mais municípios.
III. delegados pela União aos Estados ou ao Distrito Federal, por instrumento legal ou convênio.
Estão corretas apenas as afirmativas
Provas
Questão presente nas seguintes provas
Em um túnel de congelamento são processados 5000 kg de peixes por dia. A temperatura de saída do produto é de -23°C e a temperatura de entrada do produto é de +7°C.
Dados adicionais do produto:
Temperatura de congelamento: - 3,0°C
Calor latente de congelamento: 50 Kcal/Kg
Calor específico antes de congelado: 0,8 Kcal/Kg°C
Calor específico depois de congelado: 0,4Kcal/Kg°C
De posse destas informações, qual a parcela de carga térmica do produto, considerando um tempo de congelamento de 20 horas?
Provas
Questão presente nas seguintes provas
A alternativa que descreve como se apresentam os gradientes de concentração para um reator CSTR (Mistura completa), é
Provas
Questão presente nas seguintes provas
O esquema abaixo representa uma caixa-preta para fluxo de energia:
Os algarismos indicados como I II e III representam, respectivamente, tipos de energia.

Qual a alternativa que representa corretamente estes três tipos?
Provas
Questão presente nas seguintes provas
Considere o seguinte comando SQL
CREATE TABLE ATOR (
ID INTEGER NOT NULL,
NOME VARCHAR(50) NOT NULL,
CONSTRAINT CLIENTE_PK PRIMARY KEY(ID)
);
CREATE TABLE FILME (
ID INTEGER NOT NULL,
TITULO VARCHAR(50) NOT NULL,
CONSTRAINT FILME_PK PRIMARY KEY(ID)
);
CREATE TABLE ESTRELA(
ID_ATOR INTEGER NOT NULL,
ID_FILME INTEGER NOT NULL,
CONSTRAINT ESTRELA_PK PRIMARY KEY (ID_ATOR,ID_FILME),
CONSTRAINT ESTRELA_ATOR_FK FOREIGN KEY (ID_ATOR) REFERENCES ATOR(ID),
CONSTRAINT ESTRELA_FILME_FK FOREIGN KEY (ID_FILME) REFERENCES FILME(ID)
);
A instrução SQL que efetua a contagem de quantos filmes estrelados, por ator, com pelo menos um filme estrelado, é:
Provas
Questão presente nas seguintes provas
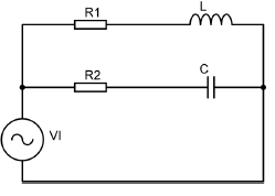
Observe o circuito abaixo.

Dados do circuito:
R1 = !$ 100 Ω !$
R2 = !$ 200 Ω !$
C = !$ 18 μF !$
L = !$ 265 mH !$
VI(t) =!$ 220.\sqrt{2}.cos(2.\pi.60.t) V !$
R1 = !$ 100 Ω !$
R2 = !$ 200 Ω !$
C = !$ 18 μF !$
L = !$ 265 mH !$
VI(t) =!$ 220.\sqrt{2}.cos(2.\pi.60.t) V !$
A corrente eficaz fornecida pela fonte, na forma polar, é aproximadamente:
Provas
Questão presente nas seguintes provas
Um circuito RC série está ligado a uma rede monofásica de 220/60 Hz e dissipa 1400 W, com fator de potência de 0,8.
O valor da potência aparente do circuito, é de
Provas
Questão presente nas seguintes provas
A instrução SQL, que exclui todos os dados de uma tabela de forma muito rápida (como, por exemplo, uma tabela chamada tableA), apaga os dados dentro da tabela e não a própria tabela com um log mínimo, é
Provas
Questão presente nas seguintes provas
- Banco de Dados RelacionalRestrições de IntegridadeIntegridade de Domínio
- Banco de Dados RelacionalRestrições de IntegridadeIntegridade de Entidade
- Banco de Dados RelacionalRestrições de IntegridadeIntegridade Referencial
As classificações dos mecanismos de restrição de integridade em um SGBD (Sistema Gerenciador de Banco de Dados), garantidas automaticamente por um SGBD relacional, podem ser identificadas por
Provas
Questão presente nas seguintes provas
- Fundamentos de Sistemas OperacionaisInterrupções de Hardware e Sinais
- Fundamentos de Sistemas OperacionaisSeção Crítica (Região Crítica)
Uma alternativa válida pra implementar a Exclusão Mútua com Espera Ociosa em um sistema operacional consiste em
Provas
Questão presente nas seguintes provas
Cadernos
Caderno Container