Foram encontradas 1.600 questões.
Sobre a divisão celular por mitose em células vegetais, afirma-se que:
I. A mitose é anastral e acêntrica.
II. A citocinese é centrífuga.
III. Durante a anáfase forma-se o fragmoplasto que dará origem à parede celular primária e, mais tarde, aos plasmodesmos.
Estão corretas as afirmativas:
Provas
Questão presente nas seguintes provas
No Windows Server 2003 através do protocolo FTP - Protocolo de Transferência de Arquivos utilizando o prompt do DOS, ou seja, por linha de comando, qual comando é utilizado para enviar um arquivo (upload)?
Provas
Questão presente nas seguintes provas
Uma massa de 0,15 kg de vapor d’água a 120 ºC perde 108000 cal para o ambiente. Considerando o calor específico do vapor como 0,5 cal/gºC, o calor específico da água igual a 1 cal/gºC, o calor latente de condensação da água igual a -540 cal/g e o calor latente de solidificação do gelo igual a -80 cal/g, teremos ao final do processo
Provas
Questão presente nas seguintes provas
Misturas de bifenilas policloradas (PCBs) foram produzidas e usadas comercialmente desde 1929. Ao todo, há 210 compostos de PCBs. Uma mistura comercial típica pode conter até 50 PCBs diferentes. A toxicidade dos PCBs depende da composição da mistura individual, o maior incidente de envenenamento humano ocorreu no Japão, em 1968, quando cerca de 1.000 pessoas ingeriram um óleo de cozinha que havia sido contaminado acidentalmente por PCBs.
As misturas de PCBs são classificadas com base no:
Provas
Questão presente nas seguintes provas
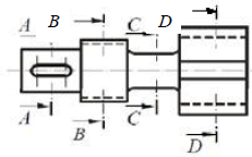
Abaixo, temos uma vista ortográfica com quatro seções indicadas.

A seguir, são apresentadas quatro opções de resultado para as seções indicadas. Considere (1) para seção AA, (2) para seção BB, (3) para seção CC e (4) para seção DD. Associe, adequadamente, as seções abaixo com as posições de seccionamentos indicadas.

A sequência correta de preenchimento dos parênteses, da esquerda para direita, é:
Provas
Questão presente nas seguintes provas
Controversia en la cumbre del clima por un documento danés
Clarin.com
18:40 Se filtró un escrito que causó indignación porque no hace ninguna referencia al Protocolo de Kioto, que impone obligaciones a los países ricos y protege a los pobres, y recomienda un techo máximo de emisiones para naciones en vías de desarrollo.
Por Gustavo Sierra, enviado especial a Copenhague.
Los negociadores de un nuevo acuerdo mundial de lucha contra el cambio climático de la cumbre que se desarrolla en Copenhague intentaban hoy en hacer que se bajaran las tensiones generadas ayer por la filtración de una propuesta danesa que indignó a los países en desarrollo.
El borrador de ocho páginas está fechado el 27 de noviembre pasado y aborda las condiciones para reducir un 50% las emisiones de dióxido de carbono (CO2) hasta 2050, frente a los valores de 1990, tomando en cuenta un "responsabilidad diferenciada y las respectivas posibilidades" de los países.
El texto es "una seria violación que amenaza el éxito del proceso de negociación de Copenhague ", afirmó Lumumba Stanislas Dia Ping, jefe de la delegación sudanesa, que lidera el G77, bloque que reúne a unos 130 países en vías de desarrollo. Pero los países pobres no tienen la intención de boicotear las conversaciones, precisó.
El documento en cuestión no hace ninguna referencia al Protocolo de Kioto, único instrumento jurídico que existe actualmente para luchar contra el calentamiento y al que los países en desarrollo tienen especial apego, porque impone obligaciones a los países ricos al tiempo que protege a los pobres.
Por otra parte, el texto danés recomienda un techo máximo de emisiones para los países en desarrollo, punto al que Brasil, China, India y Sudáfrica ya se habían opuesto de forma firme y colectiva en una reunión a finales de noviembre en Pekín.
El máximo responsable de la ONU sobre cambio climático, Yvo de Boer, y la propia Dinamarca trataron de calmar los ánimos, insistiendo en que el borrador era una propuesta informal y sólo destinada a sondear, hasta el presente momento, la opinión de las diferentes partes.
La palabra borrador, considerado el contexto en que está utilizada en el texto, equivale, en lengua portuguesa, a
Provas
Questão presente nas seguintes provas
Observe a charge

O terrorismo ganhou o centro das atenções internacionais, nos últimos anos, em função da ampliação do seu raio geográfico de ação.
São relações que o terror estabelece com o espaço:
Provas
Questão presente nas seguintes provas
Um professor deseja obter a informação dos alunos que foram aprovados em uma avaliação. Para tal, na Planilha Excel, versão 2007, que contém as notas dos referidos alunos, dispostas nas células D11:D34 e, levando-se em conta que a média utilizada é 6 (seis), a função utilizada deve ser
Provas
Questão presente nas seguintes provas
- LinuxComandosmount/umount
- LinuxEstrutura de Diretórios do Linux
- Sistemas de ArquivosTipos de Sistemas de ArquivosEXT3
Para criar um sistema de arquivos ext3 na partição /dev/hda8 e deixá-la ativa em /mnt/media, deve-se utilizar os seguintes comandos
Provas
Questão presente nas seguintes provas
Em redes Ethernet de acordo com a velocidade de transmissão dos dados temos a Ethernet, Fast Ethernet e Giga Ethernet. Para cada um dos padrões indicados temos um tipo de cabo correspondente e que não deve ser substituído por outro. No padrão Giga Ethernet qual das seguintes categorias de cabo de par trançado é utilizado?
Provas
Questão presente nas seguintes provas
Cadernos
Caderno Container