Foram encontradas 1.318 questões.
Dada as afirmações abaixo, assinale a única opção certa:
Provas
Questão presente nas seguintes provas
No âmbito das Diretrizes Nacionais para a Educação Profissional Técnica de Nível Médio, estabelecidas pela Resolução CNE/CEB n. 06, de 20 de setembro de 2012, a formação inicial para a docência na Educação Profissional Técnica de Nível Médio pode realizar-se, excepcionalmente, na forma de:
Provas
Questão presente nas seguintes provas
Qual alternativa NÃO representa um elemento estrutural básico?
Provas
Questão presente nas seguintes provas
Sobre substâncias sólidas, considere as seguintes afirmações:
I. Átomos de sólidos cristalinos estão dispostos de forma periódica.
II. Átomos de sólidos amorfos podem apresentar ordenação de curto alcance.
III. Pode ocorrer mais de uma estrutura cristalina para uma mesma substância.
É correto o que se afirma em:
Provas
Questão presente nas seguintes provas
No que diz respeito ao sigilo profissional disposto no Capítulo IV do Código de Ética do Profissional de Secretariado, é correto afirmar que:
Provas
Questão presente nas seguintes provas
Na moldagem por extrusão de filmes tubulares, o aumento na razão de estiramento do filme, mantendo a mesma razão de sopro (ou razão de insuflamento), irá:
Provas
Questão presente nas seguintes provas
A placa de informações em um motor elétrico rotativo de indução trifásico, tipo gaiola, de dois polos, 380V, 35CV (1CV = 736W) e 50Hz indica que a sua velocidade com carga nominal é de 2970rpm. Supondo que, em sua utilização, a máquina esteja operando com carga nominal, é INCORRETO afirmar que:
Provas
Questão presente nas seguintes provas
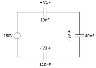
Considerando o circuito abaixo, assinale a alternativa CORRETA correspondendo às tensões aproximadas (V1, V2 e V3) que seriam observadas sobre cada um dos capacitores:

Provas
Questão presente nas seguintes provas
- Legislação EspecialLei 9.605/1998: Crimes e Infrações AmbientaisDos Crimes contra a Fauna (arts. 29 ao 37)
Com relação aos crimes contra a fauna, segundo a Lei nº 9.605/98, considere as assertivas abaixo:
I. Introduzir espécime animal no País, sem parecer técnico oficial favorável e licença expedida por autoridade competente.
II. Praticar ato de abuso, maus-tratos, ferir ou mutilar animais silvestres, não sendo considerado crime se aplicado a animais domésticos ou domesticados.
III. Exportar para o exterior peles e couros de anfíbios e répteis em bruto, sem a autorização da autoridade ambiental competente.
IV. A pesca, a caça ou a utilização de espécimes da fauna silvestre não são permitidas em nenhuma circunstância.
Estão CORRETAS:
Provas
Questão presente nas seguintes provas
O processo utilizado durante o adensamento do concreto com o objetivo de eliminar o ar aprisionado e forçar que as partículas tenham uma configuração de maior proximidade é denominado:
Provas
Questão presente nas seguintes provas
Cadernos
Caderno Container