Foram encontradas 524 questões.
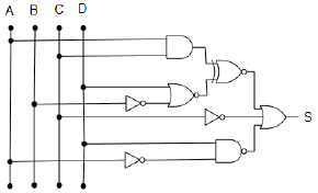
Analise o circuito lógico a seguir:

A expressão lógica que representa o circuito é
Provas
Questão presente nas seguintes provas
2481459
Ano: 2014
Disciplina: Direito Cultural, Desportivo e da Comunicação
Banca: FUNCERN
Orgão: IF-RN
Disciplina: Direito Cultural, Desportivo e da Comunicação
Banca: FUNCERN
Orgão: IF-RN
No planejamento de atividade de lazer em uma comunidade, o gestor de Esporte e Lazer planeja as seguintes ações:
I. Realização de uma atividade de impacto: ação sensibilizadora, levantamento de necessidades e possibilidades de intervenção, definição dos objetivos condutores da ação, seleção dos instrumentos de intervenção e realização de uma atividade de impacto.
II. Período de carência: reflexão e avaliação dos resultados da ação.
III. Continuidade da ação: retomada dos resultados dependentes de acompanhamento, num período de sedimentação, acompanhamento direto para à consolidação do processo, visando a construção da autonomia da comunidade.
A estratégia de intervenção adotada no planejamento toma como referência os fundamentos de uma metodologia denominada de
Provas
Questão presente nas seguintes provas
As modificações dietéticas que podem ajudar no manejo da doença por refluxo gastroesofágico incluem:
Provas
Questão presente nas seguintes provas
Leia as afirmativas a seguir
I. Uma sapata quente ou slot permite que se instale um microfone separado ou uma unidade extra de luz.
II. Para fazermos um movimento de panorâmica com uma câmera presa a um tripé basta deslizar lateralmente com o tripé anexado a um trilho.
III. Um nível de bolha embutido mostra quando o tripé está nivelado nos eixos norte-sul e leste-oeste.
IV. Por meio de um matte box acoplado na câmera pode-se encaixar filtros mas não se espera que este aparato aja como um para-sol.
Estão corretas as afirmativas
Provas
Questão presente nas seguintes provas
ESCOLAS: ANALFABETISMO E CIDADANIA
Dal Marcondes
Nos últimos anos, crescem em diversos setores as críticas em relação ao modelo de educação conhecido como "progressão continuada", no qual os alunos do ensino fundamental não repetem de ano, mas são acompanhados ano a ano de acordo com sua capacidade cognitiva e de aprendizagem. Esse sistema tornou relativamente comum que estudantes de séries avançadas ainda apresentem dificuldades de alfabetização, mesmo estando em um período em que já se espera um grau maior de conhecimento da língua.
Essa adequação entre série e aprendizagem é o modelo tradicional de ensino, pelo qual quem não consegue apresentar um bom desempenho em provas não consegue passar de ano, repetindo a mesma série no ano seguinte. Por muito tempo foi assim e isso se refletia em um alto grau de abandono escolar. Crianças que não conseguiam acompanhar passavam a ter um desequilíbrio entre a idade e a série correspondente, além de sofrer diversas formas de bullying.
O modelo continuado foi adotado por diversos estados e cidades como uma forma de manter a criança na escola. Ele parte de alguns princípios estruturantes, como o respeito ao ritmo de aprendizagem de cada criança, no qual o acompanhamento pedagógico ajuda a reduzir a defasagem. Mas tem um princípio que não tem sido levado em conta quando se faz críticas ao modelo, que é o da socialização. Mesmo crianças com alto grau de dificuldade de aprendizagem, que, por motivos diversos, muitas vezes alheios à vontade das crianças, como subnutrição ou traumas, quando permanecem na escola durante o tempo normal, cumprindo todas as séries, aprendem a conviver com outras pessoas e a construir relações que vão ajudá-las a trabalhar e a viver melhor.
A opção da reprovação e do abandono escolar, por outro lado, coloca essas crianças na rua, ao alcance da violência e do crime, crescendo discriminadas e muitas vezes ressentidas com a sociedade que as abandonou. Certamente, o modelo da progressão continuada pode ser melhorado e precisa de mais empenho por parte de gestores e educadores, mas a alternativa da reprovação é mais danosa para a sociedade e para as crianças que não conseguem acompanhar pari-passu o currículo escolar.
Portanto, antes de se fazer críticas a uma educação mais inclusiva, capaz de trabalhar elementos de cidadania no longo prazo, é bom fazer uma reflexão sobre os péssimos impactos de se lançar crianças à rua sem nenhuma estrutura de apoio. O tempo na escola, mesmo que os resultados não possam ser medidos em aprendizagem objetiva, ajuda na formação de cidadãos.
Disponível em: < http://www.cartacapital.com.br>. Acesso em: 13 mai. 2014.
GLOSSÁRIO
Pari-passu: expressão latina que significa "em igual passo", "simultaneamente", "ao mesmo tempo".
Os dois últimos parágrafos do texto revelam uma visão
Provas
Questão presente nas seguintes provas
2481245
Ano: 2014
Disciplina: Direito Cultural, Desportivo e da Comunicação
Banca: FUNCERN
Orgão: IF-RN
Disciplina: Direito Cultural, Desportivo e da Comunicação
Banca: FUNCERN
Orgão: IF-RN
Provas:
Em se tratando das leis de incentivo fiscal à cultura, é correto afirmar que
Provas
Questão presente nas seguintes provas
- Linguagens e Suportes MidiáticosProdução AudiovisualRoteiro, Produção e Edição de Conteúdo Audiovisual e Cinematográfico
Na área da produção audiovisual, é correto afirmar que side-by-side
Provas
Questão presente nas seguintes provas
Entendendo o processo de compra como uma sequência de fases onde o consumidor recebe influências internas e externas, é correto afirmar que
Provas
Questão presente nas seguintes provas
2481036
Ano: 2014
Disciplina: Direito Cultural, Desportivo e da Comunicação
Banca: FUNCERN
Orgão: IF-RN
Disciplina: Direito Cultural, Desportivo e da Comunicação
Banca: FUNCERN
Orgão: IF-RN
Vivencia-se cada vez mais a prática do lazer dentro das instituições e organizações do trabalho, com fins à melhoria da qualidade de vida dos seus trabalhadores. Visando à formação integral do ser humano, o programa de lazer em seus princípios gerais deve privilegiar
Provas
Questão presente nas seguintes provas
Analise a afirmativa a seguir.
“São organismos simples e diferem dos demais seres vivos pela ausência de organização celular, por não possuírem metabolismo próprio e por se reproduzirem somente quando estão dentro de uma célula hospedeira, sendo, portanto, parasitas intracelulares obrigatórios.”
Essas são características
Provas
Questão presente nas seguintes provas
Cadernos
Caderno Container