Foram encontradas 524 questões.
Uma pessoa aplicou !$ { \Large { 1 \over 3}} !$ de seu capital a !$ 2 \% !$ de juros simples ao mês e o restante a !$ 30 \% !$ ao ano. Passados 1 ano e 4 meses, ela recebeu um total de R$ 3.472,00 de juros. O capital inicial dessa pessoa era de
Provas
Questão presente nas seguintes provas
Observe a disposição das bandeiras em relação à plateia.

O posicionamento correto das bandeiras do Brasil, do Estado do Rio Grande do Norte e do IFRN deve apresentar, respectivamente, a seguinte ordem correta:
Provas
Questão presente nas seguintes provas
Em um laboratório foi montado o circuito mostrado a seguir.

A frequência de alimentação para que o circuito fique em ressonância é de
Provas
Questão presente nas seguintes provas
Há três tipos de associações de alto-falantes: em série, em paralelo e em série-paralelo. Esses três tipos de ligação tem por objetivo fazer com que a impedância resultante da associação seja compatível com a impedância mínima de trabalho do amplificador em uso, para que se possa extrair a potência máxima do mesmo. Sobre o tema, observe a figura a seguir.

O valor da impedância resultante na figura é de
Provas
Questão presente nas seguintes provas
A figura a seguir representa uma experiência usando-se uma lupa. Estão representados: o olho do observador, a lupa e seu foco F, o objeto experimental e a projeção de sua respectiva imagem.

Sobre essa experiência, é correto afirmar que
Provas
Questão presente nas seguintes provas
A contribuição da ergonomia, de acordo com a ocasião em que é implementada, classifica-se em concepção, correção, conscientização e participação. Nesse contexto, a etapa de concepção
Provas
Questão presente nas seguintes provas
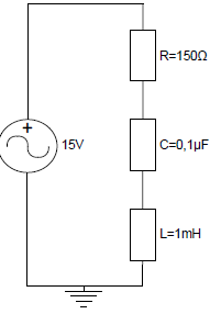
O diagrama fasorial, tensão versus corrente, em circuitos elétricos, mostra graficamente a defasagem entre estas duas grandezas. Para um circuito alimentado com uma fonte de 15V/20KHz, que possui uma resistência de 150Ω, uma indutância de 1mH e uma capacitância de 0,1μF, todos ligadas em paralelo, o gráfico que representa este diagrama fasorial, entre a corrente e a tensão, nesse circuito é:
Provas
Questão presente nas seguintes provas
Uma entidade investiu em uma instituição financeira um capital no valor de R$10.000,00, por 3 meses, a uma taxa de juros compostos de 2% ao mês. Após esse período, o montante dessa aplicação foi reaplicado em outra instituição financeira, dessa vez a juros simples, com uma taxa mensal de 3% ao mês, por um período de 6 meses.
O valor total do resgate, ao final dos 9 meses, é de
Provas
Questão presente nas seguintes provas
2486708
Ano: 2014
Disciplina: Direito Cultural, Desportivo e da Comunicação
Banca: FUNCERN
Orgão: IF-RN
Disciplina: Direito Cultural, Desportivo e da Comunicação
Banca: FUNCERN
Orgão: IF-RN
Os cidadãos envolvidos nos programas e projetos de esporte e lazer devem estar devidamente comprometidos e com suas competências claramente estabelecidas para poder influir nas decisões e fiscalizar a forma como as ações são realizadas. É prerrogativa dessa ação o princípio da
Provas
Questão presente nas seguintes provas
No ambiente laboratorial, diversos materiais são empregados para a realização dos procedimentos práticos experimentais. São exemplos de vidrarias de precisão:
Provas
Questão presente nas seguintes provas
Cadernos
Caderno Container