Foram encontradas 40 questões.
Leia o TEXTO para responder a questão
LONGE DO CONSENSO
O debate sobre a viabilidade, as consequências e o alcance da transposição do Rio São Francisco se acirra cada vez mais, à medida que se aproximam os preparativos A) para a efetivação do projeto. No atual momento, os detalhes técnicos acabam dominando a cena. De um lado, está o governo federal, representado pelo Ministro da Integração Regional, que define o projeto como tecnicamente perfeito. Do outro, os críticos que, mobilizados E) em movimentos organizados E) ou não, tentam levar à opinião pública os argumentos que os fazem C) considerar o projeto um erro do começo ao fim. Cada lado vai para o embate munido de toda sorte de índices, tabelas, modelos e estatísticas. O geógrafo Aziz Ab'Saber faz logo a ressalva: "Água sozinha não cria condições de desenvolvimento. Falta B) aos técnicos do governo conhecer melhor a região D) como um todo, bem como as áreas que receberão água", alfineta.
(Anselmo Massad, Revista Fórum, nº27, junho/05)
Marque a alternativa que NÃO atende a norma culta, no que se refere ao emprego da concordância verbal.
Provas
Questão presente nas seguintes provas
Um gerador síncrono de 2 polos gera energia com frequência de 50 Hz.
A velocidade de rotação do gerador é igual a
Provas
Questão presente nas seguintes provas
Em relação aos instrumentos de medição é CORRETO afirmar que:
Provas
Questão presente nas seguintes provas
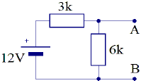
Considere os nós A e B como os terminais de interesse a partir dos quais se deve obter o circuito equivalente de Norton. Para o circuito equivalente podemos afirmar que a resistência e a fonte de corrente são, respectivamente:

Provas
Questão presente nas seguintes provas
A Cogeração é definida como um processo de produção e utilização combinada de calor e eletricidade, proporcionando o aproveitamento de mais de 70% da energia térmica proveniente dos combustíveis utilizados nesse processo.
Assinale a alternativa que NÃO indica uma característica atrativa da cogeração distribuída.
Provas
Questão presente nas seguintes provas
Luíza foi ao supermercado comprar alguns ingredientes para fazer um brigadeiro. Ela se baseou numa receita de preparo de 20 brigadeiros que encontrou na internet. Os detalhes dos ingredientes da receita estão presentes na tabela abaixo, que mostra também os preços unitários de cada produto no supermercado.
| Ingrediente | Preço unitário | Quantidade (preparo de 20 brigadeiros) |
| Lata de leite condensado | R$ 2,55 | 1 lata |
| Pacote de achocolatado | R$ 1,40 | 2 pacotes |
| Tablete de margarina | R$ 0,80 | 3 tabletes |
Assinale a alternativa cuja informação completa CORRETAMENTE a oração iniciada abaixo.
Se Luíza precisa preparar 100 brigadeiros e dispõe de 2 (duas) notas de R$20,00 (vinte reais), ela
Provas
Questão presente nas seguintes provas
Assinale a alternativa CORRETA no que diz respeito a condutores elétricos:
Provas
Questão presente nas seguintes provas
Considerando as fontes Va, Vb, e Vc como as três fases distintas e defasadas de 120 graus e considerando D1, D2 e D3 como diodos ideais, podemos afirmar que

Provas
Questão presente nas seguintes provas
Uma ambulância possui dois efeitos para chamar a atenção no trânsito: uma lâmpada que muda de cor e uma sirene que muda a frequência do som. Elas são acionadas ao mesmo tempo, através de um único botão. Seus funcionamentos são os seguintes:
• Ao apertar o botão, a lâmpada acende com a cor amarela, permanecendo 5 segundos com essa cor, alternando em seguida para a cor vermelha e passando 5 segundos nesta cor, completando assim um primeiro ciclo. A seguir, alterna novamente para a cor amarela, repetindo o ciclo citado, enquanto o botão estiver acionado.
• Ao apertar o botão, a sirene emite um som na frequência de 900 Hertz, permanecendo 7 segundos nessa frequência, alternando em seguida para a frequência de 800 Hertz e passando 5 segundos nesta frequência, completando assim um primeiro ciclo. A seguir, alterna novamente para os 900 Hertz, repetindo o ciclo citado, enquanto o botão estiver acionado.
Depois de quanto tempo após acionado o botão, ocorrerão simultaneamente a mudança da cor vermelha para a amarela e a mudança de frequência de 800 para 900 Hertz?
Provas
Questão presente nas seguintes provas
O TEXTO serve de base para responder a questão.
Subi a porta e fechei a escada
Tirei minhas orações e recitei meus sapatos.
Desliguei a cama e deitei-me na luz.
Tudo porque
ela me deu um beijo de boa-noite.
Tirei minhas orações e recitei meus sapatos.
Desliguei a cama e deitei-me na luz.
Tudo porque
ela me deu um beijo de boa-noite.
(AUTOR ANÔNIMO)
(MARCUSCHI, Luiz Antônio. IN: Apresentação do livro Lutar com Palavras: coesão e coerência, de Irandé Antunes, 2005 p.14)
Assinale o item em que se constata uma interpretação coerente em relação ao TEXTO.
Provas
Questão presente nas seguintes provas
Cadernos
Caderno Container