Foram encontradas 720 questões.
- Lei 8.112/1990: RJUDo Provimento, Vacância, Remoção, Redistribuição e SubstituiçãoRemoção, Redistribuição e Substituição
Um servidor público federal, ocupante do cargo de Técnico em Secretariado em uma autarquia, foi deslocado de ofício para outra unidade da mesma autarquia, ou seja, no âmbito do mesmo quadro. Nesse caso, que situação prevista na Lei n.º 8.112/1990 foi aplicada ao servidor?
Provas
Questão presente nas seguintes provas
Uma operação de filtração sob vazão constante durou 20 minutos em um filtro folhas e após atingida uma certa pressão, continuou a separar o sólido do filtrado, mantendo a operação com pressão constante. Ao final do processo, verificou-se que o volume de filtrado na etapa com vazão constante foi metade do volume total de filtrado dos dois processos. Assumindo que a torta é incompressível e a resistência do meio filtrante é desprezível, assinale a alternativa que apresenta o tempo total de filtração, em minutos.
Provas
Questão presente nas seguintes provas
Sobre a indústria do açúcar de cana, analise as afirmativas.
I - A calagem tem a função de auxiliar na purificação do caldo de cana, por meio da neutralização da sua acidez, da formação de precipitados contendo o íon Ca2+ , da floculação e do arraste de partículas em suspensão.
II - A sulfitação do caldo tem como objetivo: formação de CaSO3, precipitação de matéria orgânica, redução da viscosidade do caldo pela precipitação de certos coloides e também de substâncias coloridas.
III - O controle rigoroso do pH é importante para evitar a inversão da sacarose em meio ácido.
Está correto o que se afirma em
Provas
Questão presente nas seguintes provas
INSTRUÇÃO: A tabela abaixo apresenta dez transformadas de Laplace. Caso necessário, utilize-a na resolução da questão.
| f(t) | F(s) | f(t) | F(s) | ||
| 1 | 1 | !$ { \large 1 \over S} !$ | 6 | cos at | !$ { \large S \over S^2 + a^2} !$ |
| 2 | t | !$ { \large 1 \over S^2} !$ | 7 | senh at | !$ { \large a \over S^2 - a^2} !$ |
| 3 | tn, n natural | !$ { \large n! \over S^{n+1}} !$ | 8 | cosh at | !$ { \large S \over S^2 - a^2} !$ |
| 4 | eat | !$ { \large 1 \over S-a} !$ | 9 | !$ H( t -a), \ge 0 !$ | !$ { \large e^{-as} \over S} !$ |
| 5 | sen at | !$ { \large a \over S^2 + a^2} !$ | 10 | !$ \delta( t -a), \ge 0 !$ | e-as |
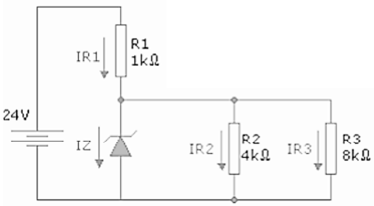
Dado o circuito abaixo:

Qual a potência dissipada no diodo zener?
Provas
Questão presente nas seguintes provas
Estabelece requisitos a serem cumpridos pelos produtores e recebedores de documentos, pelos documentos da organização, além dos próprios sistemas de gestão documental, desde sua origem até a destinação final, a fim de instituir uma Política de Gestão Documental para a implementação do Sistema de Gestão Arquivística de Documentos (SIGAD). Trata-se de
Provas
Questão presente nas seguintes provas
Sobre a prevenção do diabetes mellitus, marque V para as afirmativas verdadeiras e F para as falsas.
( ) A prevenção primária do diabetes tipo 2 inclui intervenções no estilo de vida, com ênfase em alimentação saudável e prática regular de atividade física.
( ) Intervenções no controle da obesidade, da hipertensão arterial, da dislipidemia e sedentarismo, além de prevenirem o surgimento do diabetes, também evitam doenças cardiovasculares.
( ) Na prevenção primária, o bom controle metabólico do diabetes previne o surgimento de complicações crônicas ou retarda sua progressão, particularmente as microangiopáticas.
( ) Medidas de combate ao tabagismo auxiliam no controle do diabetes e na prevenção da hipertensão arterial e de doenças cardiovasculares.
Assinale a sequência correta.
Provas
Questão presente nas seguintes provas
Em um dado processo, uma corrente contendo dois componentes, solvente e um sal inorgânico, são separados por uma etapa de evaporação, na qual a solução é concentrada de 15 até 35% em massa, seguida da formação de sólidos por resfriamento em um cristalizador. A solubilidade de saturação do sal inorgânico na temperatura operacional do cristalizador é de 10%. Nesse equipamento, serão obtidos 5000 kg/h de sólidos contendo 8% de umidade de solução saturada. A massa que sai desse equipamento se divide em duas correntes, uma corrente que contém os cristais úmidos segue para secagem e a solução com o resto de solvente, contendo 10% de sal dissolvido, é reciclada e se junta à alimentação virgem para adentrar o evaporador.
O fluxograma e alguns dados do processo estão na Figura abaixo.
O fluxograma e alguns dados do processo estão na Figura abaixo.

Qual é o grau de liberdade do problema?
Provas
Questão presente nas seguintes provas
A linguagem de programação C++ foi desenvolvida a partir da linguagem C, principalmente para agregar os conceitos de classes. Sobre C/C++, assinale a afirmativa correta.
Provas
Questão presente nas seguintes provas
Sobre os SCR, marque V para as afirmativas verdadeiras e F para as falsas.
( ) A partir do momento em que o SCR entra em condução, ele se comporta como se fosse um diodo retificador.
( ) Para que entre em condução, pode-se aplicar um pulso positivo no gatilho com uma tensão VAK também positiva.
( ) Para que entre em condução, pode-se aplicar um pulso negativo no gatilho com uma tensão VAK também negativa.
( ) Possui como especificações, entre outras: IH (corrente de manutenção) e IL (corrente de retenção), sendo IH>IL.
( ) Para que entre em condução, pode-se aplicar um pulso positivo no gatilho com uma tensão VAK também positiva.
( ) Para que entre em condução, pode-se aplicar um pulso negativo no gatilho com uma tensão VAK também negativa.
( ) Possui como especificações, entre outras: IH (corrente de manutenção) e IL (corrente de retenção), sendo IH>IL.
Assinale a sequência correta.
Provas
Questão presente nas seguintes provas
Sobre as vantagens do uso da cal nas argamassas, assinale a afirmativa INCORRETA.
Provas
Questão presente nas seguintes provas
Cadernos
Caderno Container