Foram encontradas 653 questões.
Considere que a indutância externa por unidade de comprimento de uma linha de transmissão aérea monofásica com retorno pelo solo ideal (condutor elétrico perfeito) é igual a 2,2 !$ μ !$!$ H/m !$.
Qual o valor mais próximo da capacitância por unidade de comprimento dessa linha, em !$ nF/km !$?
Dados:
!$ ε_0=8,8\times10^{-12}\dfrac{c^2}{N^.m^2}\,e\,μ_0=0,126\times10^{-5}\dfrac{T^.m}{A} !$
Provas
Considere um capacitor cilíndrico, cujo material dielétrico que preenche o espaço entre as placas interna e externa apresenta uma permissividade elétrica igual a 10·!$ ε !$0, onde !$ ε !$0 corresponde à permissividade elétrica do vácuo e é aproximadamente igual a 8,854×10-12 !$ F/m !$. Os raios das placas interna e externa do dispositivo são iguais a, respectivamente, 2,0000 mm e 5,4366 mm.
Se a rigidez dielétrica (campo elétrico máximo suportado) do material isolante que compõe o dispositivo é igual a 10 MV/m, qual o valor, em kV, mais próximo da tensão máxima que pode ser aplicada no capacitor sem que processos de ionização se iniciem na região entre as placas? (Para fins de simplificação do problema, considere que as linhas de campo elétrico apresentam simetria cilíndrica.)
Provas
Um motor de indução trifásico de 4 (quatro) polos solicita uma potência elétrica de entrada de 12 kW quando opera com velocidade de 1700 rpm e fornece um torque no eixo de saída do motor de 60 Nm.
Considere !$ π !$=3.
O total de perdas do motor para esse ponto de operação é
Provas
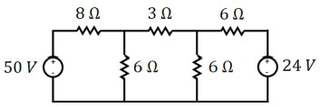
A figura a seguir ilustra um circuito elétrico composto por duas fontes de tensão e resistências.

A potência dissipada no resistor de 8 !$ Ω !$ é
Provas
A indutância é uma característica dos campos magnéticos e está presente em circuitos magnéticos quando há uma corrente variável no tempo. Nesse sentido, determine a indutância da estrutura magnética ilustrada na figura a seguir.

(Desconsidere as perdas joulicas).
Provas
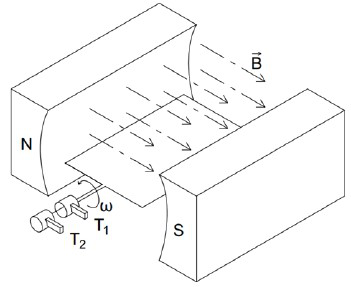
Uma força eletromotriz de 2,5 !$ V !$ (eficaz) é gerada entre os terminais T1 e T2 de uma espira de área 0,2 !$ m^2 !$ quando ela está imersa e gira com velocidade constante !$ ω !$ em uma região de campo magnético constante, conforme ilustrado na figura a seguir.

Considere que a densidade de fluxo magnético é 0,05 T. A velocidade angular da espira é de, aproximadamente,
Provas
A figura a seguir apresenta um oscilador com ponte de Wien sem estabilização de amplitude.

Os valores das capacitâncias !$ C_1 !$ e !$ C_2 !$ que fazem o sistema oscilar na frequência de 50 kHz são
Provas
Uma função de transferência foi extraída de um amplificador fonte comum, a qual, apresentada a seguir, indica a relação entre a tensão de saída Vo e a tensão de entrada Vi.
!$ \dfrac{V_o}{Vi}=-38(\dfrac{s}{s+80π})(\dfrac{s+14π}{s+100π})(\dfrac{s}{s+60π}) !$
A frequência de corte inferior do amplificador é igual a, aproximadamente,
Provas
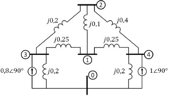
Considere a seguinte representação simplificada de um sistema elétrico de potência pequeno, através do seu diagrama de reatâncias.

Os subíndices que identificam as posições dos elementos da matriz de admitância nodal do sistema estão diretamente relacionados às barras (o elemento Ymn relaciona as barras m e n).
Adotando-se a barra 0 como referência, assinale a alternativa que indica corretamente Y11, Y22, Y34 e Y42 .
Provas
Considerando-se a nomenclatura que caracteriza os tipos de barra envolvidas no cálculo do fluxo de potência no sistema elétrico, associe corretamente cada uma das barras a sua respectiva característica.
BARRAS
1 – Flutuante, swing ou slack.
2 – De carga ou PQ
3 – De tensão controlada ou PV
CARACTERÍSTICAS
( ) supre as perdas do sistema. Os parâmetros de potência (ativa e reativa) desta barra são desconhecidos até que a solução numérica do fluxo de potência seja encontrada.
( ) não há controle de tensão. Os parâmetros calculados neste tipo de barra são tensão e ângulo.
( ) são conectados dispositivos/elementos com o intuito de se manter o módulo da tensão e a injeção de potência ativa em valores específicos.
A sequência correta da associação, de cima para baixo, é
Provas
Caderno Container