Foram encontradas 653 questões.
Um gerador trifásico ideal, em Y, alimenta uma carga conectada em !$ Δ !$ por meio de uma linha de transmissão. Sabendo-se que a impedância da linha é de j5 !$ Ω !$ por fase, que a impedância da carga é de j30 !$ Ω !$ por fase e que o valor da tensão de fase (eficaz) nos terminais do gerador é de 127 !$ V !$, qual é, aproximadamente, o módulo da corrente eficaz de linha para o sistema descrito?
Provas
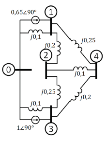
A figura a seguir apresenta o diagrama de reatâncias de um sistema elétrico de potência de pequeno porte.

Deseja-se elaborar a chamada matriz de admitância nodal do sistema, adotando-se a barra 0 como referência e associando-se os índices das linhas e das colunas aos números das barras (1, 2, 3 e 4). A título de ilustração, o elemento Ymn está relacionado às barras !$ m !$ e !$ n !$.
Quais são os elementos da matriz de admitância nodal do sistema Y12, Y13, Y22 e Y44, respectivamente?
Provas
Com base na norma brasileira que regulamenta instalações elétricas de baixa tensão (NBR 5410), informe se é verdadeiro (V) ou falso (F) o que se afirma a seguir.
( ) A NBR 5410 não se aplica a instalações elétricas de edificações industriais ou comerciais.
( ) No dimensionamento de circuitos, o número de pontos de tomada deve ser determinado em função da área total do ambiente e destinação do local, sendo o número mínimo de pontos de tomada em uma cozinha diferente do número mínimo de pontos de tomada em uma copa.
( ) No dimensionamento de circuitos, em cômodos ou dependências com área superior a 6 m2, deve ser prevista uma carga mínima de iluminação de 100 VA para os primeiros 6 m2 acrescida de 60 VA para cada aumento de área de 6 m2 inteiros.
( ) Em circuitos trifásicos com neutro ou em circuitos com duas fases e neutro nos quais a taxa de terceira harmônica (e seus múltiplos) for superior a 33%, a seção reta do condutor de neutro deve ser determinada com a aplicação de um fator que é função da taxa de terceira harmônica presente.
A sequência correta está apresentada em
Provas
Seja um cabo coaxial muito longo, composto por um condutor interno de raio igual a 3 mm e um condutor externo (malha metálica de espessura desprezível) de raio igual a 8,1548 mm.
Se o fabricante do cabo coaxial informa que a permissividade elétrica e a rigidez dielétrica do material isolante que separa os condutores interno e externo são iguais a, respectivamente, 5,2 ∙ !$ ε !$0 (onde !$ ε !$0 corresponde à permissividade elétrica do vácuo e é aproximadamente igual a 8,854 × 10-12 !$ F/m !$) e 5 !$ MV/m !$, qual o valor mais próximo da máxima tensão que pode ser aplicada nesse cabo sem que processos de ionização elétrica se iniciem no referido material isolante?
Provas
Observe o circuito representado a seguir. Ele é composto apenas por uma associação de resistores ideais.

Qual a resistência equivalente vista dos terminais c e d?
Provas
Considere o esquema de aterramento representado na figura a seguir.

De acordo com a ABNT NBR 5410, qual o nome do esquema representado?
Provas
Um técnico instalou um motor CC em derivação em uma fábrica, o qual é equipado com enrolamento de compensação, tem potência, tensão e velocidade nominais iguais a 8 !$ HP !$, 250 !$ V !$ e 2050 !$ rpm !$, respectivamente. Além disso, as resistências de armadura e de campo são 2 !$ Ω !$ e 250 !$ Ω !$, respectivamente. Durante o funcionamento da máquina, o técnico percebeu que, para atender a cargas distintas, ocorria uma variação na velocidade do eixo motor. Em um dos pontos de operação, quando a máquina foi alimentada com 250 !$ V !$, mediram-se uma corrente de rede de 31 A e uma velocidade no eixo do motor de 1900 !$ rpm !$. Mantendo- se o alimentador do motor no ponto de operação anterior, alterou-se a carga e obteve-se uma corrente da rede de entrada de 21 !$ A !$.
Diante dessas informações, qual a velocidade do motor no novo ponto de operação, em !$ rpm !$?
Provas
Com base na norma brasileira que regulamenta a proteção de estruturas contra descargas atmosféricas (ABNT NBR 5419), está correto o que se afirma em
Provas
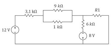
Analise o circuito apresentado a seguir.

Qual o valor de R1 que resulta na máxima transferência de potência a esse elemento, e o valor da máxima potência dissipada em R1, respectivamente?
Provas
Analise as asserções a seguir e a relação proposta entre elas.
I – Um núcleo ferromagnético envolvido por uma espira alimentada em corrente contínua e operando em regime permanente não apresenta fluxo magnético em seu interior
PORQUE
II – o fluxo magnético no interior do material ferromagnético somente é gerado se existir variação da tensão na espira, sendo este o princípio básico no funcionamento dos transformadores.
Sobre as asserções, é correto afirmar que
Provas
Caderno Container