Foram encontradas 653 questões.
De acordo com a ABNT NBR 5410, qual o nome do esquema de aterramento ilustrado na figura a seguir?

Provas
Preencha corretamente as lacunas do texto a seguir quanto à análise de redes no domínio do tempo.
A impedância de uma linha é uma variável complexa que, em cada frequência, permite correlacionar tensões e correntes ao longo da linha. Outro parâmetro importante corresponde à , composta por uma parcela real chamada constante de e uma parcela imaginária chamada constante de .
A sequência que preenche corretamente a lacuna do texto é
Provas
Sejam as afirmações elencadas na sequência, referentes à análise de riscos da norma brasileira de proteção contra descargas atmosféricas, a ABNT NBR 5419.
I - Todos os tipos de riscos presentes em uma edificação, quais sejam, os riscos R1, R2, R3 e R4, devem ser considerados para determinação da necessidade de implantação de medidas de proteção contra as descargas atmosféricas.
II - As perdas associadas ao risco R3 são pertinentes a museus e galerias.
III - As zonas ZS deverão necessariamente estar alinhadas às ZPR.
IV - A proteção provida por um SPDA classe II contempla uma faixa de correntes de descargas atmosféricas mais ampla que a de um SPDA classe IV.
Está correto apenas o que se afirma em
Provas
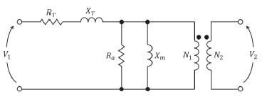
Um transformador monofásico de 50 kVA, 10 kV / 250 V, 60 Hz foi submetido a testes para determinação dos parâmetros do seu circuito equivalente. A tabela exibida na sequência indica os resultados para os ensaios a vazio e de curto-circuito.
| Ensaio | Tensão medida (v) | Corrente medida (A) | Potência ativa medida (W) | Lado de medição |
| Curto-circuito | 1000 | 5 | 1450 | alta tensão (10KV) |
| A vazio | 250 | 4 | 2000 | baixa tensão (250 v) |
Se o circuito representado a seguir for considerado como referência para a determinação dos parâmetros equivalentes do transformador, quais os valores obtidos de !$ R_T !$ e !$ R_a !$, respectivamente?

Provas
Uma linha de transmissão aérea monofásica com retorno de corrente pelo solo está sendo projetada para alimentar uma carga com tensão contínua. Essa linha irá operar com uma tensão que promove uma densidade linear de cargas ao longo dos condutores de 1,76 !$ π !$ !$ μ !$!$ C/m !$.
Considerando-se que o solo pode ser modelado como um condutor elétrico perfeito e que a permissividade relativa do ar é igual à do vácuo (dada, aproximadamente, por !$ ε !$0=8,8×10-12 !$ F/m !$), a alternativa que indica a altura mínima em relação ao solo do condutor da linha de transmissão que promove um nível máximo de campo elétrico ao nível do solo igual a 10 !$ kV !$ / !$ m !$ é de quantos metros?
Provas
Nos informes de placa de um gerador são apresentados os seguintes dados: 13,8 !$ kV !$, 500 !$ MVA !$, x = 0,1 pu, respectivamente iguais à tensão nominal, potência nominal e reatância em pu. Contudo, necessita-se calcular a reatância deste gerador quando as grandezas de base são 138 !$ kV !$e 100 !$ MVA !$.
Qual o valor da reatância considerando-se as novas grandezas de base, em pu?
Provas
A respeito dos parâmetros de uma linha de transmissão (LT) monofásica composta por um condutor aéreo cilíndrico e sólido, cujo retorno de corrente é feito através do solo ideal (condutor elétrico perfeito), é correto afirmar que a
Provas
Seja o circuito representado a seguir, composto por elementos passivos ideais e fontes de tensão e corrente contínuas também ideais.

A resistência equivalente de Thévenin, RTh, e a fonte de tensão independente do equivalente de Thévenin, Vth, do circuito visto pelos terminais c e d são dados, respectivamente, por
Provas
A figura a seguir ilustra o princípio de funcionamento de um gerador CA. Uma espira, imersa em uma região de densidade de fluxo magnético constante e uniforme (B = 0,5 T), é girada com uma velocidade angular !$ ω !$ = 300 rad/s. Se a espira é quadrada e possui a dimensão indicada na figura (1 m de lado), qual o valor de pico a ser medido nos terminais da espira, em V?

Provas
Informe se é verdadeiro (V) ou falso (F) o que se afirma acerca de dispositivos de proteção.
( ) Os dispositivos de proteção à corrente diferencial- residual (ou, simplesmente, dispositivos DR) têm por finalidade seccionar a alimentação de instalações elétricas quando a corrente de fuga detectada for superior a um limiar pré-estabelecido. Nesse sentido, o circuito magnético dos dispositivos DR deve envolver todos os condutores da instalação elétrica.
( ) Os fusíveis são elementos de proteção contra sobrecorrentes.
( ) A proteção contra sobretensões transitórias é garantida a partir da instalação de disjuntores.
( ) A impedância de um DPS do tipo comutador de tensão apresenta um valor elevado em condições normais de operação e reduz-se continuamente com o aumento da tensão e da corrente do surto.
A sequência correta é
Provas
Caderno Container