Foram encontradas 653 questões.
No contexto da Norma Regulamentadora de Segurança em instalações e serviços em eletricidade, a NR-10, são medidas de proteção coletiva, EXCETO
Provas
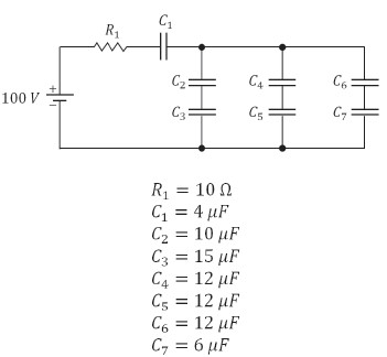
A figura a seguir representa um circuito composto por elementos passivos ideais alimentados por uma fonte de tensão contínua de 100 V.

Considerando-se que a fonte está conectada ao circuito por um período muito longo, a carga armazenada nos capacitores C3, C4 e C6 é dada, respectivamente, por
Provas
Em um sistema trifásico de tensão de linha de 220 !$ V !$ foi conectado um motor de indução de 60 !$ HP !$, 6 polos, em Y. As resistências de fase do estator e do rotor referida ao estator são 0,06 !$ Ω !$ e 0,02 !$ Ω !$, respectivamente. Em um determinado ponto de operação, quando o motor funciona com um escorregamento de 2 %, a corrente do rotor referida ao estator corresponde a 80 !$ A !$.
Considerando-se que as perdas rotacionais são iguais a 816 !$ W !$, qual a potência no eixo do motor?
Provas
Analise as afirmações a seguir e indique (V) para as verdadeiras e (F) para as falsas.
( ) Fusíveis NH são aplicados, usualmente, na proteção de sobrecorrentes de curto-circuito em instalações elétricas industriais.
( ) Os DPS do tipo limitador de tensão apresentam uma característica tensão/corrente contínua.
( ) Em ensaios classe 2 de DPS, é utilizada a chamada onda combinada.
( ) O circuito magnético dos dispositivos DR deve envolver todos os condutores vivos do circuito, inclusive o condutor de proteção.
De acordo com as afirmações, a sequência correta é
Provas
Uma linha de transmissão bifilar aérea de 2 km de extensão apresenta indutância e capacitância respectivamente iguais a 0,01 !$ H/km !$ e 0,25 !$ μ !$!$ F/km !$. Qual a impedância de surto da linha em questão?
Provas
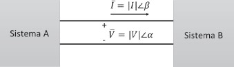
Sabe-se que o sentido do fluxo de potência ativa (P) e reativa (Q) é ditado pelo ângulo de abertura da linha de transmissão, dado pela diferença angular entre a tensão e a corrente (!$ Ψ !$ = !$ α !$ - !$ β !$). Sejam dois sistemas elétricos nomeados como A e B e interligados conforme convenção de sinais apresentada na figura a seguir.

Está correto o que se afirma em
Provas
Pautando-se na Norma Regulamentadora nº 10 (NR- 10), está correto o que se afirma em:
Provas
Considere a espira condutora ilustrada na figura a seguir, imersa em uma região de campo magnético uniforme, cuja variação temporal é descrita por !$ B = 100 !$ !$ cos(300t) !$ !$ μT !$.

A espira possui um raio de 1 m, o seu condutor possui uma seção transversal de 4,0 mm2 e o material que a compõe possui condutividade igual a 107 S/m.
Qual o valor máximo (de pico) da corrente induzida na espira?
Provas
Considere as afirmações a seguir, referentes à norma brasileira de proteção contra descargas atmosféricas (ABNT NBR 5419).
I - A avaliação do risco R4 (risco de perdas de valor econômico) é mandatória na determinação da necessidade de implementação de medidas de proteção contra as descargas atmosféricas.
II - O risco R2 (risco de perdas de serviços ao público) abrange perda de suprimentos de água, gás, energia, sinais de TV e de telecomunicações, além de serviços de saúde de urgência.
III - As zonas ZS não necessariamente devem estar alinhadas às ZPRs.
IV - A utilização de um sistema coordenado de dispositivos de proteção contra surtos promove a redução do número médio anual de danos do tipo D3.
Está correto apenas o que se afirma em
Provas
Considerando-se os materiais elétricos, associe corretamente as propriedades / características / fenômenos à sua respectiva descrição.
PROPRIEDADES / CARACTERÍSTICAS / FENÔMENOS
1 - Corrente parasita
2 - Corrente de deslocamento
3 - Coercividade magnética
4 - Espraiamento
5 - Histerese magnética
6 - Permeabilidade magnética
DESCRIÇÕES
( ) Desvio das linhas de campo magnético para fora do material na região do entreferro, aumentando-se a área efetiva da seção reta de um gap de ar.
( ) Quando da redução a zero do campo magnético externamente aplicado ao material, ocorre a persistência de magnetização no mesmo.
( ) Componente circulante no material ferromagnético que é gerada em oposição às mudanças de densidade de fluxo magnético no material.
( ) Intensidade de campo magnético requerida para reduzir a densidade de fluxo magnético no material a zero.
( ) Propriedade intrínseca do material; indica a capacidade com que o mesmo concentra linhas de campo magnético em seu interior.
A sequência correta, de cima para baixo, é
Provas
Caderno Container