Foram encontradas 50 questões.
O LibreOffice Impress é uma ferramenta gratuita para apresentação de Slides. Sobre os modos de utilização dessa ferramenta associe as colunas a seguir.
MODOS
1 - Normal
2 - Estrutura de Tópicos
3 - Notas 4 - Folheto
5 - Classificador de Slides
UTILIZAÇÕES
( ) Apresenta de um a seis slides em uma só página.
( ) Neste módulo, são exibidas todas as páginas da apresentação em forma de lista, permitindo a edição de títulos e mostrando as principais informações dos slides.
( ) É o modo no qual são criados e editados os slides que compõem a apresentação.
( ) Apresenta uma área de texto do slide onde podem ser feitas anotações para serem usadas durante uma palestra.
( ) Quantidade total de slides de uma apresentação.
A sequência correta de associações é
Provas
Considere a seguinte tabela, levando em conta a elaboração de planilhas eletrônicas no LibreOffice 7.0:

A execução da fórmula =cONt.SES(a2:a17;"=BELO HORiZONtE";E2:E17;"=SiM") retornará
Provas
A figura a seguir apresenta o registrador de STATUS do microcontrolador da família PIC18 que mostra os bits N (negativo), OV (overflow), Z (zero), Dc (Carry de 1 dígito) e C (carry).

Um programador desenvolveu um código em assembly no intuito de somar dois números de 8 bits, mostrado a seguir:
#DEFINE NUMERO_1 0x00
#DEFINE NUMERO_2 0x01
#DEFINE SOMA 0x02
INICIO:
MOVLW 0x78
MOVWF NUMERO_1, ACCESS
MOVLW 0x19
MOVWF NUMERO_2, ACCESS
MOVF NUMERO_2, w, ACCESS
ADDWF NUMERO_1, f, ACCESS
NOP
Considerando-se o estado inicial dos registradores envolvidos no programa em zero, qual o valor do registrador de STATUS, na base hexadecimal, após a execução de todas as linhas do código?
Provas
Sobre arquitetura de microcontroladores da família PIC18 avalie as afirmações a seguir.
I - A pilha é um tipo de memória especial que tem como objetivo viabilizar a implementação de sub-rotinas e interrupções.
II - O registrador chamado de Contador de Programa (PC) é atualizado a cada instrução e indica o endereço na memória de programa onde se encontra a próxima instrução a ser buscada e executada.
III - A arquitetura dos microcontroladores PIC18 é conhecida como Harvard, que se caracteriza por utilizar barramentos distintos para acesso à memória de programa e de dados.
IV - A memória RAM, primariamente utilizada para armazenamento de dados, é não volátil.
Está correto apenas o que se afirma em
Provas
Sobre as topologias de conversores analógico/digital, avalie as afirmações a seguir.
I - A maior desvantagem do conversor analógico digital tipo rampa é o tempo de conversão.
II - O tempo de conversão analógico digital de conversores do tipo aproximações sucessivas varia também com valor do sinal de entrada.
III - Dentre as topologias, os conversores analógico/ digital do tipo flash são os mais rápidos.
Está correto apenas o que se afirma em
Provas
Para o circuito contador apresentado na figura a seguir as entradas J e K estão ligadas em nível lógico 1.

Para um o sinal clock com frequência de 8 kHz, é correto afirmar que a frequência do sinal em D será, aproximadamente, de quantos Hz?
Provas
Assinale a alternativa que apresenta a equação simplificada da seguinte expressão booleana:
!$ x=B(\bar A+A\bar C)+\bar B(\bar A\bar C+AC)+ABC !$
Provas
Considere o circuito digital a seguir.

A expressão booleana que equivale ao resultado lógico deste circuito é
Provas
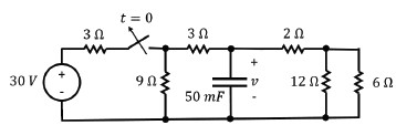
A chave no circuito a seguir está fechada por um longo período de tempo ligando a fonte de alimentação cc ao circuito. No instante de tempo t = 0 ela é aberta.

O valor de v(t) para t!$ \ge !$ 0 é
Provas
Para o circuito a seguir, considere o diodo ideal.

Qual é o valor da corrente I, em mA?
Provas
Caderno Container