Foram encontradas 653 questões.
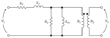
Ensaios de curto-circuito e a vazio foram realizados em um transformador para obtenção dos parâmetros elétricos ilustrados na figura a seguir.

Os parâmetros !$ R_T !$ = 5 !$ Ω !$, !$ X_T !$ = 9 !$ Ω !$, !$ R_a !$ = 50 !$ Ω !$ e !$ X_m !$ = 90 !$ Ω !$ correspondem, respectivamente, aos valores totais de resistência e reatância dos enrolamentos e resistência e reatância do núcleo, todos representados no lado de baixa tensão. Sabendo-se que o transformador é de 1 MVA, 110 V/ 220 V, assinale a alternativa na qual os valores da impedância total dos enrolamentos e da impedância total associada ao núcleo, respectivamente, estão corretamente referenciados no lado de alta tensão.
Provas
Seja uma linha de transmissão em corrente contínua de 12 km de extensão, composta por um condutor aéreo de raio igual a 10 mm e com retorno de corrente pelo solo ideal (condutor elétrico perfeito). Considere que a altura desse condutor em relação ao solo é de 10 metros.
Qual a corrente que flui pela linha capaz de promover uma densidade de fluxo magnético de 20 !$ μ !$!$ T !$ ao nível do solo? (Observação: a permeabilidade magnética do ar é igual a !$ μ !$0 = 4!$ π !$ !$ \times, !$ 10-7 !$ H/m !$.)
Provas
Uma carga trifásica em !$ Δ !$ é apresentada no circuito a seguir.

Assinale a alternativa na qual é indicada corretamente a sua respectiva transformação !$ Δ !$-Y.
Provas
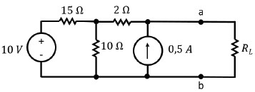
Observe o circuito de corrente contínua a seguir.

Considerando-se que foi inserida uma carga RL para máxima transferência de potência, qual a potência, em W, foi entregue a esta carga?
Provas
O circuito identificado na figura a seguir apresenta a ponte de Wheatstone onde a resistência de 20 !$ Ω !$ representa a resistência interna do galvanômetro.

Qual é a corrente no resistor de 20 !$ Ω !$, em mA?
Provas
O circuito a seguir apresenta resistores associados em um circuito elétrico.

A resistência equivalente vista dos terminais AB é
Provas
Considere uma fonte senoidal com amplitude de 200 V e defasagem de 30 graus ligada a uma carga conforme ilustrado a seguir.

Qual a potência média, em kW, fornecida pela fonte de tensão?
Provas
O circuito a seguir apresenta um amplificador inversor com acoplamento ac.

Avalie as afirmações a seguir.
I - Incluir o resistor R3 não afeta a resistência de entrada do circuito.
II - O amplificador não inversor com acoplamento ac não funcionará sem o resistor R3 ligado ao terra.
III - Para diminuir o efeito da corrente de polarização neste circuito o ideal é escolher R3 igual a R2.
É correto apenas o que se afirma em
Provas
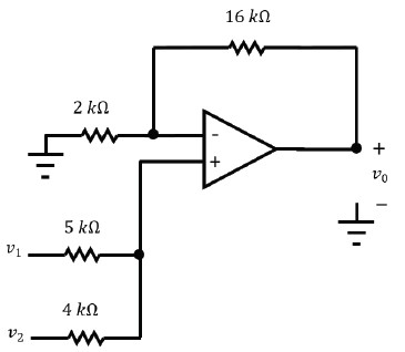
A figura a seguir apresenta um circuito com amplificador operacional ideal, resistores, tensões de entrada v1 e v2 e tensão de saída v0.

A tensão de saída v0 é expressa por
Provas
Analise as afirmações sobre amplificadores operacionais reais.
I - Possuem ganho em malha aberta dependente da frequência do sinal de entrada.
II - Trabalham na região linear quando realimentados positivamente.
III - Possuem alta impedância de saída.
IV - Possuem alta rejeição de tensões iguais em seus terminais de entrada.
É correto apenas o que se afirma em
Provas
Caderno Container