Foram encontradas 653 questões.
Considere o circuito digital a seguir.

A expressão booleana que equivale ao resultado lógico deste circuito é
Provas
A chave no circuito a seguir está fechada por um longo período de tempo ligando a fonte de alimentação cc ao circuito. No instante de tempo t = 0 ela é aberta.

O valor de v(t) para t!$ \ge !$ 0 é
Provas
Para o circuito a seguir, considere o diodo ideal.

Qual é o valor da corrente I, em mA?
Provas
Uma operação matemática muito empregada na tratativa de sinais e sistemas consiste na integral de convolução. A depender do grau de complexidade dos sinais, tal operação pode ser facilmente realizada no domínio do tempo (pautando-se na definição formal da referida operação).
Diante do exposto, dados dois sinais !$ x(t) !$ e !$ y(t) !$, respectivamente representados por !$ Ae !$3t !$ u(t) !$ e !$ Bu(t) !$ com A e B constantes reais e !$ u(t) !$ correspondente ao degrau unitário, assinale a alternativa que corretamente associa a operação !$ x(t) !$ * !$ y(t) !$ para todo t.
Provas
A figura a seguir ilustra um amplificador transistorizado com carga ativa.

Determine o ganho do amplificador.
Provas
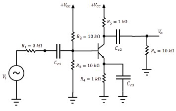
A figura a seguir ilustra um amplificador emissor-comum discreto que emprega uma topologia de polarização clássica. Considere que os capacitores de acoplamento (CC1, CC2 e CC3) possuem valores de capacitâncias iguais a infinito, a transcondutância (gm) igual a 90 mA/V e hfe igual a 180.

A resistência de entrada do amplificador é
Provas
O transistor bipolar de junção é um dispositivo semicondutor amplamente utilizado na construção de dispositivos eletrônicos. Avalie as afirmações sobre o funcionamento de um Transistor Bipolar de Junção (TBJ).
I - Na região ativa de um amplificador emissor-comum, as junções base-coletor e base-emissor são polarizadas diretamente.
II - O parâmetro !$ β !$ de um transistor TBJ aumenta com a diminuição da temperatura.
III - O teorema da superposição é aplicável à análise e ao projeto das componentes CC e CA de um circuito TBJ, permitindo a separação da análise das respostas CC e CA do sistema.
IV - O ganho de tensão com carga de um amplificador emissor-comum é menor do que o ganho de tensão sem carga.
Está correto apenas o que se afirmar em
Provas
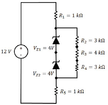
Determine a potência absorvida pelo diodo Zener Z1, conforme circuito mostrado na figura a seguir.

(Desconsidere a resistência interna do diodo Zener).
Provas
A retificação de onda completa pode ser realizada por meio da configuração em ponte com dois diodos, conforme ilustrado na figura a seguir.

Qual é o valor médio da tensão de saída entre os terminais S1 e S2, quando é aplicada uma tensão senoidal de 80 V de amplitude? (Considere diodo ideal.)
Provas
Considere a figura a seguir, que ilustra um filtro passivo de primeira ordem composto por elementos ideais.

Qual o tipo do filtro e a sua respectiva frequência de corte representados?
Provas
Caderno Container