Foram encontradas 35 questões.
A mecânica dos materiais é um campo da engenharia que estuda o comportamento dos materiais sob várias forças. Compreender as propriedades dos materiais é crucial para garantir a segurança e a eficácia das estruturas.
Nesse contexto, assinale a alternativa que apresenta a propriedade de um material que descreve sua capacidade de resistir à deformação elástica.
Provas
A compreensão das diferentes formas de potência é essencial para o gerenciamento eficiente dos sistemas elétricos. A potência ativa é uma dessas formas fundamentais.
A partir disso, assinale a alternativa que apresenta uma definição para potência ativa em sistemas elétricos.
Provas
Diodos são componentes semicondutores que desempenham várias funções essenciais em circuitos eletrônicos. Eles são classificados em diferentes tipos, cada um adequado para aplicações específicas.
Acerca disso, qual é o principal uso do diodo retificador?
Provas
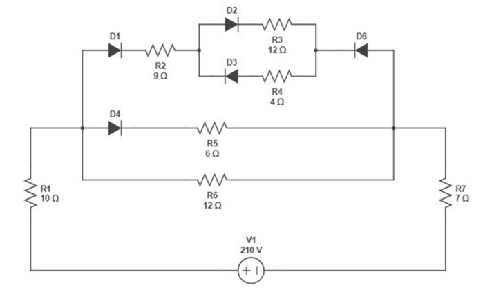
A compreensão da interação entre os diversos componentes de um circuito elétrico é essencial para os profissionais que atuam na área de eletricidade. Para o circuito da figura a seguir, considere que todos os diodos são ideais.

Com base na análise da figura, assinale a alternativa que apresenta a tensão no resistor R7 em volts.
Provas
Os sistemas elétricos industriais frequentemente incluem subestações, que são vitais para a distribuição de energia.
Nesse contexto, assinale a alternativa que apresenta a função de uma subestação em uma instalação industrial.
Provas
As síndromes respiratórias agudas provocadas por diversos agentes etiológicos, em especial a influenza e o coronavírus, têm trazido demandas urgentes aos serviços de saúde.
Sobre esse tema, analise as afirmativas a seguir.
I. A transmissão direta (pessoa a pessoa) é mais comum e ocorre por meio de gotículas expelidas pelo indivíduo infectado com o vírus ao falar, espirrar e tossir.
II. Uma das estratégias para prevenir as síndromes respiratórias é alertar a população sobre a necessidade de manter a residência livre de lixo e resíduos.
III. Nos casos graves da síndrome respiratória aguda, o sinal característico é a hipertensão arterial.
IV. A vigilância epidemiológica pode identificar grupos de maior risco de adoecimento e de evolução para formas graves das doenças de transmissão respiratória.
Estão corretas as afirmativas
Provas
Na rede de atenção à saúde, a atenção básica se destaca dos demais pontos da rede de atenção porque apresenta uma função específica e fundamental para a organização do sistema de saúde, denominada
Provas
Nas portas de entrada dos serviços hospitalares, os critérios adequados para o tempo de espera e organização da demanda de atendimento são definidos com base em algumas metodologias.
Nesse contexto, analise as metodologias a seguir:
I. Acolhimento
II. Classificação de risco
III. Linha de cuidado
IV. Estratificação de risco
São metodologias utilizadas nas portas de entradas dos serviços hospitalares como critérios adequados para o tempo de espera e organização da demanda de atendimento
Provas
Uma senhora chega à sala de vacinação para receber a terceira dose do imunizante da Covid-19, e é informada pela técnica de enfermagem da sala de que a vacinação está suspensa.
É uma circunstância que pode justificar a conduta da profissional:
Provas
O Sistema Único de Saúde (SUS) é um patrimônio do povo brasileiro e está em permanente evidência nas mídias nacionais e internacionais.
Sobre o SUS, assinale a alternativa correta.
Provas
Caderno Container