Foram encontradas 90 questões.
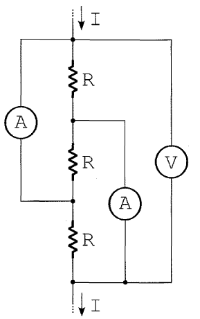
No trecho de circuito mostrado na figura, o voltímetro e os amperímetros são ideais e indicam 6 V e 4/3 A (leitura igual nos dois amperímetros). As resistências possuem valor R desconhecido. A corrente I, em amperes, vale

Provas
Questão presente nas seguintes provas
Começam a pipocar alguns debates sobre as consequências de se passar tanto tempo conectado à internet. Já se fala em "saturação social", inspirado pelo recente depoimento de um jornalista do "The New York Times" que afirmou que sua produtividade no trabalho estava caindo por causa do tempo consumido por Facebook, Twitter e agregados , e que se vê hoje diante da escolha entre cortar seus passeios de bicicleta ou "alguns desses hábitos digitais que estão me comendo vivo".
Antropofagia virtual. O Brasil, pra variar, está atrasado aqui, dois terços dos usuários ainda atualizam seus perfis semanalmente, pois no resto do mundo já começa a ser articulado um movimento de desaceleração dessa tara por conexão: hotéis europeus prometem quartos sem wi-fi como garantia de férias tranquilas, empresas americanas desenvolvem programas de softwares que restringem o acesso a web, e na Ásia crescem os centros de recuperação de viciados em internet. Tudo isso por uma simples razão: existir é uma coisa, viver é outra.
Penso, logo existo. Descartes teria que reavaliar esse seu cogito, ergo sum, pois as pessoas trocaram o verbo pensar por postar. Posto, logo existo.
Tão preocupadas em existir para os outros, as pessoas estão perdendo um tempo valioso em que poderiam estar vivendo, ou seja, namorando, indo à praia, trabalhando, viajando, lendo, estudando, cercados não por milhares de seguidores, mas por umas poucas dezenas de amigos. Isso não pode ter se tornado tão obsoleto.
Claro que muitos usam as redes sociais como uma forma de aproximação, de resgate e de compartilhamento - numa boa. Se a pessoa está no controle do seu tempo e não troca o virtual pelo real, está fazendo bom uso da ferramenta. Mas não tem sido a regra. Adolescentes deixam de ir a um parque para ficarem, trancafiados em seus quartos, numa solidão disfarçada de socialização. Isso acontece dentro da minha casa também, com minhas filhas, e não adianta me descabelar, elas são frutos da sua época, os amigos se comunicam assim, e nem batendo com um gato morto na cabeça delas pra fazê-las entender que a vida está lá fora. Lá fora!! Não me interessa que elas existam pra Tati, pra Rô, pro Cauê. Quero que elas vivam.
O grau de envolvimento delas com a internet ainda é mediano e controlado, mas tem sido agudo entre muito jovens sem noção, que se deixam fotografar portando armas, fazendo sexo, mostrando o resultado de suas pichações, num exibicionismo triste, pobre, desvirtuado. São garotos e garotas que não se sentem com a existência comprovada, e para isso se valem de bizarrices na esperança de deixarem de ser "ninguém" para se tornarem "alguém", mesmo que alguém medíocre.
Casos avulsos, extremos, mas estão ai, ao nosso redor. Gente que não percebe a diferença entre existir e viver. Não entendem que é preferível viver, mesmo que discretamente, do que existir de mentirinha para 17.870 que não estão nem ai.
(MEDEIROS, Martha. Posto, logo existo. Revista O Globo, 25 mar. 2012, p.
De qual estratégia argumentativa a autora se vale para persuadir o leitor da legitimidade da tese que defende?
Provas
Questão presente nas seguintes provas
Uma esfera confeccionada em aço é usada em um rolamento de motor de um navio da Marinha do Brasil. Se o raio da esfera mede !$ \sqrt{3 \sqrt{5 \sqrt{3 \sqrt{5 \sqrt{3}}}}} !$... cm, então seu volume vale
Provas
Questão presente nas seguintes provas
A Shift from Nursing Homes to Managed Care at Home
Faced with soaring health care costs and shrinking Medicare and Medicaid financing, nursing home operators are closing some facilities and embracing an emerging model of care that allows many elderly patients to remain in their homes and still receive the medicai and social Services available in institutions.
In the newer model, a team of doctors, social workers, physical and occupational therapists and other specialists provide managed care for individual patients at home, at adult day-care centers and in visits to specialists. Studies suggest that it can be less expensive than traditional nursing homes while providing better medicai outcomes.
The number of such programs has expanded rapidly, growing from 42 programs in 22 States in 2007 to 84 in 29 States today. In New York City, a program run by a division of Center Light Health System, formerly known as the Be th Abraham Family of Health Services, has over 2,500 participants at 12 sites in the metropolitan area.
"It used to be that if you needed some kind of long-term care, the only way you could get that Service was in a nursing home, with 24-hour nursing care," said Jason A. Helgerson, the Medicaid director for New York State. "That meant we were institutionalizing Service for people, many of whom didn't need 24-hour nursing care. If a person can get a Service like home health care or Meais on Wheels, they can stay in an apartment and thrive in that environment, and it's a lower cost to taxpayers."
(Adapted from http: / /www. nytimes . com)
Considering the text, what do the words "soaring" and "shrinking" mean in this extract?
"Faced with soaring health costs and shrinking Medicare and Medicaid f inancing [...] ."
Provas
Questão presente nas seguintes provas
Começam a pipocar alguns debates sobre as consequências de se passar tanto tempo conectado à internet. Já se fala em "saturação social", inspirado pelo recente depoimento de um jornalista do "The New York Times" que afirmou que sua produtividade no trabalho estava caindo por causa do tempo consumido por Facebook, Twitter e agregados , e que se vê hoje diante da escolha entre cortar seus passeios de bicicleta ou "alguns desses hábitos digitais que estão me comendo vivo".
Antropofagia virtual. O Brasil, pra variar, está atrasado aqui, dois terços dos usuários ainda atualizam seus perfis semanalmente, pois no resto do mundo já começa a ser articulado um movimento de desaceleração dessa tara por conexão: hotéis europeus prometem quartos sem wi-fi como garantia de férias tranquilas, empresas americanas desenvolvem programas de softwares que restringem o acesso a web, e na Ásia crescem os centros de recuperação de viciados em internet. Tudo isso por uma simples razão: existir é uma coisa, viver é outra.
Penso, logo existo. Descartes teria que reavaliar esse seu cogito, ergo sum, pois as pessoas trocaram o verbo pensar por postar. Posto, logo existo.
Tão preocupadas em existir para os outros, as pessoas estão perdendo um tempo valioso em que poderiam estar vivendo, ou seja, namorando, indo à praia, trabalhando, viajando, lendo, estudando, cercados não por milhares de seguidores, mas por umas poucas dezenas de amigos. Isso não pode ter se tornado tão obsoleto.
Claro que muitos usam as redes sociais como uma forma de aproximação, de resgate e de compartilhamento - numa boa. Se a pessoa está no controle do seu tempo e não troca o virtual pelo real, está fazendo bom uso da ferramenta. Mas não tem sido a regra. Adolescentes deixam de ir a um parque para ficarem, trancafiados em seus quartos, numa solidão disfarçada de socialização. Isso acontece dentro da minha casa também, com minhas filhas, e não adianta me descabelar, elas são frutos da sua época, os amigos se comunicam assim, e nem batendo com um gato morto na cabeça delas pra fazê-las entender que a vida está lá fora. Lá fora!! Não me interessa que elas existam pra Tati, pra Rô, pro Cauê. Quero que elas vivam.
O grau de envolvimento delas com a internet ainda é mediano e controlado, mas tem sido agudo entre muito jovens sem noção, que se deixam fotografar portando armas, fazendo sexo, mostrando o resultado de suas pichações, num exibicionismo triste, pobre, desvirtuado. São garotos e garotas que não se sentem com a existência comprovada, e para isso se valem de bizarrices na esperança de deixarem de ser "ninguém" para se tornarem "alguém", mesmo que alguém medíocre.
Casos avulsos, extremos, mas estão ai, ao nosso redor. Gente que não percebe a diferença entre existir e viver. Não entendem que é preferível viver, mesmo que discretamente, do que existir de mentirinha para 17.870 que não estão nem ai.
(MEDEIROS, Martha. Posto, logo existo. Revista O Globo, 25 mar. 2012, p.
O período: "Descartes teria que reavaliar esse seu cogito, ergo sum, pois as pessoas trocaram o verbo pensar por postar." teve seu sentido ALTERADO em que opção?
Provas
Questão presente nas seguintes provas
Dois pequenos satélites A e B, idênticos, descrevem órbitas circulares ao redor da Terra. A velocidade orbital do satélite A vale !$ V_A = 2 \times 10^3 !$ m/s. Sabendo que os raios orbitais dos satélites são relacionados por !$ { \large R_B \over R_A} = 1 \times 10^2 !$, a velocidade orbital do satélite B, em m/s, vale
Provas
Questão presente nas seguintes provas
Uso a palavra para compor meus silêncios.
Não gosto das palavras
Não gosto das palavras
fatigadas de informar.
Dou mais respeito
às que vivem de barriga no chão
Dou mais respeito
às que vivem de barriga no chão
tipo água pedra sapo.
Entendo bem o sotaque das águas.
Dou respeito às coisas desimportantes
Entendo bem o sotaque das águas.
Dou respeito às coisas desimportantes
e aos seres desimportantes.
Prezo insetos mais que aviões.
Prezo a velocidade
das tartarugas mais que a dos misseis.
Tenho em mim esse atraso de nascença.
Eu fui aparelhado
Prezo insetos mais que aviões.
Prezo a velocidade
das tartarugas mais que a dos misseis.
Tenho em mim esse atraso de nascença.
Eu fui aparelhado
para gostar de passarinhos.
Tenho abundância de ser feliz por isso.
Meu quintal é maior do que o mundo.
Sou um apanhador de desperdícios:
Amo os restos
Tenho abundância de ser feliz por isso.
Meu quintal é maior do que o mundo.
Sou um apanhador de desperdícios:
Amo os restos
como as boas moscas.
Queria que a minha voz tivesse um formato de canto.
Porque eu não sou da informática:
Queria que a minha voz tivesse um formato de canto.
Porque eu não sou da informática:
eu sou da invencionática.
Só uso a palavra para compor meus silêncios.
Só uso a palavra para compor meus silêncios.
(BARROS, Manoel de. O apanhador de desperdícios. In: Memórias inventadas para crianças. São Paulo: Planeta do Brasil, 2006, p.14-15)
Em que opção se encontra a explicação para o verso "Tenho abundância de ser feliz por isso."?
Provas
Questão presente nas seguintes provas
Qual o valor da expressão !$ \sqrt{ cos \, sec^2 \pi x + cot \, g { \large \pi x \over 2} + 2 } !$, onde x é a solução da equação trigonométrica !$ arctg \, x + arctg \begin{pmatrix} { \large x \over x + 1 } \end{pmatrix} = { \large \pi \over 4} !$ definida no conjunto !$ \Re - \{ -1 \} !$?
Provas
Questão presente nas seguintes provas
Genetically Modified Foods, Pros and Cons.
Genetically modified foods (GMs)are becoming increasingly coirtmon in many countries. However, before one opts for any of these foods, it is very important to know about their pros and cons.
There are a variety of reasons for developing GMs. For instance, some foods are genetically modified to prevent the occurrence of allergies after consumption, while some are developed to improve their shelf life.
Though the seeds of GMs are quite expensive, their cost of production is said to be lesser than that of the traditional crops for these foods do have natural resistance towards damaging pests and insects. This reduces the necessity of exposing crops to hazardous Chemicals. It is also said that GMs grow faster. Due to this, productivity increases, providing the population with more food. At times, GMs crops can be grown at places with unfavorable climatic conditions whereas a normal crop can grow only in specific season or under some favorable climatic conditions.
The biggest threat caused by GMs is that they can have harmful effects on the human body. It is believed that they can cause diseases which are immune to antibiotics. Moreover, according to some experts, people who consume such foods have high chances of developing câncer. Besides, not much is known about their long-term effects on human beings.
In many countries, manufacturers do not mention on the labei that foods are genetically modified because they think that this would affect their business. However, this is not a good practice as consumers do not get the chance to decide whether they should really opt for these foods, Experts are of the opinion that with the increase of genetically modified foods, developing countries would start depending more on industrial countries because it is likely that the food production would be controlled by them in the time to come.
(Adapted from http://www.buzzle.com)
Which is the best alternative considering some of the statements are TRUE (T) and others are FALSE (F)?
I- All types of GMs last longer than their traditional counterparts.
II- The cost of production of GMs is higher due to the cost of the seeds.
III- Some companies omit Information about their products to save money.
IV- GMs crops require less Chemicals than traditional ones.
V- GMs consumption can make some organisms resistant to antibiotics.
The best alternative is
Provas
Questão presente nas seguintes provas
Começam a pipocar alguns debates sobre as consequências de se passar tanto tempo conectado à internet. Já se fala em "saturação social", inspirado pelo recente depoimento de um jornalista do "The New York Times" que afirmou que sua produtividade no trabalho estava caindo por causa do tempo consumido por Facebook, Twitter e agregados , e que se vê hoje diante da escolha entre cortar seus passeios de bicicleta ou "alguns desses hábitos digitais que estão me comendo vivo".
Antropofagia virtual. O Brasil, pra variar, está atrasado aqui, dois terços dos usuários ainda atualizam seus perfis semanalmente, pois no resto do mundo já começa a ser articulado um movimento de desaceleração dessa tara por conexão: hotéis europeus prometem quartos sem wi-fi como garantia de férias tranquilas, empresas americanas desenvolvem programas de softwares que restringem o acesso a web, e na Ásia crescem os centros de recuperação de viciados em internet. Tudo isso por uma simples razão: existir é uma coisa, viver é outra.
Penso, logo existo. Descartes teria que reavaliar esse seu cogito, ergo sum, pois as pessoas trocaram o verbo pensar por postar. Posto, logo existo.
Tão preocupadas em existir para os outros, as pessoas estão perdendo um tempo valioso em que poderiam estar vivendo, ou seja, namorando, indo à praia, trabalhando, viajando, lendo, estudando, cercados não por milhares de seguidores, mas por umas poucas dezenas de amigos. Isso não pode ter se tornado tão obsoleto.
Claro que muitos usam as redes sociais como uma forma de aproximação, de resgate e de compartilhamento - numa boa. Se a pessoa está no controle do seu tempo e não troca o virtual pelo real, está fazendo bom uso da ferramenta. Mas não tem sido a regra. Adolescentes deixam de ir a um parque para ficarem, trancafiados em seus quartos, numa solidão disfarçada de socialização. Isso acontece dentro da minha casa também, com minhas filhas, e não adianta me descabelar, elas são frutos da sua época, os amigos se comunicam assim, e nem batendo com um gato morto na cabeça delas pra fazê-las entender que a vida está lá fora. Lá fora!! Não me interessa que elas existam pra Tati, pra Rô, pro Cauê. Quero que elas vivam.
O grau de envolvimento delas com a internet ainda é mediano e controlado, mas tem sido agudo entre muito jovens sem noção, que se deixam fotografar portando armas, fazendo sexo, mostrando o resultado de suas pichações, num exibicionismo triste, pobre, desvirtuado. São garotos e garotas que não se sentem com a existência comprovada, e para isso se valem de bizarrices na esperança de deixarem de ser "ninguém" para se tornarem "alguém", mesmo que alguém medíocre.
Casos avulsos, extremos, mas estão ai, ao nosso redor. Gente que não percebe a diferença entre existir e viver. Não entendem que é preferível viver, mesmo que discretamente, do que existir de mentirinha para 17.870 que não estão nem ai.
(MEDEIROS, Martha. Posto, logo existo. Revista O Globo, 25 mar. 2012, p.
O referente do termo sublinhado está corretamente identificado em qual opção?
Provas
Questão presente nas seguintes provas
Cadernos
Caderno Container