Foram encontradas 577 questões.
Na otimização de uma linha de transmissão, o custo global de instalação CGI (materiais, construção e montagem) e o valor presente das perdas e manutenção VPP, ao longo da sua vida útil, são dados pelas expressões:
CGI=a+b.A
\( VPP={\large{c \over A}} \)
onde a, b e c são constantes e A é a área do feixe de condutores.
A área do feixe de condutores mais econômica é:
Provas
Considere o sistema de 3 barras e 2 ramos cujos dados estão apresentados na tabela abaixo.
| Dados dos ramos em pu na base do sistema |
|||||
| Barras |
Tipo | r | x | btotal | 1: tap |
| 1 - 2 |
LT média | 0,10 | 1,00 | 0,20 |
- |
| 2 - 3 |
TCAT | 0,00 | 0,10 | - | 1: 1,10 |
LT – Linha de Transmissão;
TCAT – Transformador com Comutação Automática de Tap;
r – resistência série do ramo;
x – reatância série do ramo;
btotal – susceptância shunt total da linha;
1: tap – Tap modelado no secundário operando na posição indicada.
A Matriz de Admitância Nodal (Ybarra) do sistema é:
Provas
A Conta Consumo de Combustíveis (CCC) surgiu com o objetivo de subsidiar os custos com combustíveis fósseis para a geração termelétrica descentralizada nas regiões eletricamente isoladas. A Resolução 245 da ANEEL prevê a utilização desses recursos nos empreendimentos de geração elétrica que venham a substituir total ou parcialmente a geração termelétrica que utilize os derivados de petróleo. As Pequenas Centrais Hidrelétricas (PCH) podem utilizar os recursos dessa conta, desde que os aproveitamentos hidrelétricos tenham potência:
| Superior |
igual ou inferior a (mantendo-se |
Provas
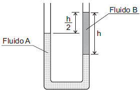
Observe a figura abaixo.

O manômetro simples de tubo em U da figura está em equilíbrio na condição mostrada. Neste caso, a relação entre as massas específicas dos fluidos A e B é:
Provas
A inversa da matriz \( \begin{pmatrix}1 & 3 \\ 1 & 2 \end{pmatrix} \) é:
Provas
Os querogênios do Tipo I (sapropélico), do Tipo II (rico em lipídios) e do Tipo III (húmico) originam-se, respectivamente, de:
| Tipo I |
Tipo II | Tipo III |
Provas
Em um ajuste de um modelo de regressão linear simples, \( \hat{y}=a+bx \) , os dados são:
n = 30;
\( ∑ \)x = 360;
\( ∑ \)y = 30;
\( ∑ \)x2 = 4 800;
\( ∑ \)y2 = 60 e
\( ∑ \)xy = 400
O modelo ajustado é:
Provas
O tipo de petróleo denominado West Texas Intermediate (WTI) possui uma densidade de 39,6°API e contém 0,24% de enxofre. Já o petróleo do tipo Brent possui uma densidade de 38,3°API e contém 0,37% de enxofre. Estes petróleos podem ser considerados:
| WTI |
Brent |
Provas
No Rio Guandu, que abastece de água potável a região metropolitana do Rio de Janeiro, há a monitoração constante de alguns parâmetros químicos e físicos da água que chega à estação de tratamento. São medidos constantemente o oxigênio dissolvido, o pH, a temperatura, a condutividade da água e o carbono orgânico total.
Suponha que foram detectadas modificações em alguns parâmetros, como exemplificado abaixo.
I - Diminuição do oxigênio dissolvido.
II - Diminuição do pH.
III - Aumento da condutividade da água.
Essas modificações são explicadas, respectivamente, por:
| I | II | III |
Provas
A tabela abaixo se refere aos Sistemas Isolados Brasileiros. Identifique a alternativa que apresenta corretamente o Sistema predominante, a(s) região(ões) onde está(ão) localizado(s) e os percentuais do território e da população aos quais atendem.
| Sistema |
Região(ões) | Área do Território |
População |
Provas
Caderno Container