Foram encontradas 120 questões.
Se !$ f(x)= \large{1+3x \over x+3} !$, com !$ x \in, IR\ !$ e !$ x ≠ -3 !$, é uma função invertível, o valor de !$ f^{-1}(2) !$ é
Provas
Questão presente nas seguintes provas
Read the text and answer question.
Homeless crack addict revitalizes small square in downtown São Paulo
A homeless man has chosen to occupy his free time revitalizing a small square on the corner of avenues São João and Duque de Caxias, in downtown São Paulo. He planted pau-brasil, palm, banana and avocado trees. He also planted boldo, sweet potatoes, beans, peppers and ornamental plants, such as snake plants. Residents noticed the square’s gradual changes and congratulated the author for the modifications.
Fonte: Folha de São Paulo Internacional – 21/03/2017
The words “small”, “sweet” e “ornamental”, underlined in the text, are __________.
Provas
Questão presente nas seguintes provas
Considere o quadrilátero ABCO, de vértices A, B e C na circunferência e vértice O no centro dela. Nessas condições x mede
Provas
Questão presente nas seguintes provas
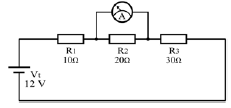
Em uma aula de laboratório o professor montou um circuito com 3 resistores ôhmicos !$ R_1 !$, !$ R_2 !$ e !$ R_3 !$ associados a uma fonte de alimentação ideal (Vt) conforme o circuito abaixo. E solicitou ao aluno que, usando um amperímetro ideal, medisse o valor da intensidade de corrente elétrica que flui através de !$ R_2 !$.

O aluno, porém fez a ligação do amperímetro (A) da maneira indicada na figura a seguir. Com base nisso, assinale a alternativa que representa o valor indicado, em ampères, no amperímetro.

Provas
Questão presente nas seguintes provas
Read the text and answer question.
JetBlue ... The crisis? Never heard of it…
The domestic air transport market in the USA must seem highly unstable to newcomers, including low-cost carriers. Of the 82 airlines formed in ten years that followed deregulation in 1978, only two have survived - America West and Mid-west Express. Statistics show that three quarters of all projects never even get off the ground and that most of the others crash in less than five years.
Paradoxically, Southwest Airlines, the No.1 success story in the US air transport today, was founded before deregulation (in 1972), though it did take advantage of it. Many of those who tried to imitate the Southwest model came to grief. Not JetBlue, which just four years after it was formed is continuing to grow at a spectacular rate.
Fonte: Revista Planet Aero-Space
GLOSSARY
come to grief – falir
deregulation – desregulamentação
‘Paradoxically’, in bold in the text was used to express
Provas
Questão presente nas seguintes provas
- Estatística DescritivaMedidas de Tendência CentralMédiasMédia AritméticaMédia Simples (Não Agrupados)
A média aritmética de cinco números é 7. Se for retirado do conjunto o número 9, a média aritmética dos restantes será
Provas
Questão presente nas seguintes provas
Read the text and answer question.
It’s never too late to make changes to prevent diseases that may end your flying career. And becoming healthier doesn’t mean you have to make major changes. Here are some tips on what you can do today to keep yourself in the air for years to come.
- take the stairs instead of riding the elevator;
- limit red meat;
- consume more vegetables;
- wear UV-blocking sunglasses;
- walk more;
- try a yoga class;
- don’t smoke;
- drink a lot of water;
- find an activity that you love after retirement.
Fonte:http://goo.gl/W3uCrU Acess 30/05/2017
According to the text, in order to live a healthy life for years, you should __________.
Provas
Questão presente nas seguintes provas
Dado o número complexo !$ z=a+bi !$, se !$ z+\bar{z}=10 !$ e !$ z-\bar{z}=-16i !$, então !$ a+b !$ é
Provas
Questão presente nas seguintes provas
Assinale a alternativa em que não há predicado verbo-nominal.
Provas
Questão presente nas seguintes provas
Considere o conjunto de valores x, 90, 72, 58, 85, 55. Se 58 < x < 72 e a mediana desse conjunto é 66, então x é
Provas
Questão presente nas seguintes provas
Cadernos
Caderno Container