Foram encontradas 100 questões.
Assinale a alternativa em que o termo destacado é objeto indireto.
Provas
Questão presente nas seguintes provas
Leia:
Nessas terras onde andei, o clima é hostil o ano todo. Por um tempo, abriguei-me numa casa cujas paredes eram feitas de madeira. Essa casa, que já servira de abrigo a viajantes em outros tempos, tinha um quê de mistério no ar.
Quantas orações subordinadas adjetivas há no texto acima?
Provas
Questão presente nas seguintes provas
Sabendo-se que as classes A, B, AB, C e D são classes de amplificadores. Correlacione as colunas abaixo e, em seguida, assinale a alternativa com a sequência correta.
(1) Classe A
(2) Classe B
(3) Classe AB
(4) Classe C
(5) Classe D
( ) Opera utilizando sinais digitais ou pulsados.
( ) Possui estágios de saída que conduzem entre 180º e 360º, oferecendo um ciclo completo com menor eficiência.
( ) Polarizado para operar em menos de 180º do ciclo do sinal de entrada.
( ) Eficiência máxima de 78,5% (teoricamente).
( ) Tem como característica o ponto Q polarizado em um nível que permita que o sinal varie para cima e para baixo sem atingir uma tensão suficiente para ser restringida pelo valor de fonte de tensão ou desça a um ponto suficiente baixo para atingir o valor inferior de fonte.
Provas
Questão presente nas seguintes provas
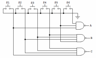
Analise o circuito e assinale a alternativa correta.

Provas
Questão presente nas seguintes provas
Analise as afirmações abaixo.
I- Após a aplicação de um pulso de disparo, o multivibrador monoestável não-redisparável inicia um novo intervalo de tempo, sem a necessidade de retornar ao seu estado estável antes de ser disparado.
II- A duração de um pulso de saída do multivibrador monoestável, para ser sempre a mesma, depende da duração dos pulsos de entrada.
III- O multivibrador monoestável é muito usado na geração de sinais de clock para circuitos digitais síncronos.
Estão incorretas
Provas
Questão presente nas seguintes provas
Otimismo
O otimismo é o vinho tinto das emoções. Uma ou duas taças por dia fazem um bem enorme. Duas garrafas arruínam a pessoa. A diferença do volume da bebida ilustra os dois tipos de otimismo, o racional, uma das conquistas evolutivas mais preciosas da espécie, e o irracional, a fonte de grandes tragédias históricas e fracassos pessoais. A média das mais amplas pesquisas já conduzidas sobre o tema revela que cerca de 80% das pessoas são otimistas. Essa é a parcela da humanidade capaz de enxergar o copo meio cheio. A outra parcela, a minoria, cuja mente vê o mesmo copo meio vazio, tem uma única vantagem sobre a maioria, pois, como diz o ditado, “o pessimista só tem boas surpresas”.
Os otimistas têm más surpresas e são capazes de assimilá-las e transformar o azedume em doce limonada. Eles vivem mais e têm maior resistência às doenças. Quando presos a um leito de hospital, são eles que têm maior chance de cura. Essas pessoas ousam mais, poupam mais e aposentam-se mais tarde. Se a consciência da morte torna o pessimismo inerente à condição humana, o instinto vital se alimenta do otimismo para que a ideia da finitude não nos enlouqueça.
As pessoas mais interessantes são os otimistas com os pés bem plantados no chão. São os arquitetos do futuro, que tomam uma ou mais taças diárias do vinho da ousadia. São as personalidades com um olho nas lições do passado e o outro nas questões do presente e nos desafios do futuro. São, ao mesmo tempo, raízes e asas. Ilusão e realidade.
(Revista Veja, 23 de janeiro de 2013 – texto adaptado)
Indique qual das palavras abaixo não resume a ideia contida no trecho em destaque:
Uma ou duas taças por dia fazem um bem enorme. Duas garrafas arruínam a pessoa.
Provas
Questão presente nas seguintes provas
Analise o circuito abaixo e assinale a alternativa correta. Considere o circuito alimentado.
Dados:
Vout: tensão de saída.
Vin: tensão de entrada.

Provas
Questão presente nas seguintes provas
Analise o circuito abaixo e assinale a alternativa correta.

Provas
Questão presente nas seguintes provas
Sabendo-se que !$ I_D !$ = 5,625 mA, qual o valor de !$ V_DS !$? Dados: ID: corrente de dreno; VDS: tensão dreno-fonte.

Provas
Questão presente nas seguintes provas
Marque (V) para verdadeiro ou (F) para falso. Em seguida, assinale a alternativa com a sequência correta.
( ) DIP (dual-in-line package) é um tipo de encapsulamento de circuito integrado.
( ) Um sinal lógico sempre sofre atrasos ao atravessar um circuito integrado (CI). Esses atrasos são denominados atrasos de propagação e ocorrem quando há transição do nível lógico 0 para 1 e vice-versa.
( ) A montagem em superfície é um método de fabricação de placas de circuito impresso. Inicialmente, os componentes eletrônicos são posicionados e mantidos sobre a placa por meio de uma pasta de solda e, para que ocorra a soldagem dos terminais, toda a placa é aquecida.
Provas
Questão presente nas seguintes provas
Cadernos
Caderno Container