Foram encontradas 100 questões.
A figura abaixo representa um registrador de deslocamento. Dado: !$ Q_3 , Q_2 , Q_1 e Q_0 !$ são entradas do registrador.

Utilizando a operação Shift-Right, assinale a alternativa que indica a saída desse registrador para uma informação de entrada !$ 1010_2 !$ .
Provas
Questão presente nas seguintes provas
No Laboratório de Eletrônica da Escola Técnica VOAR, há um amperímetro de 1mA que tem um erro de calibração de 2,5%. Qual é o valor que poderá ser lido para a corrente de 1mA?
Provas
Questão presente nas seguintes provas
Leia:
A primeira montanha-russa invertida do Brasil está deixando muita gente de cabelo em pé. Na viagem de apenas um minuto e meio, a 100 quilômetros por hora, os passageiros permanecem com as pernas suspensas, já que o trilho fica sobre a cabeça.
Assinale a alternativa em que os termos classificam-se, respectivamente, como locução adverbial de modo e locução adverbial de lugar.
Provas
Questão presente nas seguintes provas
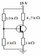
Dado o circuito abaixo, calcule o valor da tensão VE e, em seguida, assinale a alternativa correta. Dados: Desconsidere o valor de !$ I_B !$. O TBJ (NPN) é de silício. !$ R_1 = 10 kΩ ; R_2 = 2 k Ω ; R3 = 4,7 kΩ ; R4 = 1 k Ω . !$

Provas
Questão presente nas seguintes provas
Em relação à classificação do predicado, coloque (C) para certo e (E) para errado. Em seguida, assinale a alternativa com a sequência correta.
I- ( ) Encontramos enferrujadas as ferramentas. (predicado verbo-nominal)
II- ( ) O professor considerou Amadeu inteligente. (predicado verbo-nominal)
III- ( ) Antigamente as avós contavam muitas histórias belas para os netos. (predicado nominal)
IV- ( ) Os convidados julgaram o dia da confraternização inoportuno. (predicado verbal)
Provas
Questão presente nas seguintes provas
Leia:
Nada como a indiferença do tempo, esse rolo compressor que esmaga todos os nossos momentos e os transforma em lembranças. Ele nos leva o futuro e nos deixa o passado.
No texto acima, há duas figuras de linguagem. São elas
Provas
Questão presente nas seguintes provas
O circuito lógico abaixo é usado para ativar um alarme sempre que a saída Z for nível lógico alto. Sendo assim, assinale a alternativa que representa a expressão simplificada de saída.
Provas
Questão presente nas seguintes provas
Assinale a alternativa em que o termo destacado é predicativo do sujeito.
Provas
Questão presente nas seguintes provas
Leia: Hoje, estima-se que o Brasil seja o quarto país responsável pelas mudanças climáticas por causa das queimadas. O termo destacado no texto acima é um
Provas
Questão presente nas seguintes provas
Analise o circuito abaixo e, em seguida, assinale a alternativa correta.

Provas
Questão presente nas seguintes provas
Cadernos
Caderno Container