Foram encontradas 100 questões.
No circuito abaixo, ocorreu um aumento da corrente de 10 mA para 20 mA, em função do aumento da tensão de alimentação (Vcc). Em relação ao diodo, podemos afirmar que a

Provas
Questão presente nas seguintes provas
Durante o voo de uma aeronave, o piloto percebeu que alguns ruídos estavam atrapalhando o sistema de comunicação. Fazendo um estudo em terra, chegou-se à conclusão de que uma determinada faixa de frequência apresentava um alto grau de ruído. Com o intuito de minimizar tais interferências e, sabendo que tal procedimento não iria afetar o sistema de comunicação da aeronave, o técnico responsável sugeriu a aplicação de filtros para eliminar essa faixa de frequência. Os filtros utilizados foram
Provas
Questão presente nas seguintes provas
Os blocos A e B representam circuitos eletrônicos. Ao aplicar na entrada do A o sinal X, verifica-se, em sua saída, o sinal Y. Ao aplicar na entrada de B o sinal Z, verifica-se, em sua saída, o sinal W.

Com base nas informações acima, assinale a alternativa que preenche correta e respectivamente as lacunas abaixo. O circuito A é um e o B é um .
Provas
Questão presente nas seguintes provas
No circuito abaixo, determine o valor de !$ V_{DS} !$ , sabendo-se que !$ I_{DQ} !$ = 1,8 mA. Em seguida, assinale a alternativa correta.

Provas
Questão presente nas seguintes provas
Analise a figura abaixo e determine o valor da resistência do diodo para uma !$ I_D = 14 mA !$. Assinale a alternativa correta.

Provas
Questão presente nas seguintes provas
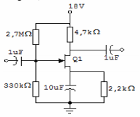
Analise o circuito abaixo e assinale a alternativa correta.

Provas
Questão presente nas seguintes provas
No circuito abaixo, qual o valor da corrente elétrica que circula pelo resistor de 10 k!$ Ω !$, quando o diodo conduz, !$ V_D = 0,8V !$?

Provas
Questão presente nas seguintes provas
Assinale a alternativa que contém, na sequência, o pronome oblíquo átono devidamente colocado junto à forma verbal, conforme rege a norma culta da língua.
Quanto aos políticos corruptos, não meu voto, pois sempre de ter colocado no poder um governante que inocente quando há inúmeras provas contra ele.
Provas
Questão presente nas seguintes provas
Assinale a alternativa em que todas as palavras recebem acento gráfico devido ao mesmo princípio.
Provas
Questão presente nas seguintes provas
Simplificando-se a expressão: !$ Z = AB\overline{D} + A\overline{B} \overline{D} !$ , tem-se:
Provas
Questão presente nas seguintes provas
Cadernos
Caderno Container