Foram encontradas 100 questões.
Qual o valor da tensão de entrada de um Amp. Op. (Amplificador Operacional), sabendo-se que a tensão de saída é 20 V e o ganho de tensão igual a 100.000?
Provas
Questão presente nas seguintes provas
A figura abaixo representa um oscilador

Provas
Questão presente nas seguintes provas
Assinale a alternativa na qual a flexão de grau do adjetivo superlativo sintético está incorreta.
Provas
Questão presente nas seguintes provas
Com base no circuito abaixo, assinale a alternativa que apresenta o valor da tensão de saída (Vo) quando o dispositivo de silício está desligado.

Provas
Questão presente nas seguintes provas
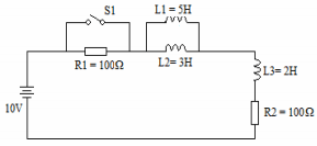
Para o circuito abaixo, calcule a constante de tempo com a chave !$ S_1 !$ fechada. Em seguida, assinale a alternativa correta.

Provas
Questão presente nas seguintes provas
Leia:
Andam nascendo os perfumes
Na seda crespa dos cravos
Nos versos acima, o termo em destaque exerce função sintática de
Provas
Questão presente nas seguintes provas
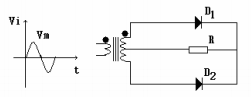
Com base no circuito abaixo, marque (V) para verdadeiro ou (F) para falso e, em seguida, assinale a alternativa que apresenta a sequência correta. Dado: !$ V_i !$ é o sinal que será aplicado à entrada do transformador.

( ) Trata-se de um circuito retificador de onda completa.
( ) A tensão de pico inversa do diodo (PIV) é dada por: PIV !$ \ge !$ Vm, onde Vm é a tensão média de saída.
( ) Durante a porção positiva de !$ V_i !$ o diodo !$ D_1 !$ estará polarizado diretamente e !$ D_2 !$ inversamente.
( ) A tensão através do resistor de carga R apresenta a mesma polaridade nos ciclos positivos e negativos de !$ V_i !$ .
Provas
Questão presente nas seguintes provas
Em qual alternativa as conjunções preenchem, correta e respectivamente, as lacunas dos períodos abaixo?
I- Não observou a sinalização, foi multado por estacionar em local proibido.
II- Ele é um bom motorista, não respeita os limites de velocidade.
III- Não beba antes de dirigir não dirija.
IV- Use sempre o cinto de segurança, ele é fundamental para a sua proteção.
Provas
Questão presente nas seguintes provas
Assinale a alternativa que completa, correta e respectivamente, as lacunas abaixo.
Os dias estão quentes.
Jean está com o serviço militar.
Essa pimenta não é para temperar peixe.
Depois de cair da escada, a mulher ficou tonta
.
Provas
Questão presente nas seguintes provas
2485352
Ano: 2014
Disciplina: Engenharia de Telecomunicações
Banca: DIRENS Aeronáutica
Orgão: EEAr
Disciplina: Engenharia de Telecomunicações
Banca: DIRENS Aeronáutica
Orgão: EEAr
Provas:
O circuito demodulador PLL (phase-locked loop), usado nos demoduladores de FM, consiste em três elementos básicos que são:
Provas
Questão presente nas seguintes provas
Cadernos
Caderno Container