Foram encontradas 640 questões.
“As feridas traumáticas incluem abrasões, lacerações, feridas puntiformes e amputações”. Correlacione as colunas e assinale a alternativa correta.
1- Abrasão
2- Laceração
3- Amputação
4- Ferida puntiforme
( ) Perda parcial da superfície cutânea.
( ) Um objeto pontiagudo penetra na pele.
( ) Remoção de parte do corpo, membro ou parte dele.
( ) A pele é rompida, provocando bordas irregulares e recortadas.
Provas
Questão presente nas seguintes provas
2266513
Ano: 2010
Disciplina: TI - Redes de Computadores
Banca: DIRENS Aeronáutica
Orgão: EEAr
Disciplina: TI - Redes de Computadores
Banca: DIRENS Aeronáutica
Orgão: EEAr
Provas:
Serviços padrão como e-mail, FTP e Web se associam a portas “bem conhecidas”. Nos sistemas Linux, essas portas estão definidas em:
Provas
Questão presente nas seguintes provas
A exsudação em um concreto ocorre quando
Provas
Questão presente nas seguintes provas
Para verificarmos a resistência à água do ligante em relação ao agregado, os quais serão utilizados em uma mistura asfáltica, devemos fazer o ensaio de
Provas
Questão presente nas seguintes provas
Uma fonte de corrente contínua gera uma tensão de 220Vcc. Essa fonte é usada para alimentar dois motores de corrente nominal de 4A e um motor com corrente nominal de 2A. Qual a corrente total do circuito, sabendo-se que eles estão ligados em paralelo?
Provas
Questão presente nas seguintes provas
Qual técnica da Pesquisa Operacional propõe uma formulação matemática para a análise dos conflitos?
Provas
Questão presente nas seguintes provas
Simplificando ao máximo a expressão ( !$ \bar{A} !$ + BC).(A + B) obtemos
Provas
Questão presente nas seguintes provas
O processo através do qual plaquetas, plasma e fatores de coagulação interagem para controlar o sangramento é denominado:
Provas
Questão presente nas seguintes provas
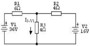
Dado o circuito abaixo, calcule a corrente que passa pelo resistor R3 em função de V1 (I3,V1).

Provas
Questão presente nas seguintes provas
É o método no qual a área desejada é dividida em quadrados ou retângulos e a cota é determinada nos cantos de cada uma dessas figuras.
Provas
Questão presente nas seguintes provas
Cadernos
Caderno Container