Foram encontradas 520 questões.
O diabetes pode ser classificado em
Provas
Questão presente nas seguintes provas
Segundo o contexto ANSI, o Esquema Conceitual de Banco de Dados refere-se
Provas
Questão presente nas seguintes provas
Indique a alternativa que contém somente capitais próprios.
Provas
Questão presente nas seguintes provas
- PODC: Processo OrganizacionalProcesso Administrativo: PlanejamentoPlanejamento Estratégico, Tático e Operacional
Assinale a alternativa que corresponde ao modelo inserido dentro da teoria Neoclássica que obedece aos seguintes estágios: formulação dos objetivos organizacionais; análise externa do ambiente; análise interna da empresa; formulação das alternativas para alcançar os objetivos organizacionais e estágio de desenvolvimento de planos táticos e operacionais.
Provas
Questão presente nas seguintes provas
2053934
Ano: 2009
Disciplina: TI - Redes de Computadores
Banca: DIRENS Aeronáutica
Orgão: EEAr
Disciplina: TI - Redes de Computadores
Banca: DIRENS Aeronáutica
Orgão: EEAr
Provas:
Sobre os modos de operação da porta paralela, podemos dizer que o modo de operação é unidirecional e possui uma taxa de transferência máxima de 150 KB/s. Já o possui modo e da taxa de transferência.
Provas
Questão presente nas seguintes provas
Assinale a alternativa que completa corretamente a lacuna do texto seguinte.
O termo eletroforese é usado para descrever a migração de uma partícula carregada sob influência de um campo .
Provas
Questão presente nas seguintes provas
Para diferenciarmos os sinais de edema, coleções e tumores com conteúdo líquido do líquido cefalorraquidiano presente no encéfalo, devemos utilizar a
Provas
Questão presente nas seguintes provas
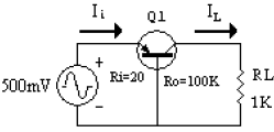
Calcule o ganho de tensão (Av) para o circuito da figura abaixo, devidamente polarizado, sabendo que a tensão de entrada (Vi) vale 500mV e !$ R_L = 1 K \Omega !$. Considere !$ \alpha_{ca =1} !$. Todos os valores de resistor estão em !$ \Omega !$.

Provas
Questão presente nas seguintes provas
- PODC: Processo OrganizacionalProcesso Administrativo: OrganizaçãoIntrodução ao Processo de Organização
Os princípios fundamentais da organização formal, de acordo com os autores neoclássicos, são:
Provas
Questão presente nas seguintes provas
Considerando a classificação das queimaduras e suas respectivas características, relacione as colunas e assinale a alternativa com a sequência correta.
1 – Primeiro grau
2 – Segundo grau
3 – Terceiro grau
2 – Segundo grau
3 – Terceiro grau
( ) Presença de morte tecidual.
( ) Pele hiperemiada, edemaciada e dor local intensa.
( ) Presença de bolhas e desprendimento de camada da pele.
Provas
Questão presente nas seguintes provas
Cadernos
Caderno Container