Foram encontradas 520 questões.
Qual das resoluções apresentadas nas alternativas abaixo não está relacionada basicamente à qualidade da imagem digital?
Provas
Questão presente nas seguintes provas
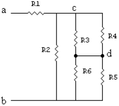
Calcule a resistência equivalente entre os pontos a e b do circuito abaixo:
Dados: !$ R1 = 10 \Omega; \,\,R2 = 8 \Omega;\,\,R3 = 20 \Omega;\,\,R4 = 5 \Omega;\,\,R5 = 20 \Omega;\,\,R6 = 5 \Omega !$

Provas
Questão presente nas seguintes provas
1928852
Ano: 2009
Disciplina: Administração Financeira e Orçamentária
Banca: DIRENS Aeronáutica
Orgão: EEAr
Disciplina: Administração Financeira e Orçamentária
Banca: DIRENS Aeronáutica
Orgão: EEAr
Provas:
A respeito do funcionamento do caixa único, o Decreto nº 93.872/86 estabelece competência à (ao) para aprovar, em ato próprio, o limite global de saques de cada Ministério ou Órgão, obedecendo ao montante das dotações e à previsão do fluxo de caixa do Tesouro Nacional.
Provas
Questão presente nas seguintes provas
2020762
Ano: 2009
Disciplina: TI - Desenvolvimento de Sistemas
Banca: DIRENS Aeronáutica
Orgão: EEAr
Disciplina: TI - Desenvolvimento de Sistemas
Banca: DIRENS Aeronáutica
Orgão: EEAr
Provas:
Qual dos códigos abaixo apresenta uma sintaxe inválida para a linguagem PHP?
Provas
Questão presente nas seguintes provas
Qual a declividade máxima que as rampas de acesso devem ter, a fim de que os deficientes físicos possam utilizá-las com conforto?
Provas
Questão presente nas seguintes provas
De acordo com a norma NBR 5419/2005, é recomendável que a resistência de aterramento do sistema de proteção contra descargas atmosféricas (SPDA) seja inferior a
Provas
Questão presente nas seguintes provas
Os atos administrativos relevantes deverão ser registrados pela contabilidade, por meio de
Provas
Questão presente nas seguintes provas
Nas instalações usuais para fornecimento de água a edifícios, que dispõem de reservatórios inferior e superior, o que possibilita a ligação do motor da bomba de água quando o reservatório superior está vazio e o inferior está cheio?
Provas
Questão presente nas seguintes provas
Assinale a alternativa que não indica uma das vantagens do Arranjo “B” em relação ao Arranjo “A” (quando embutido nas fundações da edificação), segundo o sistema de aterramento para proteção contra descargas atmosféricas – NBR 5419/2005.
Provas
Questão presente nas seguintes provas
O plural de todos os substantivos está correto em:
Provas
Questão presente nas seguintes provas
Cadernos
Caderno Container