Foram encontradas 520 questões.
Marque (V) para verdadeiro e (F) para falso, conforme o que se afirma abaixo sobre a técnica de injeção intramuscular. A seguir, assinale a alternativa que apresenta a sequência correta.
( ) Esta via de administração proporciona ação sistêmica lenta e são administrados pequenos volumes, geralmente 0,5 ml ou menos.
( ) Os sítios mais comuns são as partes laterais dos braços e as partes superiores dos quadris.
( ) A agulha deve ser inserida e retirada em um ângulo de 90°.
Provas
Questão presente nas seguintes provas
Assinale a alternativa incorreta.
Provas
Questão presente nas seguintes provas
Marque (V) para verdadeiro, (F) para falso e assinale a alternativa que apresenta a sequência correta.
( ) Modos dórico, lídio e frígio são modos menores.
( ) Modos mixolídio, lídio e frígio são modos maiores.
( ) Modos frígio, mixolídio e jônio são modos maiores.
( ) Modos lócrio, dórico e frígio são modos menores.
Provas
Questão presente nas seguintes provas
Assinale a alternativa que completa correta e respectivamente as lacunas do texto a seguir.
O efeito ocorre quando uma superfície de luminescência à radiografia é contornada por uma luminescência mediana. Nesse caso o olho humano (do observador) “constrói” uma linha escura entre as duas superfícies.
Provas
Questão presente nas seguintes provas
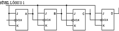
Analisando as afirmativas abaixo com base no circuito apresentado, pode-se afirmar que está(ão) correta(s).

I- O circuito é um contador assíncrono binário de quatro bits.
II- As saídas dos flip flops D, C, B e A representam um número binário de quatro bits, sendo A o MSB.
II- As saídas dos flip flops D, C, B e A representam um número binário de quatro bits, sendo A o MSB.
Provas
Questão presente nas seguintes provas
Assinale a afirmativa correta.
Provas
Questão presente nas seguintes provas
Segundo determinação da Portaria MS/SVS n.o 453, de 01 de junho de 1998, todo equipamento de radiodiagnóstico médico deve possuir filtração total permanente do feixe útil de radiação de, no mínimo, o equivalente a mm de alumínio ou mm de molibdênio para equipamentos de mamografia.
Provas
Questão presente nas seguintes provas
1928950
Ano: 2009
Disciplina: TI - Organização e Arquitetura dos Computadores
Banca: DIRENS Aeronáutica
Orgão: EEAr
Disciplina: TI - Organização e Arquitetura dos Computadores
Banca: DIRENS Aeronáutica
Orgão: EEAr
Provas:
Assinale a alternativa que completa corretamente a afirmativa abaixo, sobre Arranjo Redundante de Discos Baratos (redundant array of inexpensive disks) ou RAID.
O RAID nível duplica todos os discos, de modo que existam quatro discos primários e quatro discos de cópias de segurança (backup).
Provas
Questão presente nas seguintes provas
O procedimento da licitação, previsto na Lei 8666/93, compreende várias fases até a aquisição ou contratação do bem ou serviço para a Administração Pública. Assinale a alternativa que indica a sequência correta das fases do procedimento da concorrência, da sua abertura até a sua finalização.
Provas
Questão presente nas seguintes provas
1928941
Ano: 2009
Disciplina: TI - Redes de Computadores
Banca: DIRENS Aeronáutica
Orgão: EEAr
Disciplina: TI - Redes de Computadores
Banca: DIRENS Aeronáutica
Orgão: EEAr
Provas:
- Protocolos e ServiçosRedes, Roteamento e TransporteBGP: Border Gateway Protocol
- Protocolos e ServiçosRedes, Roteamento e TransporteRIP: Routing Information Protocol
Os protocolos de vetor de distância se baseiam na idéia geral “se o roteador X se encontra a cinco saltos de distância da rede Y e eu me encontro numa posição adjacente ao roteador X, então tenho de estar a seis saltos da rede Y”.
De acordo com tal afirmação, assinale a alternativa que contém apenas exemplos de protocolos de roteamento de vetor de distância comuns.
Provas
Questão presente nas seguintes provas
Cadernos
Caderno Container