Foram encontradas 100 questões.
No gráfico mostram-se as posições de um móvel em função do tempo.

Das alternativas abaixo, assinale a que apresenta o gráfico da velocidade em função do tempo, para o movimento do móvel descrito no gráfico anterior.
Provas
Questão presente nas seguintes provas
Assinale a alternativa em que a linguagem, mesmo poética, pode não caracterizar conotação.
Provas
Questão presente nas seguintes provas
INGREDIENTES
- Sérgio Tross
Uma porta que se abre.
Um homem que ergue o braço, o dedo.
Um dedo que se move.
Uma luz que se acende.
Um passo que é dado.
Um silêncio que estala.
Um gemido que se ouve.
Uma voz que resmunga.
Um rosto de mulher que se oculta na cama.
Um rosto de homem que se revela no hálito.
Uma interrogação que incomoda, feminina.
Uma resposta que não satisfaz, masculina.
Uma interrogação que se repete, feminina.
Uma resposta que agride, masculina.
Um palavrão que desabafa, feminino.
Um tapa que estala, masculino.
Um grito de dor, feminino.
Um bocejo, masculino.
Eis a receita. E o conto
No texto, fica clara a submissão da mulher ao homem, que a oprime. Em qual dos textos abaixo, não há a ideia de homem opressor e mulher submissa?
Provas
Questão presente nas seguintes provas
Assinale a alternativa que completa corretamente a frase abaixo: Um condutor longo e retilíneo percorrido por corrente elétrica produz ao seu redor um campo magnético no formato de
Provas
Questão presente nas seguintes provas
Os salários mensais, em reais, dos 24 funcionários de uma empresa são

O salário mensal mediano dessa empresa, em reais, é
Provas
Questão presente nas seguintes provas
Quando dadas em cm, as medidas dos lados do trapézio ABCD são expressas por números consecutivos. Assim, o valor de x é

Provas
Questão presente nas seguintes provas
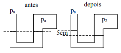
Um tubo em “U” contendo um líquido, de densidade igual a 33 ×1020 kg m , tem uma extremidade conectada a um recipiente que contém um gás e a outra em contato com o ar atmosférico a pressão de 10!$ ^5 !$ Pa. Após uma transformação termodinâmica nesse gás, o nível do líquido em contato com o mesmo fica 5 cm abaixo do nível da extremidade em contato com o ar atmosférico, conforme figura. A pressão final no gás, em 10!$ ^5 !$ Pa, é de
Considere: aceleração da gravidade no local igual a 10m/s!$ ^2 !$.

Provas
Questão presente nas seguintes provas
Na figura, !$ \overline {AH} !$ é altura do triângulo ABC. Assim, o valor de x é

Provas
Questão presente nas seguintes provas
Leia:
“Ela fez tudo o que podia para salvar o casamento, mas nada fez com que ele assumisse as responsabilidades de um pai de família.”
Se iniciarmos o período por Nada fez com que ele assumisse as responsabilidades de um pai de família, mantendo a mesma relação lógica expressa no texto acima, não deveremos continuar com
Provas
Questão presente nas seguintes provas
The air pranks
If you have “aviophobia”, turbulence is probably the common reason for that. Most people believe that turbulence is dangerous. In fact, during turbulence, the pilots remain in complete control of the aircraft, and it is no harder to fly an aircraft during turbulence than it is in normal flight.
The movement of the air causes turbulence. There are three types of weather often associated with turbulence. Firstly strong winds close to the ground, storm clouds and clear air turbulence.
The important thing to remember is that turbulence is uncomfortable but not dangerous and that weather maps and reports show pilots where the areas of turbulence can be expected so that they can be avoided by climbing, descending or flying around them.
Crew working onboard the plane are highly trained to cope with this situation.
Remember: Always secure your seat belt as tightly as you can in turbulence as it helps you feel more comfortable. Put your seat belt on even when not instructed to wear it. It can be tempting to take off your seat belt, when you want to be more comfortable.
Pilots can usually antecipate turbulence, sometimes it’s sudden, and sometimes it’s severe. There have been cases of serious injuries to passengers who were not seated and with their seat belts duly fastened.
Most people aren’t keen on flying, owing to turbulence jolts.
“Relax and fly” shows that there are effective ways to overcome this unfounded fear, when one flies in this extremely safe mode of transportation.
GLOSSARY:
pranks= rebeldias
“...owing to...”, is similar in meaning to
Provas
Questão presente nas seguintes provas
Cadernos
Caderno Container