Foram encontradas 2.334 questões.
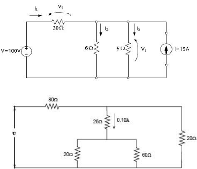
Determinar o valor da tensão “U” no circuito resistivo ao lado. Após todos os cálculos necessários, conclui-se que essa tensão vale:

Provas
Analise as afirmativas abaixo e assinale a alternativa correta em relação aos trabalhadores que exercem suas funções a céu aberto, de acordo com a NR 21.
I. Abrigos capazes de prover proteção contra as intempéries – mesmo que sejam rústicos.
II. Proteção contra insolação excessiva.
III. Proteção contra o frio excessivo.
IV. Proteção contra ventos inconvenientes.
V. Proteção quanto a humidade excessiva.
Estão corretas as afirmativas:
Provas
Seguindo o artigo 198 da CLT (Consolidações das Leis Trabalhistas), assinale a alternativa que apresenta qual o peso máximo que um empregado pode remover individualmente, ressalvadas as disposições especiais relativas ao trabalho do menor e da mulher.
Provas
Dos itens apresentados abaixo, assinale a alternativa que apresente aqueles que podem ser classificados como acidente do trabalho se ocorrido no exercício do trabalho a serviço de uma empresa.
I. Morte.
II. Perda temporária da capacidade de trabalho.
III. Redução temporária da capacidade de trabalho.
IV. Lesão corporal.
V. Perturbação funcional.
Provas
Com respeito à obrigatoriedade de se manterem os Serviços Especializados em Engenharia de Segurança e em Medicina do Trabalho, com a finalidade de promover a saúde e proteger a integridade do trabalhador no local de trabalho (Alterado pela Portaria SSMT n.º 33, de 27 de outubro de 1983), assinale a alternativa correta.
Provas
Disciplina: Legislação Específica das Agências Reguladoras
Banca: IBFC
Orgão: EBSERH
- ANVISARDCsResolução RDC nº 50/2002 - RT de Projetos Físicos de Estabelecimentos Assistenciais de Saúde
A Resolução RDC nº 50 da ANVISA (Agência Nacional de Vigilância Sanitária), dispôs em 21/02/2002 sobre o planejamento, programação, elaboração e avaliação de projetos físicos de estabelecimentos assistenciais de saúde. Naquela época, foram utilizadas as normas vigentes no Brasil sobre os mais diversos temas necessários para a construção do escopo da RDC 50. Das normas citadas abaixo, uma não faz parte na bibliografia da RDC 50, por ser definida incorretamente. Pode-se afirmar que esta é a norma:
Provas
No decreto nº 7.082, de 27 de janeiro de 2010, no artigo 3º, temos a informação de que o REHUF orienta-se por diretrizes aos hospitais universitários federais. Assinale a alternativa que apresenta uma diretriz deste decreto.
Provas
O decreto nº 7.082, de 27 de janeiro de 2010 que instituiu o Programa Nacional de Reestruturação dos Hospitais Universitários Federais – REHUF, dispôs sobre o financiamento compartilhado dos hospitais universitários federais entre as áreas da educação e da saúde e disciplina o regime da pactuação global com esses hospitais. O artigo 2º deste decreto informa que: “O REHUF tem como objetivo criar condições materiais e institucionais para que os hospitais universitários federais possam desempenhar plenamente suas funções em relação às dimensões de ensino, pesquisa e extensão e à dimensão da assistência à saúde”. O parágrafo 1º ainda informa: “No campo do ensino, pesquisa e extensão, os hospitais universitários desempenham as funções de local de ensino-aprendizagem e treinamento em serviço, formação de pessoas, inovação tecnológica e desenvolvimento de novas abordagens que aproximem as áreas acadêmica e de serviço no campo da saúde”. A partir daí, são citados exatamente cinco objetivos específicos. Assinale a alternativa que apresenta um deles.
Provas
O desafio das clínicas, laboratórios, hospitais, posto de vacinação, entre outros, é garantir a eficiência na conservação de seus produtos e insumos. Pensando nessa necessidade, as câmaras de conservação foram desenvolvidas com foco na agilidade de operação e segurança. Assinale a alternativa que apresenta características que esses equipamentos possuem.
Provas
As centrífugas são equipamentos desenvolvidos para uso clínico e de laboratório em geral. Existem vários modelos e aplicações, entretanto, todas se utilizam da aplicação de uma força centrifuga para separar as diversas fases de diferentes densidades em substâncias líquidas. Várias características são encontradas neste tipo de equipamento. Atualmente, as principais marcas existentes no mercado nacional e internacional apresentam equipamentos com motor do tipo “brushless” (sem escovas). Assinale a alternativa que apresenta características do motor “brushless”.
Provas
Caderno Container