Foram encontradas 799 questões.
A carta de ventos representa os padrões de direção e velocidade dos ventos para cada período do dia e cada mês em uma determinada localidade. Preencha as lacunas a seguir e assinale a alternativa com a resposta correta.
Conhecendo-se a carta de ventos de uma localidade, onde pode-se concluir que durante o inverno o vento vem de oeste e durante o verão vem do sul, não haverá problemas em os ventos frios de inverno e os ventos refrescantes de verão.
Provas
Questão presente nas seguintes provas
Nos termos da Resolução 453/2012 do Conselho Nacional da Saúde, assinale a alternativa INCORRETA.
Provas
Questão presente nas seguintes provas
Sobre a classe Arrays na Linguagem de Programação Java (Java 5.0, Versão 1.5), assinale a alternativa INCORRETA.
Provas
Questão presente nas seguintes provas
Analise as assertivas sobre o funcionamento das contas e assinale a alternativa que aponta as corretas.
I. Nas contas do passivo, o débito diminui e o crédito aumenta.
II. Nas contas do ativo, o débito diminui e o crédito aumenta.
III. Nas contas de despesas, o débito aumenta e o crédito diminui.
IV. Nas contas retificadoras do ativo, o débito aumenta e o crédito diminui.
V. Nas contas de receitas, o débito diminui e o crédito aumenta.
Provas
Questão presente nas seguintes provas
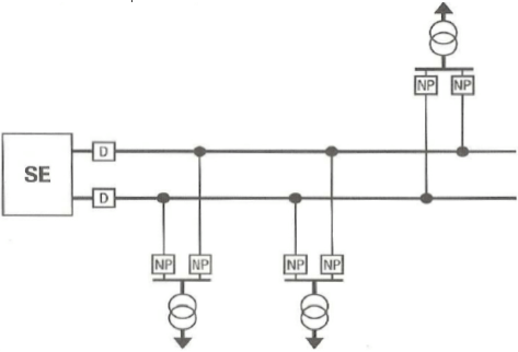
No que concerne à estrutura geral de um sistema de distribuição, a figura a seguir representa a topologia típica de uma rede primária, denominada

Provas
Questão presente nas seguintes provas
- Fundamentos de Sistemas OperacionaisDiferenças entre Windows e Linux
- Linux
- Sistemas de ArquivosTipos de Sistemas de ArquivosEXT4
- Sistemas de ArquivosTipos de Sistemas de ArquivosFAT32
- Sistemas de ArquivosTipos de Sistemas de ArquivosNTFS
Um dos aspectos mais característicos do Linux é o seu sistema de arquivos. O sistema de arquivos do Linux tem um formato diferente dos sistemas de arquivos usados em outros sistemas operacionais (é incompatível para maior parte dos efeitos). Qual das alternativas a seguir apresenta o sistema de arquivos utilizado pelo Linux?
Provas
Questão presente nas seguintes provas
Sobre Estrutura do Segmento TCP, assinale a alternativa INCORRETA.
Provas
Questão presente nas seguintes provas
Qual é o sistema de arquivos preferencial do Microsoft Windows 7?
Provas
Questão presente nas seguintes provas
A história da evolução que transformou o controle tradicional da qualidade na moderna administração da qualidade total, ou gestão estratégica da qualidade, tem três períodos ou eras. Assinale a alternativa que apresenta o período ou era que enfatiza a observação direta do produto ou serviço pelo fornecedor, ao final do processo produtivo, e os produtos e serviços que são inspecionados com base em amostras.
Provas
Questão presente nas seguintes provas
No que diz respeito aos transformadores trifásicos, assinale a alternativa INCORRETA.
Provas
Questão presente nas seguintes provas
Cadernos
Caderno Container