Foram encontradas 330 questões.
Provas
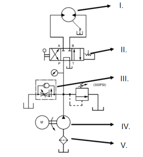
- Linux
- Sistemas DistribuídosAlta Disponibilidade
- Sistemas DistribuídosComputação em Cluster
- Sistemas DistribuídosFailover
Provas
Provas
Disciplina: Ética e Regulação Profissional
Banca: Nosso Rumo
Orgão: CREA-SP
Provas
Provas
Read the text below in order to answer question.
Mammoth task: billionaire Peter Thiel funded effort to resurrect woolly beast
The Silicon Valley titan, who has openly challenged death as an inevitability, invested $100,000 in a project to bring the extinct mammoth back to life
Olivia Solon
PayPal billionaire and Gawker war-wager Peter Thiel has invested $100,000 in a research effort to resurrect the woolly mammoth.
Thiel, who believes that viewing death as inevitable is a sign of “complacency of the western world”, gave the money to Harvard University genomics professor George Church, whose laboratory is attempting to revive the extinct pachyderm.
The donation, detailed for the first time in a new book by Ben Mezrich called Woolly: The True Story of the Quest to Revive One of History’s Most Iconic Extinct Creatures, was made in 2015.
The de-extinction approach taken by Church and his team will sound familiar to Jurassic Park fans: they are taking DNA extracted from frozen mammoths and using it to genetically modify elephant cells. So far, according to the book, the team has managed to get mammoth fur to grow from the side of a mouse grafted with some elephant cells. The results have yet to be published in any scientific papers.
Church said that over a breakfast, Thiel told him he wanted to fund the “craziest thing” he was doing. Church suggested three options: an anti-aging scheme involving gene therapy, a project using human neurons to create artificial intelligence, and the mammoth.
He went for the mammoth.
It’s not entirely surprising Thiel wants to bring a mammal back from the dead. According to several interviews, Thiel sees death as a terrible inconvenience that needs disrupting.
Peter Thiel has said in the past that people ‘are in some weird mode of denial and acceptance about death ... I prefer to fight it.’
“Almost every human being who has ever lived is dead. Solving this problem is the most natural, humane, and important thing we could possibly do,” he is quoted as saying on the website of the SENS Foundation, a charity Thiel funds that approaches aging as a disease in need of a cure.
In 2015 he continued on his warpath against human fragility.
“I’ve always had this really strong sense that death was a terrible, terrible thing,” he told the Washington Post, “Most people end up compartmentalizing, and they are in some weird mode of denial and acceptance about death, but they both have the result of making you very passive. I prefer to fight it.”
Thiel’s “fight” involves investing millions in biotechnology and artificial intelligence in what he has called “the immortality project”. His investment firm Thiel Capital has, according to Inc, expressed an interest in a company called Ambrosia, which is running a trial where individuals can pay $8,000 to receive a blood transfusion from a teenager in the hope that it will restore some youthful vigour. According to the company Thiel is not a client. Yet.
He has also signed up with cryogenics company Alcor to be deep-frozen at the time of his death in the hope that he too can be resurrected.
It’s sure to be a mammoth undertaking.
Source: https://www.theguardian.com/technology/2017/jun/30/peter-thiel-woolly-mammoth-back-to-life-donation
According to the text, Thiel considers the “complacency of the western world”
Provas

Provas
Disciplina: Ética e Regulação Profissional
Banca: Nosso Rumo
Orgão: CREA-SP
Provas
2. Desenho
3. Implementação
4. Avaliação
Provas
Provas
Caderno Container