Foram encontradas 299 questões.
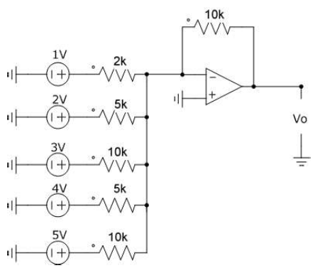
Sendo o circuito apresentado na figura abaixo o de um amplificador somador, calcule a tensão !$ v_o !$:

Provas
Questão presente nas seguintes provas
Quanto à Outorga, é correto afirmar:
Provas
Questão presente nas seguintes provas
Considerando que a caderneta de poupança pague uma taxa de juros compostos de 0,75% ao mês, após um ano de aplicação, um depósito de R$ 2.000,00 (dois mil reais) valerá, em termos nominais:
Provas
Questão presente nas seguintes provas
Qual das famílias de CI’s citadas abaixo apresenta as características principais apresentadas na Tabela abaixo:
| Tensão de alimentação | 5V |
| Consumo médio de potência por porta | 10mW |
| Imunidade ao ruído | 0,4V |
|
Tempo de atraso de propagação médio
por porta
|
10ns |
| Fan-out | 10 |
Provas
Questão presente nas seguintes provas
TEXTO 01
“...falemos abertamente sobre o que foi a nossa vida, se era vida aquilo, durante o tempo em que estivemos cegos, que os jornais recordem!$ ^{D)} !$, que os escritores escrevam, que a televisão mostre as imagens da cidade tomadas depois de termos recuperado a visão, convençam-se as pessoas a falar dos males de toda a espécie que tiveram de suportar, falem dos mortos, dos desaparecidos, das ruínas, dos incêndios, do lixo, da podridão, e depois, quando tivermos arrancado os farrapos de falsa normalidade com que temos andado a querer tapar a chaga, diremos que a cegueira desses dias regressou sob uma nova forma, chamaremos a atenção da gente para o paralelo entre a brancura da cegueira de há quatro anos e o voto branco de agora...”
[Extraído de “Ensaio sobre a lucidez”, de José Saramago – Companhia das Letras]
TEXTO 02
“O título deve expressar a essência da pesquisa realizada, com o mínimo possível de palavras. Quando lido, deve dar ao leitor uma ideia precisa do assunto estudado. É a maneira pela qual a publicação científica será, inicialmente, avaliada pelos leitores. Em decorrência das modernas técnicas de catalogação e disseminação das referências bibliográficas, constitui-se na forma mais efetiva de divulgação de sua obra. Quando bem elaborado, o título muito concorrerá para o sucesso!$ ^{E)} !$ da publicação de uma pesquisa.
Na composição do título, o autor precisa exprimir técnica e talento dos redatores de publicidade; frase curta com elevado poder descritivo. Ser criativo, sem abdicar do rigor científico. Por essas razões, requer esforço e concentração. Muitas vezes, concluída a redação das partes textuais da publicação científica, torna-se inevitável!$ ^{A)} !$ a mudança do título, inicialmente proposto.
Atualmente, os títulos são bastante específicos na definição dos sujeitos dos estudos, contendo menções bem definidas sobre os aspectos abordados. Não devem conter abreviações, fórmulas matemáticas ou químicas e marcas de produtos. Essas citações dificultariam ou mesmo impediriam a localização do documento científico através do índex!$ ^{B)} !$.
Começar o título com palavras-chaves, evitando o emprego de expressões de pouco impacto, desgastadas e supérfluas como “Efeitos dos...”, “Influência dos...”, “Estudo das...” ou “Considerações preliminares sobre...”. Não se deve começar o título com artigos definidos ou indefinidos. Como o objetivo básico do titulo é esclarecer, omitir palavras de significado ambíguo. Como exemplos, alguns títulos constantes da literatura e considerados adequados, quanto a sua forma, são apresentados a seguir...”
[Extraído de “Redação científica”, de Luiz Gonzaga Rebouças Ferreira – Edições UFC]
Assinale a opção correta:
Provas
Questão presente nas seguintes provas
Durante a execução de uma barragem, os técnicos da obra encontraram um maciço rochoso a pouca profundidade. Como engenheiro geotécnico da obra, você orientou a realização de novas sondagens no lugar onde foi encontrada a rocha. Os resultados foram apresentados como valores em porcentagem do RQD (Rock Quality Designation). Escolha a classificação da qualidade desse maciço rochoso, sabendo que o índice de RQD foi de 48%:
Provas
Questão presente nas seguintes provas
A densidade de uma substância é a relação entre a massa e o volume que ela ocupa. Os principais fatores que influenciam a densidade da água são:
Provas
Questão presente nas seguintes provas
Segundo o perfil do maciço de solo apresentado na figura seguinte, qual item corresponde ao diagrama de tensão vertical efetiva e total desse maciço? Os diagramas estão em função da profundidade e da tensão:

Provas
Questão presente nas seguintes provas
Sob a ótica da Teoria Geral da Administração, desde o fim da 2ª Grande Guerra, se tornava evidente no setor de negócios que o fator determinante da produtividade é:
Provas
Questão presente nas seguintes provas
De acordo com a Lei Nº 12.334, de 20 de setembro de 2010, as barragens são classificadas pelos agentes fiscalizadores por categoria de risco, dano potencial associado e:
Provas
Questão presente nas seguintes provas
Cadernos
Caderno Container